Foram encontradas 801 questões.
o comprimento de onda.Provas
Solicitou-se a um engenheiro que projetasse um sistema para o monitoramento da temperatura interna de um ambiente. Após estudar diversas possibilidades, o engenheiro optou por utilizar, entre outras coisas, um sensor de temperatura, um conversor A/D e um microcontrolador para ler a temperatura e, em seguida, transmiti-la, por meio de um fio, para uma central de monitoramento para fins de armazenamento desses dados.
Com relação a essa situação hipotética, julgue os itens seguintes.
Provas
Solicitou-se a um engenheiro que projetasse um sistema para o monitoramento da temperatura interna de um ambiente. Após estudar diversas possibilidades, o engenheiro optou por utilizar, entre outras coisas, um sensor de temperatura, um conversor A/D e um microcontrolador para ler a temperatura e, em seguida, transmiti-la, por meio de um fio, para uma central de monitoramento para fins de armazenamento desses dados.
Com relação a essa situação hipotética, julgue os itens seguintes.
Provas
Solicitou-se a um engenheiro que projetasse um sistema para o monitoramento da temperatura interna de um ambiente. Após estudar diversas possibilidades, o engenheiro optou por utilizar, entre outras coisas, um sensor de temperatura, um conversor A/D e um microcontrolador para ler a temperatura e, em seguida, transmiti-la, por meio de um fio, para uma central de monitoramento para fins de armazenamento desses dados.
Com relação a essa situação hipotética, julgue os itens seguintes.
Provas
- Análise de Sinais: sinais periódicos/aperiódicos, transmissão de sinais e sinais de amostragem
- Processamento de sinaisRelação sinal/ruído, ruído e tratamento de ruído

A figura I acima mostra um sinal analógico de eletrocardiografia (ECG), que foi digitalizado corretamente à taxa de 200 amostras/segundo. A figura II ilustra o espectro de amplitude desse sinal no domínio da transformada discreta de Fourier — DFT (discrete Fourier transform). Para efeito de visualização, as raias espectrais de Fourier foram interpoladas por meio de uma função do primeiro grau. A partir dessas informações, julgue os itens que se seguem.
corresponde a um
componente de 60 Hz e, possivelmente, constitui ruído
induzido no sinal digitalizado pela rede de alimentação
elétrica.Provas
A tecnologia TTL utiliza, na construção de portas lógicas, apenas resistores e transistores de efeito de campo dos tipos P e N.
Provas

Os endereços hexadecimais da memória RAM estão entre 1800 e 1FFF.
Provas

Se a memória ROM tem 11 linhas de endereço e 8 linhas de dados, a sua capacidade é de 2 kilobytes.
Provas

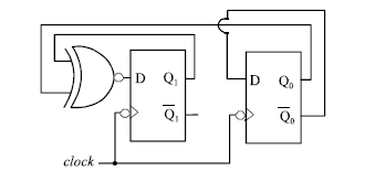
A respeito do circuito seqüencial representado acima, julgue os itens que se seguem.
Provas
Disciplina: TI - Organização e Arquitetura dos Computadores
Banca: CESPE / CEBRASPE
Orgão: ABIN
Julgue o item a seguir, relativo à conversão entre sistemas de numeração, considerando que o sistema de numeração é indicado em subscrito.
FDHEXADECIMAL = 253DECIMAL
Provas
Caderno Container