Foram encontradas 801 questões.

A figura acima mostra um amplificador de tensão que utiliza transistor JFET. Considere que os capacitores CL e CP são grandes o suficiente para não afetarem a freqüência de corte inferior do circuito. A seguir são apresentados parâmetros característicos da polarização do dispositivo JFET.

As expressões associadas aos parâmetros fundamentais do JFET são:

A partir dessas informações, julgue o item subseqüente, relativo ao amplificador apresentado.
A tensão porta-fonte VGS do amplificador é igual a -2 V.
Provas

A figura acima mostra um amplificador de tensão que utiliza transistor JFET. Considere que os capacitores CL e CP são grandes o suficiente para não afetarem a freqüência de corte inferior do circuito. A seguir são apresentados parâmetros característicos da polarização do dispositivo JFET.

As expressões associadas aos parâmetros fundamentais do JFET são:

A partir dessas informações, julgue o item subseqüente, relativo ao amplificador apresentado.
O amplificador utiliza a configuração denominada fonte comum.
Provas
Disciplina: TI - Organização e Arquitetura dos Computadores
Banca: CESPE / CEBRASPE
Orgão: ABIN

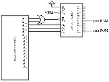
A figura acima ilustra parcialmente o circuito de decodificação de memória de um microcomputador. Com relação a esse circuito, considere que: (a) o microprocessador tem 16 linhas de endereço não-multiplexadas e 8 linhas de dados bidirecionais; (b) o decodificador é habilitado quando \(\overline {E_1}\) = \(\overline {E_2}\) = \(0\) e \(E_3\) = \(1\); (c) o bit A2 do decodificador é o mais significativo, ou seja, quando A0 = 1 e A1 = A2 = 0, a saída O1 é ativada; (d) quando a saída do decodificador que é ativada ela vai a nível lógico 0, todas as outras permanecem em nível lógico 1; (e) as memórias ROM e RAM são habilitadas por outros sinais de controle em conjunto com o sinal do decodificador; (f) o bit E2 (sinal MEM) do decodificador vai a nível lógico 0 no momento do acesso às memórias ROM e RAM; (g) a memória RAM é estática e segue o padrão JEDEC.
Com relação a esse microcomputador, julgue o item seguinte.
Os endereços hexadecimais da memória RAM estão entre 1800 e 1FFF.
Provas
Disciplina: TI - Organização e Arquitetura dos Computadores
Banca: CESPE / CEBRASPE
Orgão: ABIN

A figura acima ilustra parcialmente o circuito de decodificação de memória de um microcomputador. Com relação a esse circuito, considere que: (a) o microprocessador tem 16 linhas de endereço não-multiplexadas e 8 linhas de dados bidirecionais; (b) o decodificador é habilitado quando \(\overline {E_1}\) = \(\overline {E_2}\) = \(0\) e \(E_3\) = \(1\); (c) o bit A2 do decodificador é o mais significativo, ou seja, quando A0 = 1 e A1 = A2 = 0, a saída O1 é ativada; (d) quando a saída do decodificador que é ativada ela vai a nível lógico 0, todas as outras permanecem em nível lógico 1; (e) as memórias ROM e RAM são habilitadas por outros sinais de controle em conjunto com o sinal do decodificador; (f) o bit E2 (sinal MEM) do decodificador vai a nível lógico 0 no momento do acesso às memórias ROM e RAM; (g) a memória RAM é estática e segue o padrão JEDEC.
Com relação a esse microcomputador, julgue o item seguinte.
Se a memória ROM tem 11 linhas de endereço e 8 linhas de dados, a sua capacidade é de 2 kilobytes.
Provas
Disciplina: TI - Organização e Arquitetura dos Computadores
Banca: CESPE / CEBRASPE
Orgão: ABIN

A respeito do circuito seqüencial representado acima, julgue o item que se segue.
No circuito, a seqüência realizada pelos bits Q1Q0 é ...00 → 10 → 11 → 01 → 00 → 10 → 11 → 01 → ...
Provas
Disciplina: TI - Organização e Arquitetura dos Computadores
Banca: CESPE / CEBRASPE
Orgão: ABIN

Solicitou-se a um engenheiro que elaborasse um circuito lógico com quatro entradas - A, B, C e D - e uma saída - saída -, que detectasse quando a quantidade de bits 1 apresentados em sua entrada fosse menor ou igual a dois.
O engenheiro, então, elaborou, para esse circuito, a tabela-verdade mostrada acima.
Com relação a essa tabela e a possíveis realizações físicas da mesma, julgue o item seguinte.
A expressão booleana mínima, na forma soma de produtos, para a saída é dada por \(\overline {A}\)\(\overline {C}\) + \(\overline {A}\)\(\overline {D}\) + \(\overline {C}\)\(\overline {D}\) + \(\overline {B}\)\(\overline {C}\) + \(\overline {B}\)\(\overline {D}\) + \(\overline {A}\)\(\overline {B}\).
Provas
The job of the intelligence officer is to identify those strands that are worth pursuing and then to pursue them until either they are resolved, or they start to look flaky and not worth pursuing, or there is nothing more that can usefully be done. It is a risk-management process. The number of potential leads that can be followed is virtually infinite. On the other hand, covert investigation is extremely resource-intensive and impinges1 on the human rights of the subject. The threshold2 for such investigations is therefore high and the number of investigations necessarily limited. Consequently many potential leads have to be discounted. Decisions on which leads to pursue are vital, but are also complex and rich in judgement.
1 impinge - to have an effect on (something) often causing problems by limiting it in some way.
2 threshold - a point or level at which something begins or starts to take effect.
Michael Herman. Internet: <http://www.csis-scrs.gc.ca/eng/comment/com83_e.html> (with adaptations).
Based on the text, it can be deduced that
"therefore" means consequently.
Provas
The job of the intelligence officer is to identify those
strands that are worth pursuing and then to pursue them until either
they are resolved, or they start to look flaky and not worth pursuing,
or there is nothing more that can usefully be done. It is a
risk-management process. The number of potential leads that can be
followed is virtually infinite. On the other hand, covert investigation
is extremely resource-intensive and impinges1 on the human rights of the subject. The threshold2
for such investigations is therefore high and the number of
investigations necessarily limited. Consequently many potential leads
have to be discounted. Decisions on which leads to pursue are vital, but
are also complex and rich in judgement.
1 impinge - to have an effect on (something) often causing problems by limiting it in some way.
2 threshold - a point or level at which something begins or starts to take effect.
Michael Herman. Internet: <http://www.csis-scrs.gc.ca/eng/comment/com83_e.html> (with adaptations).
Based on the text, it can be deduced that
"On the other hand" means out of hand.
Provas
The job of the intelligence officer is to identify those strands that are worth pursuing and then to pursue them until either they are resolved, or they start to look flaky and not worth pursuing, or there is nothing more that can usefully be done. It is a risk-management process. The number of potential leads that can be followed is virtually infinite. On the other hand, covert investigation is extremely resource-intensive and impinges1 on the human rights of the subject. The threshold2 for such investigations is therefore high and the number of investigations necessarily limited. Consequently many potential leads have to be discounted. Decisions on which leads to pursue are vital, but are also complex and rich in judgement.
1 impinge - to have an effect on (something) often causing problems by limiting it in some way.
2 threshold - a point or level at which something begins or starts to take effect.
Michael Herman. Internet: <http://www.csis-scrs.gc.ca/eng/comment/com83_e.html> (with adaptations).
Based on the text, it can be deduced that
not every piece of information is worth pursuing.
Provas
A former head of
German counter-intelligence recently confided: "The best piece of
intelligence is the one that only I possess." That spymaster's emphasis
on exclusivity and withholding information even from his friends is,
alas, the watchword among intelligence chiefs worldwide. And it
threatens to undermine efforts to globalize the hunt for terrorists and
their bad works.
Timely and credible intelligence - often the merest scrap - can be as decisive in foiling1
terrorist plotting as any police action, cruise missile, or bomb.
That's why the American Congress and the White House are focused on
improving information sharing between the CIA and FBI. But the debate
has so far overlooked another chronic intelligence failure: the
inadequacy of the CIA's liaison with other intelligence services.
One reason for urgent reform is that even though the United
States far outstrips other countries in its technical intelligence
gathering, many other nations often have better human intelligence, or humint - real live spies.
1foil - to prevent (someone or something) from being successful.
Robert Gerald Livingston. Internet: <http://www.ndol.org/ndol_ci.cfm?kaid= 450004&subid=900020&contentid=250680> (with adaptations).
Based on the text, judge the following item.
The USA surpasses other countries in terms of technical intelligence collection.
Provas
Caderno Container