Foram encontradas 120 questões.
Lovers' Moon
The fabled Lovers' Moon
illuminates the night.
Shining upon a couple with
its magic light.
They treasure just one thought
two hearts so crystal clear.
To hold in their arms one that is so dear.
One that makes life worth living
just by near.
They promise that forever
together they as they bathe
in the magic that others do not see.
So if you feel that you lonely
and hope to find love soon.
Look toward the heavens and make
a wish on the Lovers' Moon.
From Internet, Quacmoto 1/4/00
Complete the brackets with the right tense of the verb to be and mark the correct alternative.
Provas
Questão presente nas seguintes provas
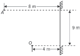
A figura mostra um objeto A, colocado a 8 m de um espelho plano, e um observador O, colocado a 4 m desse mesmo espelho.

Um raio de luz que parte de A e atinge o observador O por reflexão no espelho percorrerá, nesse trajeto de A para O,
Provas
Questão presente nas seguintes provas
Um corpo é abandonado do repouso de uma altura h acima do solo. No mesmo instante, um outro é lançado para cima, a partir do solo, segundo a mesma vertical, com velocidade v. Sabendo que os corpos se encontram na metade da altura da descida do primeiro, pode-se afirmar que h vale
Provas
Questão presente nas seguintes provas
As funções !$ f:\mathbb{R}\rightarrow \mathbb{R} !$ do 1º grau e !$ g:\mathbb{R} \rightarrow[b.+∞[ !$ do 2º grau estão representadas no gráfico abaixo.

Com base nas informações acima, é correto afirmar que
Provas
Questão presente nas seguintes provas

Lucy Van Pelt works hard at being bossy, crabby and selfish. She is loud and yells a lot. Her smiles and motives are rarely pure. She's a know-it-all who dispenses advice whether you want it or not – and for Charlie Brown, there's a charge. (...) The absence of logic in her arguments holds a kind of shining lunacy. When it comes to compliments, Lucy only likes receiving them. If she's paying one – or even smiling – she's probably up to something devious.
According to the paragraph above, mark the correct option about Lucy Van Pelt.
Provas
Questão presente nas seguintes provas
Seja S a região do plano dada por !$ \begin{cases} 2x+y \le 16 \\ x-y \le 2 \\ x-2 \ge 0\end{cases} !$
O volume do sólido gerado pela rotação de 360º de S em tomo da reta !$ x+1=0 !$ é, em unidade de volume, igual a
Provas
Questão presente nas seguintes provas
Read the text and answer the following question according to it.
Get Ready
You will go directly to the labor market after high school, or you will prepare yourself to the university. No matter what you do, there is one very important thing to remember: you have to get ready for what is coming.
And you have to do it right, otherwise people will not hire you. They will only pay you a salary when they recognize that your work has value. If you want a higher salary, you have to provide more value.
Consider your experience and your knowledge today. What can you do today at work? What are your skills? What are the things that you can do that meet the needs of other people?
Taken from Challenge, Richmond
The fragment “meet the needs of other people” taken from the text means
Provas
Questão presente nas seguintes provas
Responda a questão de acordo com o texto IV.
Texto IV
Carta do Índio Chefe Seatle, “Manifesto da Terra-Mãe”
“Como podeis comprar ou vender o céu, o calor da terra? A idéia não tem sentido para nós.
Se não somos donos da frescura do ar ou do brilho das águas, como podeis querer comprá-los? Qualquer parte desta terra é sagrada para meu povo. Qualquer folha de pinheiro, cada grão de areia nas praias, a neblina nos bosques sombrios, cada monte e até o zumbido do inseto, tudo é sagrado na memória e no passado do meu povo. A seiva que percorre o interior das árvores leva em si as memórias do homem vermelho.
. . . . . . . . . . . . . . . . . . .
Nós sabemos que o homem branco não entende o nosso modo de ser. Ele não sabe distinguir um pedaço de terra de outro qualquer, pois é um estranho que vem de noite e rouba da terra tudo de que precisa. A terra não é sua irmã, mas sua inimiga, depois de vencida e conquistada, ele vai embora, à procura de outro lugar.
. . . . . . . . . . . . . . . . . .
O ar é inestimável para o homem vermelho, pois dele todos se alimentam. Os animais, as árvores, o homem, todos respiram o mesmo ar. O homem branco parece não se importar com o ar que respira. Como um cadáver em decomposição, ele é insensível ao mau cheiro. Mas se vós venderdes nossa terra, deveis recordar que o ar é precioso para nós, que o ar insufla seu espírito em todas as coisas que dele vivem. O vento que deu aos nossos avós o primeiro sopro de vida é o mesmo que lhes recebe o último suspiro.
. . . . . . . . . . . . . . . . . . .
Sou um selvagem e não compreendo como o fumegante cavalo de ferro possa ser mais importante que o bisonte, que nós caçamos apenas para sobreviver. Que será dos homens sem os animais? Se todos os animais desaparecem, o homem morrerá de solidão espiritual. Porque o que suceder aos animais afetará os homens. Tudo está ligado.
Deveis ensinar a vossos filhos que o solo que pisam são as cinzas de nossos avós. Para que eles respeitem a terra, ensina-lhes que ela é rica pela vida dos seres de todas as espécies. Ensinai aos vossos filhos o que nós ensinamos aos nossos: Que a terra é a nossa mãe. Quando o homem cospe sobre a terra, cospe sobre si mesmo. De uma coisa nós temos certeza: A terra não pertence ao homem branco; o homem branco é que pertence à terra. Disso nós temos a certeza. Todas as coisas estão relacionadas como o sangue que une uma família. Tudo está associado. O que fere a terra fere também aos filhos da terra.
O homem não tece a teia da vida; é antes um dos seus fios. O que quer que faça a essa teia, faz a si próprio.
. . . . . . . . . . . . . . . . . .
Esta terra tem um valor inestimável para Ele, e ofender a terra é insultar o Criador. Também os brancos acabarão um dia talvez mais cedo do que todas as outras tribos. Contaminai os vossos rios e uma noite morrerão afogados nos vossos resíduos.
Contudo, caminhareis para a vossa destruição, iluminados pela força do Deus que vos trouxe a esta terra e por algum desígnio especial vos deu o domínio sobre ela e sobre o homem vermelho. Este destino é um mistério para nós, pois não compreendemos como será no dia em que o último bisonte for dizimado, os cavalos selvagens domesticados, os secretos recantos das florestas invadidos pelo odor do suor de muitos homens e a visão das brilhantes colinas bloqueada por fios falantes. Onde está o matagal? Desapareceu. Onde está a águia? Desapareceu. Termina a vida começa a sobrevivência.”
(http://mnemosyne.blog-city.com/a-carta-do-indio-seatllemanifesto-da-terramae.htm )
Assinale a alternativa em que a reescritura dos trechos, retirados do texto, provocou a alteração sintática e/ou semântica.
Provas
Questão presente nas seguintes provas
A figura abaixo apresenta dois corpos de massa m suspensos por fios ideais que passam por roldanas também ideais. Um terceiro corpo, também de massa m, é suspenso no ponto médio M do fio e baixado até a posição de equilíbrio.

O afastamento do ponto M em relação à sua posição inicial é
Provas
Questão presente nas seguintes provas
Leia atentamente o Texto II e, a seguir, responda a questão.
Texto II
Sinais de vida e morte no planeta verde
A ocupação da Amazônia tira o sono do mundo, mas é um desafio do qual os brasileiros não podem escapar
"O homem está aqui para o bem do homem"
Albert Einstein
Nas vésperas de inaugurar com orgulho da raça seu terceiro milênio cristão e o centésimo da espécie, a humanidade descobriu um novo mundo aparentemente hostil, o planeta verde da Amazônia brasileira. A opinião pública mundial eletrizou com as afirmações de que as entranhas da Amazônia ardiam em chamas, um fogo capaz de gerar com suas labaredas fumaça suficiente para fazer cair sobre a Terra um castigo bíblico, o aquecimento irreversível de sua superfície num verão tórrido e perpétuo. A aldeia global convenceu-se de que o inferno verde existe aqui e agora no Brasil e de que só uma campanha internacional pode salvar o pulmão do de seus agressores, as queimadas e os desmatamentos. Essa imagem, a de um gigante ameaçador que engole florestas e cospe fogo, correu o mundo. Feita de brumas, ela é apenas uma ilusão perversa e exagerada que esconde uma realidade complexa. Esconde as batalhas pela vida empreendidas por uma civilização de brasileiros que, "depois de vagar por ali três séculos numa agitação tumultuária e estéril" - como escreveu Euclides da Cunha -, começa a aprender a conciliar a preservação com o progresso.
(Veja - 5 de julho de 1989)Analise as proposições abaixo.
Assinale a alternativa correta.
Provas
Questão presente nas seguintes provas
Cadernos
Caderno Container