Foram encontradas 719 questões.
- EletrotécnicaCircuitos Elétricos em Eletricidade
- EletrotécnicaCircuitos de Corrente Contínua e de Corrente Alternada
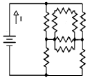
A figura a seguir apresenta um circuito composto por uma fonte de
tensão com ddp U e nove resistores com resistências iguais a R.

A corrente elétrica total I é dada pela expressão

A corrente elétrica total I é dada pela expressão
Provas
Questão presente nas seguintes provas
A figura a seguir apresenta um corpo com carga Q interagindo,
segundo um triângulo equilátero, com outros dois corpos, A e B,
com a mesma carga, porém com polaridades invertidas. Sabe-se
que a carga do corpo Q é 4,8 µC e que a carga fundamental do
elétron é 1,6 x 10–19C.

A respeito dessa carga pode-se dizer que

A respeito dessa carga pode-se dizer que
Provas
Questão presente nas seguintes provas
- EletrotécnicaCircuitos Elétricos em Eletricidade
- EletrotécnicaCircuitos de Corrente Contínua e de Corrente Alternada
O circuito da figura a seguir apresenta todos os resistores com
9 Ω de resistência.

A resistência equivalente entre os pontos A e B é

A resistência equivalente entre os pontos A e B é
Provas
Questão presente nas seguintes provas
Um circuito série é composto de uma resistência e uma reatância
indutiva, ambas com 10 Ω. Sabe-se que a fonte de alimentação é
senoidal com tensão eficaz de 100 V.
Para que a corrente elétrica fique em fase com a tensão, foi introduzido um capacitor em série com o circuito, fazendo com que o módulo dessa corrente fique igual a
Para que a corrente elétrica fique em fase com a tensão, foi introduzido um capacitor em série com o circuito, fazendo com que o módulo dessa corrente fique igual a
Provas
Questão presente nas seguintes provas
Um gerador de corrente contínua hipercomposto com regulação
de 5 % possui tensão em vazio de 190 V. A tensão a plena carga é
de
Provas
Questão presente nas seguintes provas
A rigidez dielétrica é uma característica do material isolante e é
definida como sendo o quociente da tensão aplicada no
momento da ruptura pela espessura da isolação.
Assinale a opção que apresenta os materiais isolantes em ordem crescente de rigidez dielétrica.
Assinale a opção que apresenta os materiais isolantes em ordem crescente de rigidez dielétrica.
Provas
Questão presente nas seguintes provas
A figura a seguir é apresentada a curva ABC, relativa à execução de uma obra.

Os itens utilizados na execução dessa obra estão dispostos segundo as faixas A, B e C.
Pode-se dizer que os itens
Provas
Questão presente nas seguintes provas
Faça a correspondência entre as estratégias usadas pelos
anunciantes listadas a seguir, e suas respectivas características.
1. genérica 2. afetiva 3. de ressonância 4. proposição exclusiva de venda 5. imagem da marca
( ) Busca utilizar as experiências dos consumidores na tentativa de estabelecer o produto como o melhor a se comprar. ( ) É utilizada quando a marca domina o mercado ou é reconhecida pelo benefício do produto. ( ) Ancora-se em fatores psicológicos para evocar a superioridade do produto ou serviço com base em fatores externos a ele. ( ) Indicada para situações em que se usa um só argumento de venda, pois o produto apresenta uma vantagem competitiva duradoura, que pode ser comprovada. ( ) Baseia-se na emoção para influenciar o consumidor, além de fazer, com frequência, uso do humor.
Assinale a alternativa que mostra a relação correta, de cima para baixo
1. genérica 2. afetiva 3. de ressonância 4. proposição exclusiva de venda 5. imagem da marca
( ) Busca utilizar as experiências dos consumidores na tentativa de estabelecer o produto como o melhor a se comprar. ( ) É utilizada quando a marca domina o mercado ou é reconhecida pelo benefício do produto. ( ) Ancora-se em fatores psicológicos para evocar a superioridade do produto ou serviço com base em fatores externos a ele. ( ) Indicada para situações em que se usa um só argumento de venda, pois o produto apresenta uma vantagem competitiva duradoura, que pode ser comprovada. ( ) Baseia-se na emoção para influenciar o consumidor, além de fazer, com frequência, uso do humor.
Assinale a alternativa que mostra a relação correta, de cima para baixo
Provas
Questão presente nas seguintes provas
As técnicas de impressão desenvolvidas na era digital eliminaram
etapas e permitiram a personalização do trabalho. O processo em
que não há nem fotolito nem chapa, sendo a imagem criada por
meio de cargas elétricas nos cilindros metálicos internos das
máquinas, que atraem o pigmento e o transferem para o suporte,
é conhecido como
Provas
Questão presente nas seguintes provas
- JornalismoGêneros e Formatos JornalísticosTexto JornalísticoMídia Impressa
- Linguagens e Suportes MidiáticosLinguagem na Televisão e Telejornalismo
Sobre as características dos jornais impressos e a dos telejornais,
analise as afirmativas a seguir.
I. O repórter de jornal adota uma narrativa mais pessoal enquanto na TV, opta-se por uma postura mais impessoal de repórteres e âncoras. II. As notícias televisivas são um resumo dos principais acontecimentos do dia, na maioria das vezes, abordados de uma forma superficial e fragmentada. III. A notícia na mídia impressa ao ser construída em pirâmide invertida, empresta mais força à espetacularização do que a televisiva, constituída unicamente por off e passagem.
Assinale:
I. O repórter de jornal adota uma narrativa mais pessoal enquanto na TV, opta-se por uma postura mais impessoal de repórteres e âncoras. II. As notícias televisivas são um resumo dos principais acontecimentos do dia, na maioria das vezes, abordados de uma forma superficial e fragmentada. III. A notícia na mídia impressa ao ser construída em pirâmide invertida, empresta mais força à espetacularização do que a televisiva, constituída unicamente por off e passagem.
Assinale:
Provas
Questão presente nas seguintes provas
Cadernos
Caderno Container