Foram encontradas 1.172 questões.
Um sinal analógico pode ser multiplexado no tempo para otimizar a ocupação de
banda no meio de transmissão. Para realizar a transmissão de um sinal na forma
digital, o sinal analógico deve ser digitalizado.
Abaixo é mostrado um diagrama em blocos com as quatro etapas pelas quais um
sinal analógico deve passar, até estar pronto para ser transmitido digitalmente.

Para o sinal digital ser gerado corretamente, as etapas 1, 2, 3 e 4 são, respectivamente

Para o sinal digital ser gerado corretamente, as etapas 1, 2, 3 e 4 são, respectivamente
Provas
Questão presente nas seguintes provas
Ao escolher uma antena para uma aplicação específica, um engenheiro deve estar
atento às suas especificações, dentre as quais a diretividade.
A alternativa que define corretamente o conceito de diretividade de uma antena
é:
Provas
Questão presente nas seguintes provas
Um certo cabo coaxial tem o fator de velocidade de 0,8 (80%). Deseja-se cortar
um trecho desse cabo que tenha o tamanho equivalente a ¼ de comprimento de
onda na frequência de 50 MHz. O tamanho físico desse trecho de cabo será igual
a
Provas
Questão presente nas seguintes provas
Um guia de onda retangular é um tipo de linha de transmissão que é utilizado em
sistemas de comunicação que operam na faixa de micro-ondas. As dimensões internas (“a” e “b”, sendo a > b) definem a faixa de frequências em que um guia de
onda pode operar adequadamente.
Nos estudos teóricos de um guia de onda retangular, encontramos que podem
existir vários modos de propagação, tanto do tipo TEnm (transversal elétrico) como
do tipo TMnm (transversal magnético). Os vários modos TE e TM dependem de
constantes “n” e “m”, que são números inteiros.
Sobre esse tema, analise as afirmativas a seguir:
I) A menor frequência que pode ser utilizada adequadamente em um guia de onda retangular no modo TE10 depende somente da dimensão “a” e do dielétrico existente no interior do guia de onda. II) A maior frequência do sinal que pode ser utilizado em um guia de onda retangular de forma que se propague somente o modo TE10 depende das dimensões “a” e “b”. III) Para que o modo de propagação TEM (transversal eletromagnético) possa existir em um guia de onda retangular, a frequência mínima deve ser superior à frequência de corte dos modos TE e TM.
É CORRETO o que se afirma em:
Sobre esse tema, analise as afirmativas a seguir:
I) A menor frequência que pode ser utilizada adequadamente em um guia de onda retangular no modo TE10 depende somente da dimensão “a” e do dielétrico existente no interior do guia de onda. II) A maior frequência do sinal que pode ser utilizado em um guia de onda retangular de forma que se propague somente o modo TE10 depende das dimensões “a” e “b”. III) Para que o modo de propagação TEM (transversal eletromagnético) possa existir em um guia de onda retangular, a frequência mínima deve ser superior à frequência de corte dos modos TE e TM.
É CORRETO o que se afirma em:
Provas
Questão presente nas seguintes provas
Conforme a proteção conferida à pessoa pelo direito humano e fundamental à integridade física, é CORRETO afirmar que a interpretação atual da matéria na
Constituição da República Federativa do Brasil de 1988
Provas
Questão presente nas seguintes provas
Em muitos ohmímetros, a resistência dos cabos do instrumento é somada à resistência que se quer medir, causando um erro na medida, principalmente se o valor
da resistência a ser medida for da mesma ordem de grandeza da resistência dos
cabos. Alguns instrumentos resolvem esse problema através de uma ligação a
quatro fios, conforme mostrado no diagrama abaixo.

Essa ligação a quatro fios é chamada de

Essa ligação a quatro fios é chamada de
Provas
Questão presente nas seguintes provas
Abaixo está a reprodução de notícia sobre comercialização de produtos não homologados pela Anatel.
“A Agência Nacional de Telecomunicações (Anatel) apreendeu, entre terça (21) e sexta-feira (24), 5,7 mil produtos clandestinos em armazéns da Amazon. A mercadoria, avaliada em R$ 500 mil, era de telecomunicação e não estava homologada. A operação ocorreu em Betim (MG) e Cajamar (SP). De acordo com a Anatel, produtos como celulares, baterias portáteis e fones de ouvido sem fio foram apreendidos durante a fiscalização.” Fonte: https://g1.globo.com/df/distrito-federal/noticia/2022/06/26/anatel-apreende57-mil-produtos-clandestinos-em-armazens-da-amazon.ghtml, acessado em 05/12/2022.
A seguir são apresentas afirmativas sobre os objetivos do Certificado de Homologação de produtos expedido pela Anatel:
I) Permitir a comercialização ou utilização apenas de produtos que atendam aos requisitos de segurança e de não agressão ao meio ambiente.
II) Trabalhar em conjunto com a Receita Federal para controlar o preço dos produtos certificados.
III) Prover proteção e segurança aos usuários dos produtos para telecomunicações, facilitando identificação de produtos de origem “pirata”.
IV) Impedir a entrada no território nacional de de equipamentos fabricados no exterior.
É CORRETO apenas o que se afirma em:
“A Agência Nacional de Telecomunicações (Anatel) apreendeu, entre terça (21) e sexta-feira (24), 5,7 mil produtos clandestinos em armazéns da Amazon. A mercadoria, avaliada em R$ 500 mil, era de telecomunicação e não estava homologada. A operação ocorreu em Betim (MG) e Cajamar (SP). De acordo com a Anatel, produtos como celulares, baterias portáteis e fones de ouvido sem fio foram apreendidos durante a fiscalização.” Fonte: https://g1.globo.com/df/distrito-federal/noticia/2022/06/26/anatel-apreende57-mil-produtos-clandestinos-em-armazens-da-amazon.ghtml, acessado em 05/12/2022.
A seguir são apresentas afirmativas sobre os objetivos do Certificado de Homologação de produtos expedido pela Anatel:
I) Permitir a comercialização ou utilização apenas de produtos que atendam aos requisitos de segurança e de não agressão ao meio ambiente.
II) Trabalhar em conjunto com a Receita Federal para controlar o preço dos produtos certificados.
III) Prover proteção e segurança aos usuários dos produtos para telecomunicações, facilitando identificação de produtos de origem “pirata”.
IV) Impedir a entrada no território nacional de de equipamentos fabricados no exterior.
É CORRETO apenas o que se afirma em:
Provas
Questão presente nas seguintes provas
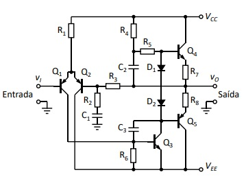
Abaixo é mostrado o diagrama esquemático de um amplificador de potência de
áudio. Por causa de um problema de fabricação, os diodos D1 e D2 passaram a
se comportar como curto-circuito.

O efeito que esse problema causará no funcionamento do amplificador está corretamente descrito em:

O efeito que esse problema causará no funcionamento do amplificador está corretamente descrito em:
Provas
Questão presente nas seguintes provas
A norma brasileira NR 14565 especifica um cabeamento estruturado para edifício
ou um conjunto de edifícios (denominado “Campus”). Ela discrimina as classes e
as categorias de desempenho para um cabeamento estruturado.
Dentre as classes mostradas a seguir, a especificada para uma largura de banda
de 500 MHz é:
Provas
Questão presente nas seguintes provas
O endereçamento IPv-4 sem classes foi desenvolvido e implementado para resolver o problema do esgotamento dos endereços de classes e oferecer acesso à
internet a um número maior de organizações. Nesse método de endereçamento,
os endereços são concedidos em blocos. Uma forma de definir o primeiro e o último endereço de um bloco de endereços é utilizar qualquer endereço do bloco e
a máscara.
Um dos endereços IP de um bloco de endereços é 201.32.134.39 /26, onde a máscara está representada utilizando-se a notação CIDR (Classless Inter-Domain
Routing).
O primeiro endereço desse bloco é
Provas
Questão presente nas seguintes provas
Cadernos
Caderno Container