Foram encontradas 1.140 questões.
A respeito das características de transistores MOSFET e TBJ, julgue o item subsequente.
TBJ, ao contrário de MOSFET, são dispositivos com terminais assimétricos. O fluxo de corrente nos MOSFET é determinado por um único tipo de portador de carga, ao passo que o fluxo de corrente nos TBJ é determinado simultaneamente por elétrons livres e elétrons de valência.
Provas
Questão presente nas seguintes provas
A respeito das características de transistores MOSFET e TBJ, julgue o item subsequente.
O efeito de corpo em transistores MOSFET, que ocorre quando os terminais de fonte e substrato são conectados em potenciais diferentes, tende a aumentar a magnitude da tensão de limiar. Portanto, o terminal de corpo pode ser utilizado como uma porta adicional para controle da corrente de dreno. Para funcionamento apropriado do transistor, o terminal de corpo deve ser sempre conectado ao potencial mais negativo do circuito em dispositivos NMOS, ou ao potencial mais positivo do circuito em dispositivos PMOS.
Provas
Questão presente nas seguintes provas
A respeito das características de transistores MOSFET e TBJ, julgue o item subsequente.
O efeito da modulação do comprimento do canal em transistores MOSFET, que ocorre para valores relativamente altos da tensão de dreno, faz que a resistência incremental de saída do MOSFET, observada entre seus terminais de dreno e fonte, seja finita, ao contrário da idealização infinita. Em geral, quanto maior o comprimento do canal, mais pronunciado é o efeito de corpo.
Provas
Questão presente nas seguintes provas
A respeito das características de transistores MOSFET e TBJ, julgue o item subsequente.
Em amplificadores implementados com MOSFET, a transcondutância para pequenos sinais é um parâmetro que depende somente das características físicas e geométricas do MOSFET.
Provas
Questão presente nas seguintes provas

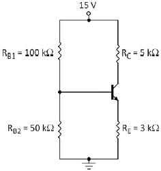
O esquema acima ilustra um circuito de polarização empregando um TBJ do tipo npn. Considerando que a tensão do terminal de base esteja 0,7 V acima daquela do terminal de emissor, e que o ganho de corrente de emissor comum (!$ \mathrm{\beta} !$) seja igual a 200, julgue o item que se segue.
O esquema do circuito em questão pode ser utilizado para amplificação de sinais conectados capacitivamente ao terminal de base, adotando-se a configuração emissor comum. Nessa situação, o ganho de tensão é diretamente proporcional à resistência RC, que pode ser selecionada como arbitrariamente alta. Por sua vez, o resistor RE, que é normalmente conectado em paralelo a um capacitor de desvio, é imprescindível para garantir estabilização do ponto de operação diante de eventuais variações térmicas.
Provas
Questão presente nas seguintes provas

O esquema acima ilustra um circuito de polarização empregando um TBJ do tipo npn. Considerando que a tensão do terminal de base esteja 0,7 V acima daquela do terminal de emissor, e que o ganho de corrente de emissor comum (!$ \mathrm{\beta} !$) seja igual a 200, julgue o item que se segue.
A diferença de potencial entre os terminais de coletor e emissor é superior a 4,5 V, comprovando que o TBJ opera no modo ativo.
Provas
Questão presente nas seguintes provas

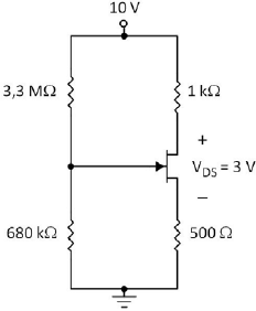
O circuito de polarização acima é implementado com um transistor de efeito de campo de junção JFET do tipo canal n. Esse circuito, utilizado em projetos de amplificadores de tensão, possui uma diferença de potencial entre dreno e fonte fixada em VDS = 3 V. Considerando esse circuito, julgue o próximo item.
A dissipação de potência pelo JFET, nesse circuito, é superior a 10 mW.
Provas
Questão presente nas seguintes provas

O circuito de polarização acima é implementado com um transistor de efeito de campo de junção JFET do tipo canal n. Esse circuito, utilizado em projetos de amplificadores de tensão, possui uma diferença de potencial entre dreno e fonte fixada em VDS = 3 V. Considerando esse circuito, julgue o próximo item.
Para que o JFET conduza corrente e estabeleça VDS = 3 V, é necessário que a tensão de limiar Vp (ou tensão de estrangulamento) desse dispositivo seja maior que VGS = -0,7 V (diferença de potencial entre porta e fonte do JFET).
Provas
Questão presente nas seguintes provas
Com relação às regiões de operação de um TBJ, julgue o item a seguir.
Transistores TBJ npn e pnp são empregados em circuitos amplificadores e circuitos lógicos. Em aplicações de amplificação, os TBJ são polarizados no modo ativo, no qual é possível obter uma relação linear entre o sinal de saída e o sinal de entrada. Em aplicações lógicas, por sua vez, explora-se o comportamento não-linear dos TBJ, os quais são forçados a operar em saturação ou em corte, dependendo do nível do sinal de entrada.
Provas
Questão presente nas seguintes provas
Com relação às regiões de operação de um TBJ, julgue o item a seguir.
Na característica corrente versus tensão do TBJ pnp, existem, basicamente, três modos, ou regiões de operação identificáveis: ativo, saturação e corte. A região de operação é determinada pela polarização entre os terminais de emissor, base e coletor do transistor. No modo ativo, a junção emissor-base (JEB) é reversamente polarizada, ao passo que a junção coletor-base (JCB) é diretamente polarizada. No modo saturação, as junções JEB e JCB são diretamente polarizadas; e o modo corte é caracterizado pela polarização reversa das junções JEB e JCB.
Provas
Questão presente nas seguintes provas
Cadernos
Caderno Container