Foram encontradas 927 questões.
O radar pode medir a velocidade de um objeto com um único pulso, baseado em:
Provas
Um técnico eletrônico foi chamado para especificar um equipamento eletrônico. Um radar portátil precisa ter alimentação elétrica com as seguintes tensões: +100VDC, +50VCD, +20VDC, +5VDC, -5VDC. A corrente é de aproximadamente 2A para cada tensão. A energia para o radar vem de um gerador portátil a gasolina. A especificação deixa claro que espera-se que o radar possa ser operado pelo maior tempo possível com o gerador. O equipamento eletrônico para alimentação do radar, que atenda a essas especificações, é:
Provas
Um computador está sendo instalado numa estação de medida remota, no alto de uma montanha, ligado a sensores meteorológicos. Há um painel solar e uma unidade de energia que provê a alimentação elétrica do computador. Os dados captados pelos sensores são processados pelo computador e transmitidos por rede sem fio. Considere as três afirmativas abaixo:
I – É possível conectar mais de um sensor ao computador.
II – O software executado pelo computador é necessariamente orientado a objetos.
III – A taxa de transferência de dados entre o computador remoto e computador receptor é limitada pela tecnologia usada na rede sem fio.
Provas
Um técnico foi chamado para instalar uma mini- central telefônica. A central recebe duas linhas externas, e tem oito ramais. Há um portão que deve ser acionado (aberto) quando um número for discado (como se fosse chamada a um ramal). Assinale a opção que indica como isso deve ser feito.
Provas
A viga contínua da figura com dois vãos está submetida a um carregamento uniformemente distribuído.

A reação de apoio em B é:
Provas
A treliça simplesmente apoiada da figura está submetida a cargas aplicadas nos pontos C e D.

Sabendo-se que a área da seção transversal das hastes desta treliça é igual a 6 cm2, a tensão na haste BD é:
Provas
Assinale a alternativa que apresenta corretamente a escala natural:
Provas
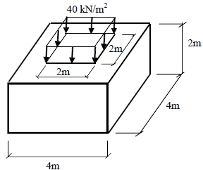
Um bloco de fundação de concreto de base quadrada (4m x 4m) tem 2m de altura. Este bloco está submetido a um carregamento uniformemente distribuído de 40 kN/m2 atuando em uma área quadrada (2m x 2m), conforme mostrado na figura.

Desprezando o peso próprio do bloco e considerando que ele está apoiada no terreno, a pressão atuante na base, supostamente uniformemente distribuída, vale:
Provas
As operações conduzidas em um canteiro de obras com a finalidade de garantir um material de acordo com as especificações e, consequentemente, com as exigências da obra tais como:
- verificação da dosagem utilizada pelo executor da obra,
- estudo de cada um dos materiais componentes do concreto,
- determinação da resistência a compressão simples,
- verificação por ensaio não destrutivo da resistência do concreto na estrutura,
- controle estatístico periódico das resistências obtidas;
constituem:
Provas
Com relação ao agregado graúdo considere as seguintes afirmações:
I – Deve ser proveniente exclusivamente do britamento de rochas estáveis como feldspatos e xistos.
II – Deve ter um máximo de 15% passando na peneira de 4,8mm.
III – Não é permitida a utilização de materiais provenientes da erosão, transporte e deposição de detritos de desagregação de rochas pelos agentes de intemperismo.
IV – Pode ser obtido de depósitos de seixos rolados.
V- Deve ter um mínimo de 50% passando na peneira de 10mm.
São corretas as afirmativas:
Provas
Caderno Container