Foram encontradas 746 questões.
O triângulo isósceles tem características próprias, dentre as quais é correto citar:
Provas
Observe as figuras.

(Arquivo pessoal; figuras usadas com autorização)
Na circunferência, a relação métrica do elemento secante é apresentada na figura
Provas
No Brasil, o diesel comercializado é uma mistura de oléo diesel de origem fóssil e de biodiesel. Atualmente, a porcentagem de biodiesel misturado ao óleo diesel é de 14% e com tendência de aumentar ao longo dos próximos anos. Com relação à mistura de óleo diesel e biodiesel pode-se afirmar que:
Provas
Em instalações pneumáticas, o ar é pressurizado com o uso de compressores e armazenado em reservatório para, posteriormente, ser distribuído aos equipamentos. Dois fatores utilizados para escolha do compressor de uma instalação de ar comprimido são: o fluxo volumétrico de ar comprimido que será necessário e o nível de ruído que o compressor gera. Assim, o tipo de compressor mais adequado para instalações com elevado consumo de ar e que não pode gerar muito ruído é o:
Provas
Em motores de combustão interna, quando se faz a retífica é necessário verificar a ovalização das camisas dos cilindros ao longo do comprimento da camisa. O instrumento de medição mais adequado para ser usado é o
Provas
Engrenagens são um dos elementos de máquinas mais utilizados quando se deseja mudar a rotação de um equipamento. Na figura a seguir, o motor elétrico possui uma rotação de 1 800 rpm e está acoplado no sistema de 4 engrenagens (o número de dentes de cada engrenagem está ao lado de cada engrenagem).

Para essa disposição, a rotação no eixo de saída é:
Provas
O Gerenciamento de Riscos Operacionais (GRO) é o conjunto de ações coordenadas de prevenção que tem por objetivo garantir aos trabalhadores condições e ambientes seguros e saudáveis. O GRO deve constituir um Programa de Gerenciamento de Riscos (PGR), que é a materialização do GRO por meio de documentos (físicos ou eletrônicos), visando a melhoria contínua das condições da exposição dos trabalhadores por meio de ações multidisciplinares e sistematizadas. O PGR deve ser composto no mínimo por dois documentos, que são:
Provas
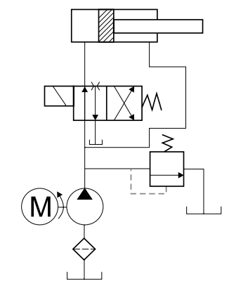
O circuito hidráulico da figura a seguir é utilizado para deslocamento horizontal de uma carga.

Nesse circuito, a velocidade de avanço do cilindro em comparação com a velocidade de retorno
Provas
Durante a utilização de um equipamento são necessárias intervenções programadas para substituição de componentes que possuem vida útil pré-determinada. Esse tipo de manutenção recebe o nome de:
Provas
A poluição gerada por veículos automotores é considerada um dos fatores das alterações climáticas que estão ocorrendo no planeta. Nos motores Diesel é comum se observar a emissão de fumaça preta pelo escapamento do veículo. Esse fenômeno, normalmente, ocorre devido:
Provas
Caderno Container