Foram encontradas 746 questões.
Os circuitos hidráulicos são acionados por uma bomba hidráulica que deve ser dimensionada em função do trabalho que os cilindros ou motores hidráulicos devem realizar. Em um circuito hidráulico utilizado em um sistema de levantamento de carga, um cilindro hidráulico que opera com uma pressão de 200 bar, deve deslocar uma carga com velocidade de 0,3 m/s e, para isso, é necessário que a vazão da bomba seja 0,3 l/s, determinar qual deve ser a potência da bomba de acionamento desse cilindro sabendo-se que o circuito possui um rendimento de 90%?
Dados: 1 bar = 1x105 N/m2 , 1 l = 0,001 m3 1 W = 1 Nm/s
Provas
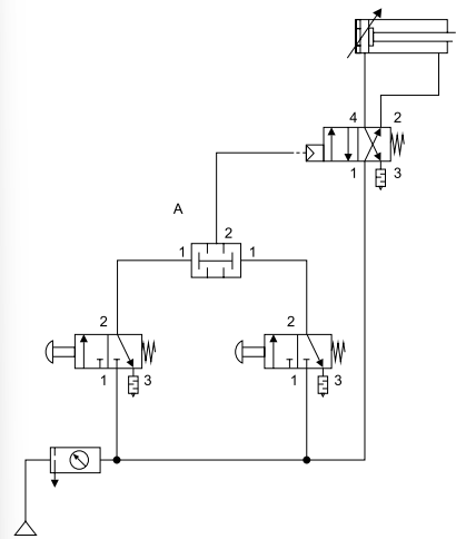
A figura a seguir mostra um circuito pneumático de uma máquina cortadora de papel.

A válvula indicada pela letra A possui uma função lógica do tipo:
Provas
Os motores elétricos de indução são os mais utilizados como sistema de acionamento em máquinas operatrizes, sistemas de levantamento de carga, acionamento de bombas hidráulicas, compressores etc. Isso deve-se ao fato de que esses motores têm baixos níveis de vibração, exigem pouca manutenção e possuem elevado rendimento, além de poderem ser ligados em instalações elétricas monofásicas ou trifásicas. Quando ligados em sistemas trifásicos, a potência elétrica de entrada no motor é sua potência nominal dividida pelo rendimento do motor (potência ativa). A potência de entrada possui duas componentes, a potência aparente e a potência reativa, que dependem do fator de potência da instalação. Essas três potências podem ser representadas pelo triângulo de potências. Com base nisso, um motor com potência nominal de 5 kW e rendimento de 90%, colocado em uma instalação com fator de potência igual a 0,8 possui uma potência aparente igual a:
Provas
Em um motor de combustão interna, que funciona segundo o ciclo Diesel, o ar é admitido, comprimido, o combustível é injetado na câmara de combustão e, devido as condições de temperatura e pressão da mistura ar e combustível, ocorre a combustão. A figura a seguir apresenta o diagrama real pressão-volume do ciclo termodinâmico para este tipo de motor.

O processo que representa a combustão está compreendido entre quais estados do ciclo?
Provas
A utilização de EPI’s durante o trabalho é de extrema importância para a saúde do trabalhador. Segundo a NR6, a responsabilidade pela limpeza, guarda e conservação do EPI é
Provas
Observe a figura a seguir:

Na união de peças mecânicas, os elementos mais utilizados são os parafusos. Os parafusos precisam ser apertados com a força adequada para que não ocorra afrouxamento ou desmontagem da junta parafusada. O parafuso M12x1,5 classe 10.9, mostrado na figura, deve ser apertado com uma força de 60 kN. Sabendo-se que a eficiência do aperto devido ao atrito é de 20%, qual é o torque a ser regulado no torquímetro?
Dados: T = D. F. k
Provas
Um dos instrumentos de medição mais utilizados para medição na indústria metalmecânica é o paquímetro. Ele é utilizado principalmente para medidas externas, de profundidade e de largura das peças durante os processos de fabricação e montagem. Na figura a seguir, qual é o valor da medida mostrada?

Provas
Considere o esquema elétrico de um circuito de comando mostrado na figura a seguir.

O relé de sobrecarga, o fusível de comando e o contato NA de K1 estão representados no esquema, respectivamente, por:
Provas
Conforme a Norma ABNT NBR 5410, o máximo valor percentual de queda de tensão permitido em qualquer ponto de utilização dessa instalação, calculado a partir dos terminais secundários do transformador de Média Tensão/Baixa Tensão de propriedade da unidade consumidora, é de:
Provas
De acordo com a NR10, o trabalhador previamente qualificado e com registro no competente conselho de classe é considerado um
Provas
Caderno Container