Foram encontradas 150 questões.
Para resistir a uma dada tensão à qual é submetido em trabalho, um tubo deve apresentar uma espessura mínima. A fórmula
de Barlow expressa o valor da espessura mínima necessária para um tubo sob pressão, em função da tensão admissível para
o material do tubo, da pressão interna e do seu diâmetro externo. Suponha que uma tubulação de aço será utilizada para
transportar um fluido sob pressão de 5 MPa. O diâmetro externo do tubo é de 400 mm, e o fator de segurança adotado no
projeto da tubulação é igual a 4. Considerando que a tensão limite do material da tubulação é de 500 MPa, qual deve ser a
espessura mínima da parede da tubulação, desconsiderando a corrosão?
Provas
Questão presente nas seguintes provas
O teste de estanqueidade é um procedimento realizado para verificar se um sistema de tubulações, equipamentos, ou recipientes está vedado corretamente, sem vazamentos de fluidos (gases ou líquidos). As etapas principais do teste são parecidas
entre sistemas hidráulicos e de gás, mas a metodologia e os critérios de segurança são diferentes devido às características
dos fluidos testados. Qual método pode ser utilizado para identificar vazamentos na etapa principal de um teste de estanqueidade pneumático?
Provas
Questão presente nas seguintes provas
Para garantir a segurança da operação de um sistema de tubulações, uma série de testes deve ser realizada após a intervenção para reparos ou modificações no sistema, como testes de pressão e temperatura. Algumas medidas são, ainda, necessárias para liberação do sistema para funcionamento. Antes do comissionamento de uma tubulação, as seguintes medidas são
indispensáveis, EXCETO:
Provas
Questão presente nas seguintes provas
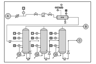
O diagrama de tubulação e instrumentação é um documento típico que apresenta esquema de tubulação e instrumentação de uma unidade industrial, indicando como os equipamentos de processo industrial são interconectados por um sistema de tubulações e respectivo sistema de instrumentação. O diagrama abaixo é utilizado para representar sistemas de evaporação da água.

Qual ícone, a seguir, representa um aquecedor no diagrama anterior?
Provas
Questão presente nas seguintes provas
A proteção catódica é uma técnica utilizada para controle da corrosão em tubulações enterradas ou submersas em solos
muito agressivos, ou onde a ocorrência de correntes elétricas de grande intensidade seja possível. A norma ANSI/ASME
B.31.1 considera obrigatória a proteção catódica em todas as tubulações enterradas de materiais sujeitos à corrosão, exceto
em situações em que se ateste a falta de necessidade dessa proteção nos tubos. Sobre a proteção catódica de tubulações
industriais, assinale a afirmativa INCORRETA.
Provas
Questão presente nas seguintes provas
Sobre os cuidados durante a entrega de tubulações após reparos ou modificações, marque V para as afirmativas verdadeiras
e F para as falsas.
( ) É necessário verificar a integridade das tubulações antes de retirar as raquetes, para evitar danos ou movimentação não controlada da estrutura.
( ) As raquetes devem ser retiradas imediatamente após o teste de vazamento, independentemente da pressão interna da tubulação.
( ) Após os reparos, é importante realizar testes de vazamento antes da liberação final da tubulação para operação.
A sequência está correta em
( ) É necessário verificar a integridade das tubulações antes de retirar as raquetes, para evitar danos ou movimentação não controlada da estrutura.
( ) As raquetes devem ser retiradas imediatamente após o teste de vazamento, independentemente da pressão interna da tubulação.
( ) Após os reparos, é importante realizar testes de vazamento antes da liberação final da tubulação para operação.
A sequência está correta em
Provas
Questão presente nas seguintes provas
Na indústria existe uma grande variedade de aplicações para tubulações. Entre os casos mais importantes de emprego das
tubulações industriais é possível citar a condução de fluidos, como água, óleo e gases. Devido à variedade das aplicações das
tubulações industriais, a seleção de materiais para fabricação de tubos para a indústria pode representar um problema de
engenharia. O que torna tão complexa a escolha do material para confeccionar tubos para uma tubulação industrial?
Provas
Questão presente nas seguintes provas
Antes de iniciar o processo de montagem de qualquer sistema de tubulação, algumas etapas de preparação devem ser observadas, a fim de garantir o sucesso do trabalho a ser realizado, como a disposição dos equipamentos em suas devidas posições,
com sistemas de suporte devidamente prontos. É essencial garantir o nivelamento adequado de todos os componentes durante
a montagem de uma tubulação industrial para:
Provas
Questão presente nas seguintes provas
Em tubulações industriais, todas as soldas realizadas devem ser verificadas e submetidas a exames para identificação de
possíveis falhas, como trincas, poros e inclusões. Um dos testes realizados em soldas é a radiografia. Antes de se iniciar o
teste, é necessário determinar o tempo de exposição à radiação pela peça ensaiada, calculado a partir do fator de exposição
FE = (A x t) / d2
, onde:
• A é a atividade da fonte radioativa em milicurie (mCi); • t é o tempo de exposição à radiação em minutos (min); • d é a distância fonte-filme (dff) em cm (cm).
No gráfico a seguir, o fator de exposição é correlacionado à espessura de uma peça, em função de uma determinada densidade radiográfica D, que determina a nitidez da imagem gerada pela radiografia.
Em determinada tubulação, a parede de um tubo foi soldada durante uma manutenção. Sua espessura final no cordão de solda atingiu 25 mm. Uma gamagrafia com Ir 192 como fonte foi realizada para ensaiar a solda. Considerando o gráfico, bem com os dados d = 80 cm A (Ir 192) = 20.000 mCiD = 2, qual o tempo de exposição para ensaiar a peça soldada?
• A é a atividade da fonte radioativa em milicurie (mCi); • t é o tempo de exposição à radiação em minutos (min); • d é a distância fonte-filme (dff) em cm (cm).
No gráfico a seguir, o fator de exposição é correlacionado à espessura de uma peça, em função de uma determinada densidade radiográfica D, que determina a nitidez da imagem gerada pela radiografia.
Em determinada tubulação, a parede de um tubo foi soldada durante uma manutenção. Sua espessura final no cordão de solda atingiu 25 mm. Uma gamagrafia com Ir 192 como fonte foi realizada para ensaiar a solda. Considerando o gráfico, bem com os dados d = 80 cm A (Ir 192) = 20.000 mCiD = 2, qual o tempo de exposição para ensaiar a peça soldada?
Provas
Questão presente nas seguintes provas
A NBR 6493 fixa as condições exigíveis para o emprego de cores em tubulações para a canalização de fluidos e material
fragmentado ou condutores elétricos. Qual é a principal função da padronização das cores das tubulações em uma instalação
industrial?
Provas
Questão presente nas seguintes provas
Cadernos
Caderno Container