Magna Concursos

Foram encontradas 721 questões.

Nos diversos meios de comunicação, a transmissão de dados pode ser realizada em diferentes modos, de acordo com os requisitos da aplicação. Por exemplo, em uma aplicação de supervisão do sistema viário no qual há a comunicação entre a central de supervisão e um semáforo, a comunicação pode ser feita em modo half-duplex, que se caracteriza por
 

Provas

Questão presente nas seguintes provas
Amplificadores utilizados em comunicação RF podem ser classificados, por exemplo, como sendo da classe A de operação. Nessa classe de operação
 

Provas

Questão presente nas seguintes provas
O meio de comunicação que utiliza a infraestrutura de comunicação telefônica cabeada, denominada ADSL, é muito útil e confiável se comparada à comunicação sem fio. Dentre as tecnologias de modulação/codificação utilizadas no ADSL, a que realiza a modulação/codificação simultânea em amplitude e fase, é denominada
 

Provas

Questão presente nas seguintes provas

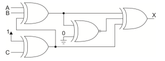
Considere o circuito abaixo construído a partir de portas lógicas típicas.

Enunciado 611006-1

A saída X apresentará o valor

 

Provas

Questão presente nas seguintes provas

Considere a função abaixo:

Enunciado 611005-1

A função é equivalente a

 

Provas

Questão presente nas seguintes provas

Considere três números apresentados abaixo, cada um escrito em um sistema de numeração diferente:

190,C hexadecimal.

620,6 octal.

110010000,11 binário.

Sobre esses números é correto afirmar que

 

Provas

Questão presente nas seguintes provas
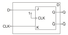
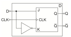
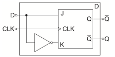
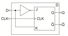
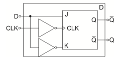
A construção correta para um flip-flop tipo D disparado pela borda do seu clock, a partir de um flip-flop J-K, é:
 

Provas

Questão presente nas seguintes provas

Para implementar a função abaixo:

Enunciado 611002-1

pode-se utilizar o multiplexador:

Enunciado 611002-2

Considerando-se que X será associado à saída Y, e as variáveis A, B e C serão associadas às entradas de controle A, B e C, o estado das entradas Ei será:

 

Provas

Questão presente nas seguintes provas
611001 Ano: 2017
Disciplina: Engenharia Elétrica
Banca: FCC
Orgão: ARTESP

O circuito abaixo possui uma fonte de corrente contínua I = 15 mA, que alimenta um circuito com cinco resistores:

Enunciado 611001-1

O valor da tensão no ponto C (VC) é

 

Provas

Questão presente nas seguintes provas
611000 Ano: 2017
Disciplina: Engenharia Elétrica
Banca: FCC
Orgão: ARTESP
Os sensores de temperatura do tipo Termistor são fabricados com diferentes tipos de materiais, e destinadas para aplicações específicas, que são padronizadas mundialmente. Caso um engenheiro eletricista tenha que escolher um Termistor para ser utilizado em ambiente externo, ou seja, que tem efeito oxidante, redutor e inerte, para medir temperaturas na faixa de −40 °C até 350 °C, o tipo de Termistor escolhido deverá ser o
 

Provas

Questão presente nas seguintes provas