Foram encontradas 70 questões.

Um wattímetro está conectado ao circuito elétrico ilustrado na figura, onde BC indica a bobina de corrente e BP indica a bobina de potencial. A potência, em watts, indicada pelo wattímetro, é
Provas

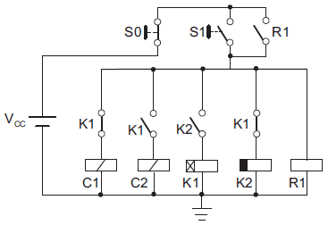
A figura acima apresenta o circuito de controle de duas máquinas trifásicas, comandadas por intermédio dos contatores C1 e C2. As chaves S0 e S1 são do tipo sem retenção. A ação de acionar uma chave significa apertá-la e, em seguida, deixá-la retornar à sua posição inicial. O relé K1 é do tipo com retardo na ligação, programado para 20 minutos. O relé K2 é do tipo com retardo no desligamento, programado para 10 minutos. Com o sistema em condições normais de funcionamento, considere que o operador tenha acionado a chave S0 e, após 1 minuto, a chave S1. Nessa situação, sem que haja novas interferências do operador, analise as seguintes afirmativas:
I - quando uma das máquinas estiver em funcionamento, a outra estará desligada;
II - a máquina acionada pelo contator C1 funcionará de maneira cíclica, permanecendo ligada por 20 minutos e desligada por 10 minutos a cada 30 minutos;
III - a cada 60 minutos, o relé K2 permanecerá desligado por 30 minutos;
IV - a máquina acionada pelo contator C2 funcionará por 20 minutos a cada hora.
São corretas APENAS as afirmativas
Provas
Provas
Provas

Uma fonte de tensão contínua com valor nominal Vo e com resistência interna ri é ligada a uma carga RL. O gráfico da figura acima mostra a potência dissipada na carga quando RL varia de um valor próximo de zero até 10 ohms. Com base nos dados do gráfico, qual o valor nominal da tensão da fonte (Vo)?
Provas
Provas
Nas colunas abaixo encontram-se listados os acessórios para válvulas de controle e as descrições das funções destes acessórios.
I - Chaves Limite
II - Volantes
III - Posicionadores
IV - Transmissores de Posição
P - São servo-amplificadores cuja função é assegurar o correto posicionamento da haste da válvula, de acordo com o sinal de comando enviado pelo controlador.
Q - Destinam-se a fornecer a indicação remota de certas posições da válvula, geralmente se a mesma está totalmente aberta ou fechada.
R - Permitem a manipulação da válvula de controle de forma independente do sinal de controle.
S - Exercem função de piloto ou comando, fazendo com que o ar de comando passe para o atuador, ou desvie do atuador para a atmosfera, realizando a abertura ou fechamento da válvula de controle.
T - Detectam a posição da haste da válvula, transformando-a num sinal padronizado a ser transmitido para indicadores.
A associação correta entre as colunas é
Provas

Analisando o Diagrama de Bode da função de transferência em malha aberta de um sistema de 3a ordem com fase mínima apresentado acima, pode-se afirmar que a margem de
Provas

Um Disk-driver magnético requer um motor para posicionar a cabeça de leitura do disco, cujo sistema é modelado pela função !$ G(s) = { \large 10\tau \over s(\tau s+1)} !$ onde !$ \tau = 0,25 !$ segundo. Considerando um compensador do tipo !$ H(s) = { \large K \over s +8} !$ e usando a estrutura de realimentação mostrada na figura, qual o valor do ganho K no limiar para a instabilidade?
Provas
No esquema apresentado na figura, calcula-se a razão entre as vazões dos fluidos A e B por medição individual de cada vazão e envio das mesmas a um relé divisor. A saída do relé alimenta o controlador indicador de razão de vazão, cujo ponto de operação é fixado como a razão desejada. Qualquer variação na razão entre as duas vazões é detectada por este controlador, que manipula a vazão de B para manter o valor desejado da razão.

Segundo a norma ISA S 5.1, a disposição das letras da identificação do controlador indicador de razão de vazão da figura é
Provas
Caderno Container