Foram encontradas 1.411 questões.
Considere uma seção circular e outra quadrada de mesma área. O momento de inércia de área em relação ao eixo que passa pelo centróide da área do quadrado é
Provas
Questão presente nas seguintes provas
A rigidez elástica de uma mola é calculada pela expressão
, onde d é o diâmetro do arame, G é o módulo de elasticidade transversal do material, D é o diâmetro médio da espira e N é o número de espiras. Se, de uma mola com rigidez de 1000 N/m e 10 espiras, forem retiradas duas espiras, sua rigidez, em N/m, será de
Provas
Questão presente nas seguintes provas

Considere o projeto de uma peça baseado em um ponto sujeito a um estado plano de tensões, de modo que as tensões principais, σ1 e σ2 (ambas diferentes de zero), sejam de sinais opostos. Os critérios de resistência representados pelas curvas A, B e C na região do plano σ1 - σ2 , mostrada na figura, estabelecem que o critério
Provas
Questão presente nas seguintes provas
Em entrevista recente a um jornal de circulação nacional, o cientista-chefe de uma empresa de alta tecnologia afirmou que parte da demanda mundial de energia pode ser suprida pelo aproveitamento da diferença de temperatura que existe entre a superfície e os extratos mais inferiores dos oceanos. Supondo que a temperatura superficial dos mares da costa brasileira é de 27 º C e que a temperatura inferior é aproxima- damente igual a 3 º C, o maior rendimento possível de uma máquina térmica, operando em um ciclo termodinâmico, em %, é de
Provas
Questão presente nas seguintes provas
Considere o enunciado a seguir para responder à questão.
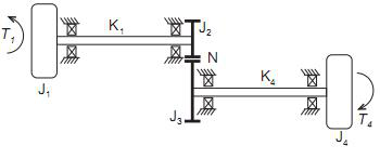
Na figura abaixo é apresentado um par de eixos flexíveis acoplados por engrenagens (com relação de transmissão N), juntamente com os mancais de apoio e as inércias associadas às engrenagens e aos volantes conectados, respectivamente, na entrada e saída dos eixos. Indicam-se, também, as fontes de torque externas presentes neste sistema mecânico de rotação. Supõe-se, para fins de modelagem, que as engrenagens são rígidas e não existe deslizamento entre os seus dentes.

Quando se trava a engrenagem correspondente, o sistema formado pela inércia J1 de 100 kg.m2 conectada ao eixo com rigidez K1 pode se representado por um massa-mola de um grau de liberdade, com freqüência natural de 50 Hz.
Assim, a rigidez do eixo é de
Na figura abaixo é apresentado um par de eixos flexíveis acoplados por engrenagens (com relação de transmissão N), juntamente com os mancais de apoio e as inércias associadas às engrenagens e aos volantes conectados, respectivamente, na entrada e saída dos eixos. Indicam-se, também, as fontes de torque externas presentes neste sistema mecânico de rotação. Supõe-se, para fins de modelagem, que as engrenagens são rígidas e não existe deslizamento entre os seus dentes.

Quando se trava a engrenagem correspondente, o sistema formado pela inércia J1 de 100 kg.m2 conectada ao eixo com rigidez K1 pode se representado por um massa-mola de um grau de liberdade, com freqüência natural de 50 Hz.
Assim, a rigidez do eixo é de
Provas
Questão presente nas seguintes provas

Um caminhão-tanque se move sobre uma pista ligeiramente inclinada em relação à direção horizontal. Em um determinado instante, constata-se que a superfície livre do líquido no interior do tanque está paralela à base do reservatório, conforme indicado na figura. Nesta condição, relativamente à pista, o veículo está
Provas
Questão presente nas seguintes provas
Duas vigas, uma bi-apoiada e outra engastada em uma das extremidades, ambas de mesmo comprimento, mesma seção transversal e mesmo material, se deformam quando sujeitas à aplicação de uma força F. Considerando que a força é aplicada no meio do comprimento de cada uma das vigas, a tensão normal máxima ocorrente em cada uma ocorre na seção de
Provas
Questão presente nas seguintes provas

A treliça de três barras da estrutura mostrada na figura está sujeita à carga F aplicada ao pino C. Nesta situação, a força de compressão atuante na barra AB vale
Provas
Questão presente nas seguintes provas
Os cilindros de trabalho em um laminador do tipo quádruo têm, em geral, diâmetros menores que os cilindros de encosto. Isto acontece porque permitem uma área de contato
Provas
Questão presente nas seguintes provas
Um motor de corrente contínua com ímã permanente, cuja tensão de controle é alimentada através das escovas conectadas ao rotor, possui ganhos KV (Nm/V) e !$ K_{\omega} !$ (Nm/rad/s), correspondentes aos coeficientes angulares das curvas de desempenho (torque disponível x velocidade de rotação) mostradas no gráfico a seguir, para valores distintos da tensão de alimentação, com |V1| < |V2| < |V3|.

Quando este motor está girando a !$ \omega !$ rpm, o torque fornecido no seu eixo, medido por uma célula de carga, é de T Nm. Nestas condições, a tensão de alimentação V (Volts) é de
Provas
Questão presente nas seguintes provas
Cadernos
Caderno Container