Foram encontradas 658 questões.
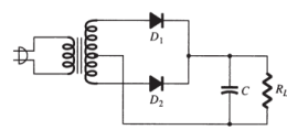
Analise o circuito abaixo:

Assinale a alternativa correta sobre o circuito apresentado.
Provas
Questão presente nas seguintes provas
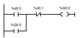
Os CLPs (Controladores Lógicos Programáveis)
possuem várias linguagens de programação realizadas de forma gráfica.
Assinale a alternativa que identifica corretamente a linguagem de programação apresentada na figura.
Assinale a alternativa que identifica corretamente a linguagem de programação apresentada na figura.
Provas
Questão presente nas seguintes provas
A resposta de um sistema de controle está diretamente relacionada com a localização dos polos de
malha fechada.
Um método gráfico de representação no plano complexo para a determinação da localização de todos os polos de malha fechada a partir do conhecimento da localização dos polos e zeros de malha aberta, quando um parâmetro (geralmente o ganho) varia de zero a infinito, é conhecido como:
Um método gráfico de representação no plano complexo para a determinação da localização de todos os polos de malha fechada a partir do conhecimento da localização dos polos e zeros de malha aberta, quando um parâmetro (geralmente o ganho) varia de zero a infinito, é conhecido como:
Provas
Questão presente nas seguintes provas
Assinale a alternativa correta sobre os controladores PID aplicados em sistemas de controle industriais.
Provas
Questão presente nas seguintes provas
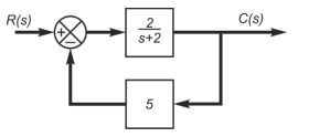
O diagrama de blocos ilustrado na figura abaixo
representa um sistema em malha fechada em que o
sinal de entrada é denotado por R(s) e o sinal de saída
por C(s).
Assinale a alternativa que indica corretamente a função de transferência C(s)/R(s) do sistema.
Assinale a alternativa que indica corretamente a função de transferência C(s)/R(s) do sistema.
Provas
Questão presente nas seguintes provas
Os CLPs (Controladores Lógicos Programáveis)
são compostos por diferentes módulos ou unidades.
Assinale a alternativa correta em relação à unidade de entrada e saída.
Assinale a alternativa correta em relação à unidade de entrada e saída.
Provas
Questão presente nas seguintes provas
Considere o circuito digital ilustrado na figura, onde as entradas são indicadas pelas letras A até D e a saída é indicada pela letra S:

Assinale a alternativa que determina a expressão booleana característica do circuito:
Provas
Questão presente nas seguintes provas
Diferentes componentes eletrônicos são utilizados na automação industrial, sendo necessário conhecer suas variadas formas de representação, como na
figura a seguir:
Assinale a alternativa de identifica corretamente o tipo de componente eletrônico presente no circuito integrado apresentado na figura.
Assinale a alternativa de identifica corretamente o tipo de componente eletrônico presente no circuito integrado apresentado na figura.
Provas
Questão presente nas seguintes provas
Uma das recomendações principais na instalação
elétrica é não utilizar fio condutor (isolado) de bitola
menor que:
Provas
Questão presente nas seguintes provas
Analise as afirmativas abaixo em relação aos
sistemas de acionamento e controle de motores em
corrente contínua.
1. Abaixo da velocidade nominal, se forem mantidas constantes a corrente de armadura e a de campo, o torque mecânico é constante.
2. Com o torque constante, a potência eletromecânica aumenta linearmente com a velocidade.
3. Acima da velocidade nominal deve-se controlar a excitação de campo para evitar a saturação magnética do rotor.
Assinale a alternativa que indica todas as afirmativas corretas.
1. Abaixo da velocidade nominal, se forem mantidas constantes a corrente de armadura e a de campo, o torque mecânico é constante.
2. Com o torque constante, a potência eletromecânica aumenta linearmente com a velocidade.
3. Acima da velocidade nominal deve-se controlar a excitação de campo para evitar a saturação magnética do rotor.
Assinale a alternativa que indica todas as afirmativas corretas.
Provas
Questão presente nas seguintes provas
Cadernos
Caderno Container