Magna Concursos

Foram encontradas 1.125 questões.

2329440 Ano: 2022
Disciplina: Engenharia Eletrônica
Banca: FEPESE
Orgão: CASAN-SC

Considere um sistema de controle com ganho proporcional Kp cuja função de transferência em malha fechada seja dada por:

!$ { \large C(S) \over R(S)} = { \large K_p \over s( s + 1) (s +2) + K_p} !$

Onde C(s) e R(s) correspondem à entrada e à saída do sistema, respectivamente.

Assinale a alternativa que representa a faixa de valores do ganho Kp para que o sistema seja estável.

 

Provas

Questão presente nas seguintes provas
2329439 Ano: 2022
Disciplina: Engenharia Eletrônica
Banca: FEPESE
Orgão: CASAN-SC

A norma IEC 61131-3 estabelece a padronização internacional de linguagens, a estrutura de software e a execução de programas em CLPs. Além das linguagens gráficas também podem ser utilizadas linguagens textuais.

Assinale a alternativa que inclui apenas as linguagens textuais estabelecidas pela norma.

 

Provas

Questão presente nas seguintes provas
2329438 Ano: 2022
Disciplina: Engenharia Eletrônica
Banca: FEPESE
Orgão: CASAN-SC

Assinale a alternativa correta sobre a arquitetura e aplicação de sistemas supervisórios.

 

Provas

Questão presente nas seguintes provas
2329437 Ano: 2022
Disciplina: Engenharia Eletrônica
Banca: FEPESE
Orgão: CASAN-SC

Assinale a alternativa correta sobre os módulos de entradas e saídas utilizados na integração dos Controladores Lógicos Programáveis (CLP) com os processos industriais.

 

Provas

Questão presente nas seguintes provas
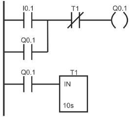
2329436 Ano: 2022
Disciplina: Engenharia Eletrônica
Banca: FEPESE
Orgão: CASAN-SC

O programa Ladder exibido na figura está programado em um CLP. A ligação física do CLP inclui um atuador conectado à saída digital Q0.1 e um botão do tipo impulso que, ao ser pressionado, ativa a entrada digital I0.1. A programação inclui ainda um temporizador T1 com atraso na ligação.

Enunciado 3493084-1

Considerando que após iniciar o sistema o operador manteve o botão acionado por 2 segundos e depois o liberou definitivamente, assinale a alternativa que descreve corretamente o comportamento do sistema.

 

Provas

Questão presente nas seguintes provas
2329435 Ano: 2022
Disciplina: Engenharia Eletrônica
Banca: FEPESE
Orgão: CASAN-SC

Assinale a alternativa correta sobre as características dos sensores de temperatura.

 

Provas

Questão presente nas seguintes provas
2329434 Ano: 2022
Disciplina: Engenharia Eletrônica
Banca: FEPESE
Orgão: CASAN-SC

A medição de nível em estações de tratamento e reservatórios de água pode ser realiza por diferentes tipos de sensores.

Assinale a alternativa correta sobre os sensores de nível.

 

Provas

Questão presente nas seguintes provas
2329433 Ano: 2022
Disciplina: Engenharia Eletrônica
Banca: FEPESE
Orgão: CASAN-SC

A medição de vazão em estações de tratamento de água e esgoto é um processo rotineiro.

Analisando os tipos de medidores de vazão e suas características, assinale a alternativa correta.

 

Provas

Questão presente nas seguintes provas
2329432 Ano: 2022
Disciplina: Engenharia Elétrica
Banca: FEPESE
Orgão: CASAN-SC

A ponte de Wheatstone é um circuito útil para instrumentação de sensores resistivos pois permite a determinação de uma resistência elétrica desconhecida.

A figura a seguir mostra um circuito montado para esta finalidade.

Enunciado 3493080-1

Considerando que a tensão indicada pelo voltímetro é de 1 volt, assinale a alternativa que indica corretamente o valor da resistência desconhecida Rx.

 

Provas

Questão presente nas seguintes provas
2329431 Ano: 2022
Disciplina: Engenharia Elétrica
Banca: FEPESE
Orgão: CASAN-SC

Assinale a alternativa correta sobre os métodos físicos de transmissão de dados em redes de comunicação industriais.

 

Provas

Questão presente nas seguintes provas