Magna Concursos

Foram encontradas 50 questões.

1901566 Ano: 2014
Disciplina: Eletroeletrônica
Banca: EXATUS
Orgão: CEB

Assinale a alternativa que corresponde ao circuito apresentado abaixo:

enunciado 1901566-1

 

Provas

Questão presente nas seguintes provas
1901565 Ano: 2014
Disciplina: Eletroeletrônica
Banca: EXATUS
Orgão: CEB

Utilizando a álgebra booleana, assinale a alternativa que representa a simplificação máxima da expressão \(Y = A\overline{B}\overline{C} + \overline{A}\overline{B}C + A\overline{B}C + \overline{A}BC\):

 

Provas

Questão presente nas seguintes provas
1901564 Ano: 2014
Disciplina: Eletroeletrônica
Banca: EXATUS
Orgão: CEB
Quanto ao funcionamento dos transistores de efeito de campo (FET), assinale a alternativa correta:
 

Provas

Questão presente nas seguintes provas
1901563 Ano: 2014
Disciplina: Eletroeletrônica
Banca: EXATUS
Orgão: CEB
O amplificador operacional é um amplificador multiestágio com entrada diferencial cujas características se aproximam a de um amplificador ideal. Quanto às características ideais de um AOP, assinale a alternativa incorreta:
 

Provas

Questão presente nas seguintes provas
1901562 Ano: 2014
Disciplina: Eletroeletrônica
Banca: EXATUS
Orgão: CEB

As figuras 1, 2 e 3 correspondem a aplicações específicas, utilizando amplificadores operacionais. Assinale a alternativa que identifica estes circuitos na mesma ordem:

enunciado 1901562-1

 

Provas

Questão presente nas seguintes provas
1901561 Ano: 2014
Disciplina: Eletroeletrônica
Banca: EXATUS
Orgão: CEB
Em circuitos de corrente alternada, cargas resistivas, indutivas e capacitivas apresentam comportamentos distintos devido as suas reatâncias. Com relação a essas características de cargas, assinale a alternativa correta:
 

Provas

Questão presente nas seguintes provas
1901560 Ano: 2014
Disciplina: Eletroeletrônica
Banca: EXATUS
Orgão: CEB
Com relação ao triângulo das potências e fator de potência, assinale a alternativa incorreta:
 

Provas

Questão presente nas seguintes provas
1901559 Ano: 2014
Disciplina: Edificações
Banca: EXATUS
Orgão: CEB

O transistor bipolar de junção do circuito abaixo está operando como fonte de corrente para acionamento do led. Assinale a alternativa que corresponde aos valores das tensões Ve, Vce e Vc, respectivamente:

enunciado 1901559-1

 

Provas

Questão presente nas seguintes provas
1901558 Ano: 2014
Disciplina: Eletroeletrônica
Banca: EXATUS
Orgão: CEB
Com relação as junções de um transistor bipolar de junção, assinale a alternativa que corresponde a sua polarização correta:
 

Provas

Questão presente nas seguintes provas
1901557 Ano: 2014
Disciplina: Eletroeletrônica
Banca: EXATUS
Orgão: CEB
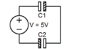
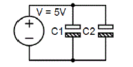
Para os circuitos dados abaixo, os valores dos capacitores são fixos, onde C1 = 100μF/10V e C2 = 100μF/16V. Assinale a alternativa em que a fonte de alimentação fornece maior quantidade de carga elétrica:
 

Provas

Questão presente nas seguintes provas