Magna Concursos

Foram encontradas 50 questões.

1901555 Ano: 2014
Disciplina: Eletroeletrônica
Banca: EXATUS
Orgão: CEB

No circuito esquematizado abaixo, S é uma chave seletora. De acordo com a posição da chave, assinale a alternativa correta:

enunciado 1901555-1

 

Provas

Questão presente nas seguintes provas
1901554 Ano: 2014
Disciplina: Eletroeletrônica
Banca: EXATUS
Orgão: CEB

Deseja-se realizar o acionamento eletrônico de uma lâmpada de 127Vca por meio de um relé de 12Vcc. Para tanto, tem-se disponível um sinal CC de 24V, conforme figura. O resistor mostrado no circuito abaixo deverá ter uma potência calculada de:

enunciado 1901554-1

 

Provas

Questão presente nas seguintes provas
1901553 Ano: 2014
Disciplina: Eletroeletrônica
Banca: EXATUS
Orgão: CEB
A usina hidrelétrica de Itaipu fornece energia elétrica para o Brasil e Paraguai, sendo distribuída com uma frequência de 60Hz para o Brasil e 50Hz para o Paraguai. Considerando um valor de tensão eficaz de 220V, assinale a alternativa incorreta:
 

Provas

Questão presente nas seguintes provas
1901552 Ano: 2014
Disciplina: Eletroeletrônica
Banca: EXATUS
Orgão: CEB
Com base no funcionamento dos circuitos retificadores, assinale a alternativa correta:
 

Provas

Questão presente nas seguintes provas
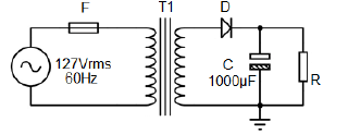
1901551 Ano: 2014
Disciplina: Eletroeletrônica
Banca: EXATUS
Orgão: CEB

O circuito retificador de meia onda mostrado na figura abaixo possui uma tensão de pico no enrolamento secundário do transformador no valor de 12,73V, considerando o ruído, diodo ideal e que a corrente de carga é de 60mA, o valor da tensão média na carga será:

enunciado 1901551-1

 

Provas

Questão presente nas seguintes provas
1901550 Ano: 2014
Disciplina: Eletroeletrônica
Banca: EXATUS
Orgão: CEB
A eletrônica é o campo da ciência e da engenharia que trata dos dispositivos eletrônicos e de sua utilização. É a parte da física que estuda e utiliza as variações de grandezas elétricas para captar, transmitir e processar informações. Com relação às grandezas elétricas e suas unidades de medida, assinale a alternativa incorreta:
 

Provas

Questão presente nas seguintes provas
1901549 Ano: 2014
Disciplina: Eletroeletrônica
Banca: EXATUS
Orgão: CEB
Os resistores de precisão possuem cinco faixas, ou seja, cinco cores. Desta forma, assinale a alternativa que corresponde ao valor da resistência de um resistor de precisão com as cores vermelho, verde, azul, laranja e prata:
 

Provas

Questão presente nas seguintes provas
1901548 Ano: 2014
Disciplina: Eletroeletrônica
Banca: EXATUS
Orgão: CEB
Os resistores são componentes eletrônicos que oferecem oposição à passagem de corrente elétrica, sua resistência é facilmente reconhecida por meio de suas cores. Baseado no código de cores dos resistores assinale a alternativa que corresponde a um resistor de 6800Ω e tolerância de +/- 5% com quatro faixas:
 

Provas

Questão presente nas seguintes provas
No aplicativo navegador Microsoft Internet Explorer, uma nova guia pode ser aberta pressionando-se a seguinte combinação de teclas:
 

Provas

Questão presente nas seguintes provas

Acerca do arquivo presente na pasta “Meus documentos” e nomeado como ‘exemplo’, podemos afirmar que:

enunciado 1901507-1

 

Provas

Questão presente nas seguintes provas