Foram encontradas 60 questões.
- Transformadores e Máquinas ElétricasPrincípios BásicosPerdas, rendimento, torque, potência, ângulo de potência e funcionamento geral
A reversão da rotação de um motor de indução trifásico alimentado pela sequência de fases ABC será possível para a(s) seguinte(s) sequência(s):
1. ACB e BAC.
2. CBA e CAB.
3. BCA e BAC.
Assinale a alternativa que indica todas as afirmativas corretas.
Provas
Sobre os efeitos de harmônicas nos componentes do sistema elétrico, analise as afirmativas abaixo:
1. A presença de harmônicas no fluxo magnético de motores pode implicar a existência de componentes de torque em oposição ao torque produzido pela componente fundamental, afetando assim o torque disponível.
2. Em transformadores, tem-se a ampliação dos efeitos de reatância de dispersão, uma vez que seu valor aumenta com a frequência, embora não se identifique um aumento nas perdas no ferro e no cobre devido à presença de harmônicas.
3. Pode haver níveis excessivos de tensão ou corrente em capacitores, devido à ocorrência de ressonâncias induzidas pelas harmônicas.
4. Os equipamentos voltados para aquecimento (carga resistiva) estão entre os mais sensíveis às distorções da forma de onda que alimentam tais equipamentos devido às harmônicas.
Assinale a alternativa que indica todas as afirmativas corretas.
Provas
Uma bateria de 12 V e 48 Ah deverá ser capaz de suprir as necessidades de uma carga por 3 horas ininterruptas.
Assinale a opção de carga na qual não é possível garantir tal autonomia:
Provas
O efeito de disruptura que ocorre em linhas de transmissão de energia quando são atingidos campos elétricos suficientemente elevados de forma a ionizar o meio isolante em volta, conhecido por Corona, constitui fonte de:
1. Rádio interferência nas faixas de transmissão em amplitude modulada (AM), intensificada pela presença de umidade e precipitações.
2. Ruído audível em frequências abaixo de 20 kHz, ocasionando poluição sonora.
3. Geração de ozônio e óxido de nitrogênio, gases que em altas concentrações afetam a biosfera.
Assinale a alternativa que indica todas as afirmativas corretas.
Provas
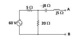
Analise o circuito abaixo:

Com a fonte de tensão do circuito com módulo igual a 60 Volts eficazes, o módulo da tensão eficaz de Thévenin e a impedância de Thévenin visto dos terminais A e B do circuito abaixo corresponde a:
Provas
No circuito abaixo, o capacitor se encontra inicialmente descarregado enquanto a chave se encontra aberta.

Após o fechamento da chave e decorrido o transitório de carregamento, o capacitor atingirá uma carga plena em regime permanente igual a:
Provas
Uma lâmpada de prova, que pode ser modelada como uma resistência ôhmica que dissipa 20 W quando alimentada em 28 V, é ligada a uma tomada por uma extensão flexível, cuja resistência é de 0,20 Ω/ km por condutor.

Fonte: Adaptado de PRYSMIAN.
Manual Prysmian de Instalações Elétricas. 2016
Se a tensão provida pela tomada é de 120 V e o comprimento total da extensão é de 200 m, a queda de tensão percentual imposta pela extensão será:
Provas
Em um ensaio para determinação da resistência ôhmica do enrolamento de armadura de um alternador síncrono trifásico, 200 kVA/ 380 V/ 60 Hz, conectado em Y, aplicou-se uma tensão contínua de 12 Volts entre dois terminais de linha da máquina, sendo medida uma corrente de 30 A.
A resistência de armadura por fase da máquina é de:
Provas
Provas
Provas
Caderno Container