Foram encontradas 60 questões.
A chegada da energia elétrica aos consumidores é providenciada pelo sistema de distribuição, o qual se pode caracterizar na forma como descrita abaixo:
1. As redes convencionais aéreas se caracterizam por possuírem condutores nus sob isoladores, fixados em cruzetas de concreto e madeira em postes distribuídos pelos logradouros das cidades, sendo as mais utilizadas por terem menores taxas de falhas e assim requisitarem menos intervenções para manutenção.
2. As redes convencionais compactas possuem condutores isolados e separados por espaçadores, sendo o conjunto sustentado por um cabo mensageiro de aço, o que colabora para a redução na taxa de falhas e de intervenções, com redução nas taxas de DEC e FEC, dentre outros benefícios.
3. As redes subterrâneas são aquelas que apresentam os melhores resultados em termos de falhas, segurança, continuidade de serviço e custos de implantação e manutenção, a despeito dos efeitos estéticos obtidos.
4. Redes com topologia em anel são mais confiáveis que as de topologia radial, uma vez que a remoção de qualquer disjuntor para a manutenção não implica interrupção na carga. Contudo, nessa situação, o anel estará aberto, devendo o restante do barramento e os disjuntores ativos remanescentes suportarem toda a carga.
Assinale a alternativa que indica todas as afirmativas corretas.
Provas
- Sistemas Elétricos de PotênciaDistribuição de Energia ElétricaManutenção, Construção e Equipamentos de distribuição
Relacione abaixo os equipamentos componentes de uma rede de distribuição de energia elétrica com suas respectivas caraceterísticas.
Coluna 1 Equipamentos
1. Seccionador automático.
2. Regulador de tensão.
3. Banco de capacitores.
4. Religador automático.
Coluna 2 Características
( ) Elevam o nível de tensão na carga, liberando os geradores para fornecimento de mais potência ativa ao sistema.
( ) Segrega determinado trecho de um ramal alimentador, sendo um equipamento de proteção automático, utilizado sempre em conjunto com outro equipamento de proteção, uma vez que não é capaz de interromper correntes de curto-circuito.
( ) Equipamento de interrupção da corrente elétrica dotado de determinada capacidade de repetição em operações de abertura e fechamento de um circuito, durante a ocorrência de uma falta.
( ) Preserva a qualidade do fornecimento de energia, mantendo a tensão sob condição de carga, quando o sistema elétrico é submetido a variações de tensão fora dos limites especificados.
Assinale a alternativa que indica a sequência correta, de cima para baixo.
Provas
O circuito magnético de um relé eletromecânico do tipo alavanca é constituído de uma bobina com alguns taps, o que permite o ajuste de corrente do dispositivo, como mostrado abaixo.

Fonte: Adaptado de KINDERMAN, G. Proteção de Sistemas Elétricos de Potência. 3 ed. Florianópolis: 2012.
Se ao variar o tap o fluxo magnético no circuito produzir a mesma força de atração na alavanca do relé, a quantidade de espiras para os taps de 1,25/ 2,5/ 4 A deve ser:
Provas
Os preceitos da NBR 5410/2004 não se aplicam a instalações elétricas destinadas a:
Provas
A potência do vento incidente na área circular do rotor de um gerador eólico é dada por:
Pvento = 2 ρSv 3
onde:
ρ = densidade do ar [kg/m3];
S = área varrida pelo rotor [m2];
v = velocidade do vento [m/s].
Se para uma dada velocidade de vento, um gerador de três pás tem coeficiente de conversão de 48 %, enquanto um gerador de duas pás converte apenas um terço do vento incidente, o tamanho das pás do aerogerador de duas pás para que este produza uma potência 20 % maior que o aerogerador de três pás deve ser:
Provas
A um engenheiro foi atribuída a tarefa de avaliar as vantagens econômicas na aquisição de isoladores para a rede de subtransmissão e distribuição de energia elétrica. Os fornecedores deste componente só aceitam encomendas por cadeia de isoladores.
Na realização da tarefa, o engenheiro levantou as seguintes informações:
Tipo de Isolador | Diâmetro (mm) | Função custo (R$) por número de isoladores (N) | No de isoladores por cadeia em função da tensão Vff , em kV |
A | 152 | N2 | 0,1 × Vff |
B | 254 | 100∙N + 20000 | 0,0666 × Vff |
Processando estas informações, o engenheiro concluiu em seu relatório que:
1. Na parte da rede operando a 13,8 kV, não há vantagem na aquisição do isolador do tipo A para aquisições de até 200 cadeias deste tipo que envolvam uma obrigação de acréscimo de até 12,5% a mais de cadeias de isoladores sobressalentes.
2. Na parte da rede operando a 34,5 kV, não há vantagem no uso do isolador tipo B se o número de cadeias a serem adquiridas forem menores ou iguais a 112.
3. Na parte da rede operando a 69 kV, só é vantagem para uso do isolador tipo B se a rede requisitar mais de 64 cadeias do tipo A e o pedido incluir ao menos 25 ou mais cadeias do isolador tipo B a título de sobressalentes.
Assinale a alternativa que indica todas as afirmativas corretas.
Provas
Assinale a alternativa que descreve corretamente uma característica do modelo estrutural do setor elétrico a partir de 1995.
Provas
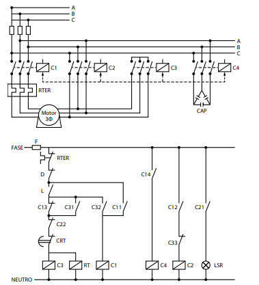
São apresentados abaixo os diagramas de força e comando para o acionamento de motor de indução trifásico através de uma chave estrela-triângulo.

Fonte: Adaptado de MAMEDE FILHO, J. Manual de Equipamentos Elétricos. 3 ed. Rio de Janeiro: LTC, 2005.
LEGENDA
C1, C2, C3, C4 – Contatores; C11, C21, … – Contatos auxiliares dos contatores C1, C2, …; RT – Relé de tempo; L – Botoeira liga; D – Botoeira desliga; CRT – Contato do relé de tempo; LSR – Lâmpada de sinalização; RTER – Relé térmico; F – Fusível; CAP - Capacitor.
Assinale a alternativa correta em relação a esses diagramas:
Provas
Uma carga importante conectada à barra 2 é alimentada pela barra 1 através de uma linha de transmissão (LT 12). A fim de aumentar a confiabilidade do fornecimento a esta carga, cogita-se a ligação da barra 2 à barra 3 através de uma nova linha de transmissão (LT23), com extensão de 28 km, representada de forma tracejada no desenho esquemático abaixo.

Se a disponibilidade oferecida por cada linha de transmissão for de 99%, e desconsiderando-se a disponibilidade dos demais componentes e equipamentos envolvidos, é correto afirmar que:
1. Após a implantação da nova linha de transmissão (LT 23), a quantidade de horas prevista de interrupção do fornecimento à carga não ultrapassará 4 horas.
2. Se o custo da linha de transmissão é de R$ 62.000,00/ km e o prejuízo por uma interrupção de fornecimento à carga por 8 horas é de R$ 5 milhões, ainda assim o investimento na nova linha de transmissão superará os custos da interrupção na nova configuração, inviabilizando o projeto.
3. Mesmo que o custo da linha fosse maior que o custo da indisponibilidade na nova configuração, é possível que este investimento se pague pelo grande saldo positivo entre o custo da indisponibilidade na configuração atual e o custo da interrupção devido a nova configuração, tendo por base o custo do prejuízo por uma interrupção de fornecimento à carga apontado em II.
4. Para a configuração atual (sem a LT 23), a indisponibilidade total pode ser mais bem estimada em meses do que em horas ou dias de interrupção.
Assinale a alternativa que indica todas as afirmativas corretas.
Provas
- Transformadores e Máquinas ElétricasPrincípios BásicosPerdas, rendimento, torque, potência, ângulo de potência e funcionamento geral
Uma subestação dotada de um transformador de 500 kVA necessita ser ampliada para satisfazer um aumento de carga para 700 kVA, através da colocação de um segundo transformador em paralelo ao transformador original.
O transformador que se encontra disponível para esta ampliação possui uma potência nominal de 300 kVA:
1. Se os transformadores cumprirem os requisitos de mesmas tensões primárias, relações de transformação, impedâncias, defasagens angulares e grupos de ligação, o transformador original trabalhará com 100 % de sua capacidade nominal, enquanto o novo transformador operará com 66,6 % de sua capacidade, para atender o novo perfil de carga.
2. Se os transformadores tiverem impedâncias diferentes, o transformador de 500 kVA proverá mais de 62,5 % da nova carga, caso sua impedância percentual seja maior que a impedância percentual do transformador de 300 kVA.
3. Se os transformadores tiverem impedâncias diferentes, o transformador de 300 kVA proverá mais de 37,5 % da nova carga, caso sua impedância percentual seja menor que a impedância percentual do transformador de 500 kVA.
4. Se os transformadores cumprirem os requisitos de mesmas tensões primárias, relações de transformação, impedâncias, defasagens angulares e grupos de ligação, os transformadores terão a mesma sobrecarga de 6,25 %, para o caso de um acréscimo momentâneo de 50 kVA acima da capacidade total suprida pelos dois transformadores.
Assinale a alternativa que indica todas as afirmativas corretas.
Provas
Caderno Container