Foram encontradas 60 questões.
Provas
Em um campeonato de futebol um time decide estimular 3 de seus jogadores, oferecendo um prêmio de R$ 75.000, que deve ser dividido entre os 3 jogadores de maneira proporcional ao número de gols que cada um marcar no campeonato.
Se os jogadores marcaram 15, 10 e 7 gols no campeonato, então a quantia que o jogador que marcou mais gols receberá é:
Provas
Provas
Provas
Ampliou-se recentemente o permanente clima de tensão na região do Oriente Médio.
Assinale a alternativa que indica o acontecimento que motivou tal acirramento.
Provas
O desenvolvimento tecnológico cada vez mais rápido, em especial o das telecomunicações, prenuncia uma grande guinada nos meios de produção, anunciada como a 4ª Revolução Industrial.
Assinale a alternativa que identifica avanços que poderão possibilitar essa transformação.
Provas
Uma usina hidrelétrica e uma usina termelétrica devem suprir uma carga de 90 MW por 160 horas.
Considere que a usina hidrelétrica deve ser privilegiada no despacho a esta carga, mas possui um limite de fornecimento de 10000 MWh e o custo de geração da térmica é dado por:
C(E,P)= P 34,08 ×E +13,9 × E +0,213 × P
Onde:
■ E é a energia fornecida pela unidade térmica no período [MWh];
■ P é a potência despachada pela usina térmica [MW].
O tempo que a usina termelétrica deve despachar para que o custo de sua geração seja mínimo em relação à potência despachada deve ser:
Provas
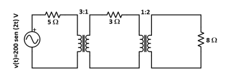
Analise o circuito abaixo:

A potência dissipada no resistor de 8 Ω no circuito é:
Provas
Provas
Leia as afirmativas abaixo.
1. A altitude, a longitude, a maritimidade, o relevo e a vegetação são fatores que influenciam no clima de uma região.
2. A latitude e o relevo acidentado da região sul tornam o clima seco, impedem a formação de chuvas e contribuem para o baixo nível dos rios em toda a região.
3. O clima dos Estados de Santa Catarina e Rio Grande do Sul é significativamente influenciado pelas massas de ar frias, vindas do Polo Sul.
4. A inconstância do regime de chuvas prejudica históricamente a produção de energia elétrica nos Estados do sul. A maior parte da energia elétrica consumida vem de outras regiões, principalmente do centro oeste e nordeste.
Assinale a alternativa que indica todas as afirmativas corretas.
Provas
Caderno Container