Foram encontradas 60 questões.
Analise o texto abaixo com relação à operação e manutenção de redes de distribuição.
O dispositivo, cuja finalidade é seccionar (abrir) as chaves instaladas nas redes de distribuição, é conhecido como desconectador sob carga, popularmente chamado de .....................e a sua função é extinguir................... , protegendo o operador.
Assinale a alternativa que completa corretamente as lacunas do texto.
Provas
Um TC possui três enrolamentos primários e um enrolamento secundário. A nomenclatura do TC é 150 × 300 × 600 – 5A.
Assinale a alternativa que apresenta a forma de conexão dos enrolamentos primários para a máxima precisão de medida, considerando que serão medidas correntes de até 150 A.
Provas
Veja a figura da parte superior de um poste.

Analise as afirmativas abaixo com relação à figura.
1. A estrutura é de uma rede compacta.
2. O cabo superior tem a denominação de mensageiro.
3. A estrutura comporta os condutores de baixa tensão.
4. Os condutores desta estrutura são isolados.
Assinale a alternativa que indica todas as afirmativas corretas.
Provas
Os seccionadores automáticos também são conhecidos como seccionalizadores.
Analise as afirmativas abaixo com relação aos seccionalizadores.
1. Permitem a operação de abertura e fechamento de um alimentador através de vara isolante de manobra.
2. Necessitam de capacidade de interrupção de corrente compatível com o nível de curto-circuito do ponto de sua instalação.
3. Possibilitam total coordenação com os religadores instalados a jusante.
4. Eliminam a substituição dos elos fusíveis após curtos-circuitos.
Assinale a alternativa que indica todas as afirmativas corretas.
Provas
Identifique abaixo as afirmativas verdadeiras ( V ) e as falsas ( F ) em relação às medidas para aumentar a tensão nas linhas de distribuição.
( ) Equilibrar as cargas entre as fases.
( ) Deslocar o transformador de distribuição.
( ) Diminuir o fator de potência.
( ) Reduzir a bitola dos condutores.
Assinale a alternativa que indica a sequência correta, de cima para baixo.
Provas
Assinale a alternativa correta com relação à operação e manutenção da rede elétrica.
Provas
Analise a estrutura mostrada abaixo.

Provas
Analise as afirmativas abaixo com relação a aterramentos:
1. Sempre que houver o aterramento do mensageiro da rede compacta, este deve ser conectado ao neutro da rede secundária urbana.
2. Quando houver manutenção em rede viva deve-se fazer aterramento temporário dos condutores fase.
3. O aterramento do terminal de ligação do neutro da baixa tensão do transformador deve ser conectado ao aterramento da alta tensão.
Assinale a alternativa que indica todas as afirmativas corretas.
Provas
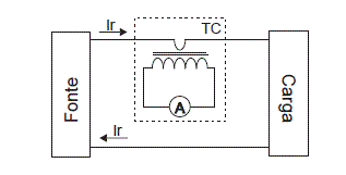
Um TC foi instalado a fim de verificar a corrente (Ir) que vai da fonte para uma dada carga. O amperímetro colocado no secundário do TC mostrou uma corrente de 10 A.

Sabendo que a relação de espiras entre o primário e o secundário é 1:5, qual a corrente do primário do TC?
Provas
Assinale a alternativa correta.
Provas
Caderno Container