Foram encontradas 60 questões.
Uma instalação teve sua medida de energia conferida, para isso foi medida a potência durante 24 horas. O gráfico abaixo mostra a média de potência (kW) entregue a cada 6 horas.

Dadas essas informações, assinale a alternativa que apresenta a energia consumida pela unidade consumidora durante as 24 horas.
Provas

Provas
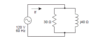
A figura abaixo mostra uma resistência de 30 ohms e um indutor de reatância indutiva de 40 ohms conectadas em paralelo com uma fonte de tensão senoidal de 120 volts eficazes.

Determine o valor eficaz da corrente da fonte de entrada (If ).
Provas
Considere o circuito abaixo, composto por uma fonte de tensão contínua de 10 V e resistores (R) iguais de 150 ohms.

Determine a corrente da fonte de entrada.
Provas
Assinale a alternativa que apresenta o número de terminais de ligação de medidores de energia trifásicos.
Provas
Em uma empresa trabalham 60 homens e 35 mulheres.
Se, do total de homens, 70% não bebem refrigerante, e do total de mulheres, 40% bebem refrigerante, então o número de funcionários dessa agência que são homens ou bebem refrigerante é:
Provas
João, Antônio e Roberto são irmãos, e têm 22, 12 e 10 anos respectivamente. O irmão mais velho decide dividir sua coleção de 88 carrinhos entre seus irmãos mais novos de maneira proporcional às suas idades.
Logo, o número de carrinhos que Antônio irá receber é:
Provas
Em uma fazenda, 25 trabalhadores cuidam de 100 animais a cada 4 horas.
Quantos trabalhadores são necessários para cuidar de 240 animais a cada 6 horas?
Provas
Uma câmara municipal com 9 vereadores fará eleição da mesa diretora, composta por um presidente, um orador e um secretário, a serem escolhidos entre os vereadores.
De quantas maneiras diferentes essa mesa diretora pode ser formada?
Provas
Uma pessoa tem 100 doces, sendo 40 chicletes e 60 balas. Ela deseja organizar esses doces em caixas, de modo que cada caixa tenha o mesmo número de doces, tenha o maior número possível de doces, e cada caixa contenha ou só chicletes ou só balas.
De quantas caixas ela vai precisar para fazer essa organização?
Provas
Caderno Container