Foram encontradas 940 questões.
O esquema abaixo representa que tipo de turbina?

Provas
Questão presente nas seguintes provas
Calcule o valor eficaz da tensão relativa à forma de onda vista na figura abaixo:

O valor CORRETO é:
Provas
Questão presente nas seguintes provas
Razões da pós-modernidade
Carlos Alberto Sanches, professor, perito e consultor em Redação – [31/03/2014 - 21h06]
Foi nos anos 60 que surgiu o que se chama de “pós-modernidade”, na abalizada opinião de Frederic Jameson, como “uma lógica cultural” do capitalismo tardio, filho bastardo do liberalismo dos séculos 18 e 19. O tema é controverso, pois está associado a uma discussão sobre sua emergência funesta no pós-guerra. É que ocorre nesse período um profundo desencanto no homem contemporâneo, especialmente no que toca à diluição e abalo de seus valores axiológicos, como verdade, razão, legitimidade, universalidade, sujeito e progresso etc. Os sonhos se esvaneceram, juntamente com os valores e alicerces da vida: a “estética”, a “ética” e a “ciência”, e as repercussões que isso provocou na produção cultural: literatura, arte, filosofia, arquitetura, economia, moral etc.
Há, sem dúvida, uma crise cultural que desemboca, talvez, em uma crise de modernidade. Ou a constatação de que, rompida a modernidade, destroçada por guerras devastadoras, produto da “gaia ciência” libertadora, leva a outra ruptura: morreu a pós-modernidade e deixou órfã a cultura contemporânea?
Seria o caso de se falar em posteridade na pós-modernidade? Max Weber, já no início do século 19, menciona a chegada da modernidade trocada pela “racionalização intelectualista”, que produz o “desencanto do mundo”. Habermas o reinterpreta, dizendo que a civilização se desagrega, especialmente no que toca aos conceitos da verdade, da coerência das leis, da autenticidade do belo, ou seja, como questões de conhecimento...
Jean Francois Lyotard, em seu livro A condição pós-moderna, de 1979, enfoca a legitimação do conhecimento na cultura contemporânea. Para ele, “o pós-moderno enquanto condição de cultura, nesta era pós-industrial, é marcado pela incredulidade face ao metadiscurso filosófico – metafísico, com suas pretensões atemporais e universalizantes”. É como se disséssemos, fazendo coro, mais tarde, com John Lennon, que “o sonho acabou” (ego trip). A razão, como ponto nevrálgico da cultura moderna, não leva a nada, a não ser à certeza de que o racionalismo iluminista, que vai entronizar a ciência como uma mola propulsora para a criação de uma sociedade justa, valorizadora do indivíduo, vai apenas produzir o desencanto, via progresso e com as suas descobertas, cantadas em prosa e verso, que nos deixaram um legado brutal: as grandes tragédias do século 20: guerras atrozes, a bomba atômica, crise ecológica, a corrida armamentista...
A frustração é enorme, porque o iluminismo afirmara que somente as luzes da razão poderiam colocar o homem como gerador de sua história. Mas tudo não passou de um sonho, um sonho de verão (parodiando Shakespeare). Habermas coloca nessa época, o século 18, o gatilho que vai acionar essa desilusão da pós-modernidade. A ciência prometia dar segurança ao homem e lhe deu mais desgraças. Entendamos aqui também a racionalidade (o primado da razão cartesiana) como cúmplice dessa falcatrua da modernidade e, portanto, da atual pós-modernidade.
O mesmo filósofo fala em “desastre da modernidade”, um tipo de doença que produziu uma patologia social chamada de “império da ciência”, despótico e tirânico, que “digere” as esferas estético-expressivas e as religiosas-morais. Harvey põe o dedo na ferida ao dizer que o projeto do Iluminismo já era, na origem, uma “patranha”, na medida em que disparava um discurso redentor para o homem com as luzes da razão, em troca da lenta e gradual perda de sua liberdade.
A partir dos anos 50 e, ocorrido agora o definitivo desencanto com a ciência e suas tragédias (algumas delas), pode-se falar em um processo de sua desaceleração. O nosso futuro virou uma incerteza. A razão, além de não nos responder às grandes questões que prometeu responder, engendra novas e terríveis perguntas, que chegam até hoje, vagando sobre a incerteza de nossos precários destinos. Eu falaria, metaforicamente, do homem moderno acorrentado (o Prometeu) ao consumo desenfreado de coisas (res) para compensar suas frustrações e angústias. A vida se tornou absurda e difícil de ser vivida, face a esse “mal-estar” do homem ocidental. Daí surgem as grandes doenças psicossociais de hoje: a frustração, o relativismo e o niilismo, cujas sementes já estavam no bojo do Iluminismo, a face sinistra de sua moeda. Não há mais nenhuma certeza, porque a razão não foi capaz de dar ao homem alguns dos mais gratos dos bens: sua segurança e bem-estar. Não há mais certezas, apenas a percepção de que é preciso repensar criticamente a ciência, que nunca nos ofereceu um caminho para a felicidade, o que provoca um forte movimento de busca de liberdade. O mundo está sem ordem e valores, como disse Dostoievski: “Se Deus não existe, tudo é permitido”.
A incerteza do mundo moderno e a impossibilidade de organizar nossas vidas levam Giddens a dizer que “não há nada de misterioso no surgimento dos fundamentalismos, a radicalização para as angústias do homem”. Restou-nos o refúgio nos grandes espetáculos, como os do Coliseu antigo: o pão e o circo, para preencher o vazio da vida.
Na sua esteira de satanização social, o capitalismo engendra, então, a sociedade de consumo, para levar o cidadão ao ópio do consumo (esquecer-se das desilusões) nas “estações orbitais” dos shoppings, ou templos das compras, onde os bens nos consomem e a produção, sempre crescente, implica a criação em massa (ou em série) de novos consumidores. Temos uma parafernália de bens, mas são em sua maioria coisas inúteis, que a razão / ciência nos deu; mas, em troca, sofremos dos males do século, entre eles a elisão de nossa individualidade. Foi uma troca desvantajosa. É o que Campbell chama do sonho que gera o “signo-mercadoria”, que nos remete ao antigo sonho do Romantismo, da realização dos ideais.
Trocamos o orgasmo reprodutor instintivo pelo prazer lúdico-frenético de consumir, sem saber que somos consumidos. Gememos de prazer ao comprar, mas choramos de dor face à nossa solidão, cercados pela panaceia da ciência e da razão, que nos entope de placebos, mas não de remédios para a cura dos males dessa longínqua luz racional, que se acende lá no Iluminismo e que vem, sob outras formas, até hoje. A televisão nos anestesia com a estética da imagem. Para Baudrillard, ela é o nosso mundo, como o mundo saído da tela do grande filme O Vidiota (o alienado no mundo virtual da tevê), cujo magistral intérprete foi Peter Sellers.
Enquanto nos deleitamos com essa vida esquizofrênica e lúdica, deixamos no caixa do capitalismo tardio (iluminista / racional) o nosso mais precioso bem: a individualidade. Só nos sobrou a estética, segundo Jameson, ou a “colonização pela estética” que afeta diferentes aspectos da cultura, como a estética, a ética, a teórica, além da moral política.
A pós-modernidade talvez seja uma reação a esse quadro desolador. Bauman fala em pós-modernidade como a forma atual da modernidade longínqua. Já Giddens fala em modernidade tardia ou “modernidade radicalizada”: a cultura atual. Por certo que a atual discussão sobre o pós-moderno implica um processo de revisão e questionamento desse estado de coisas, em que o homem não passa de um res nulius, como as matronas romanas.
A cultura moderna, ou pós-modernista, não tem uma razão para produzir sua autocrítica, mas muitas razões, devido à sua prolongada irracionalidade do “modo de vida global”, segundo Jameson. O que se pode dizer é que não há uma razão, mas muitas razões para reordenar criticamente os descaminhos da pós-modernidade, sem esquecermos que a irracionalidade continua nos rondando.
http://www.gazetadopovo.com.br/opiniao/artigos/razoes-da-
pos-modernidade-8bs4bc7sv5e06z8trfk0pv80e. Acesso em 21/01/18.
Sobre o emprego de aspas, atente para a informação a seguir:
|
Empregam-se as aspas no início e no final de uma citação textual. Ex.: Disse, em frase lapidar o grande Rui: “A Pátria não é ninguém: são todos; e cada qual tem no seio dela o mesmo direito à ideia, à palavra, à associação.”
Colocamos, também, entre aspas palavras ou expressões que desejamos destacar. Ex.: Sim, ele foi o cantor da raça, o patriota, o humanista... Mas não esqueçamos de considerá-lo pela face mais verdadeira, o ‘homem’ sofredor, amante, revoltado...” (Fábio de Melo)
Entre aspas ficam os títulos de obras artísticas ou científicas. Ex.: “Os Lusíadas” cantam as glórias de Portugal. (...)
Finalmente, entre aspas colocamos as palavras ou expressões estrangeiras, arcaicas, de gíria, etc. Ex.: Os animais tinham indiscutível “pedigree”. (...)
ANDRÉ, Hildebrando A. Gramática Ilustrada. 4. ed. São Paulo: Moderna, 1990. p. 34-35.
|
Analise as seguintes afirmativas, identificando-as com V ou F, conforme sejam verdadeiras ou falsas:
( ) Os sonhos se esvaneceram, juntamente com os valores e alicerces da vida: a “estética”, a “ética” e a “ciência”, e as repercussões que isso provocou na produção cultural: literatura, arte, filosofia, arquitetura, economia, moral etc. → Aspas destacando itens de forma irônica.
( ) O mundo está sem ordem e valores, como disse Dostoievski: “Se Deus não existe, tudo é permitido”. → Aspas indicando citação textual.
( ) É o que Campbell chama do sonho que gera o “signo-mercadoria”, que nos remete ao antigo sonho do Romantismo, da realização dos ideais. → Aspas destacando uso de estrangeirismo.
( ) Na sua esteira de satanização social, o capitalismo engendra, então, a sociedade de consumo, para levar o cidadão ao ópio do consumo (esquecer-se das desilusões) nas “estações orbitais” dos shoppings, ou templos das compras... → Aspas deixam entrever ênfase ou menção irônica ao termo destacado.
( ) A cultura moderna, ou pós-modernista, não tem uma razão para produzir sua autocrítica, mas muitas razões, devido à sua prolongada irracionalidade do “modo de vida global”, segundo Jameson. → Aspas indicando expressão citada de outra fonte.
A sequência CORRETA, de cima para baixo, é:
Provas
Questão presente nas seguintes provas
Há marcas que vivem da inclusão, e outras que vivem da exclusão
Contardo Calligaris
Meu telefone, um iPhone 6, estava cada vez mais lento. Não era por nenhuma das causas apontadas nas inúmeras salas de conversa entre usuários de iPhones vagarosos.
Era mesmo o processador que estava se tornando exasperadamente lento, ao ponto em que havia um intervalo sensível de tempo entre digitar e a letra aparecer na tela.
Deixei para resolver quando chegasse a Nova York, onde, aliás, a coisa piorou: era suficiente eu tirar o celular do bolso ou deixá-lo num bolso externo (que não estivesse em contato com o calor do corpo) para que a carga da bateria baixasse, de repente, de 60% a zero.
Pensei que três anos é mesmo o tempo de vida útil para uma bateria. E lá fui à loja da Apple na Broadway.
Esperei duas horas para enfim ter acesso a alguém que me explicou que testaria minha bateria. Depois de contemplarmos os gráficos lindos e coloridos deixados no tablet pelo meu telefone, anunciou que minha bateria ainda não justificava uma troca – no tom pernóstico de um plantonista que sabe que não tem leitos disponíveis e manda você para casa com aquela dor no peito e a "certeza" de que "você não está enfartando, deve ser só digestão".
O mesmo jovem propôs uma reinstalação do sistema operacional, – que é uma trivialidade, mas foi anunciada como se fosse um cateterismo das coronárias.
Passei a noite me recuperando, ou seja, reinstalando aplicativos. Resultado: telefone lento como antes.
Voltei para a Apple (loja da Quinta Avenida), onde descobri que, como na história do hospital sem leitos, de fato, a Apple não dispunha mais de baterias para substituir a minha: muitos usuários estavam com o mesmo problema. Por coincidência, tudo conjurava para que eu comprasse um telefone novo.
Nos EUA, a Apple está sendo processada (15 casos coletivos, em diferentes Estados) por piorar propositalmente a experiência dos usuários de iPhone sem lhes oferecer alternativas –salvo, obviamente, a de adquirir um telefone novo.
A companhia pediu desculpas públicas, mas a humildade não é o forte do treinamento Apple. Basta se lembrar que o atendimento pós-venda da companhia se chama (o ridículo não mata ninguém) "genius bar", o balcão dos gênios.
Já pensou: você poderia ligar para seu serviço de TV a cabo porque a recepção está péssima e alguém diria: "Sim, senhor, pode marcar consulta com o balcão dos gênios".
A maioria dos usuários não acham isso cômico e despropositado. Por que será?
Há marcas que vivem de seu poder de inclusão, do tipo "nós fabricamos o carro que todos podem dirigir". E há marcas que vivem de seu poder de exclusão: tipo, será que você merece o que estou vendendo?
Você já entrou alguma vez numa loja cara onde os vendedores, envaidecidos pela aura do próprio produto que vendem, olham para você com desprezo, como se você não fosse um consumidor à altura da loja?
É uma estratégia básica de marketing: primeiro, espera-se que você inveje (e portanto deseje) o mundo do qual se sente excluído.
Você perguntará: de que adianta, se não poderei adquirir os produtos da marca? Em geral, nesses casos o projeto é vender os acessórios da casa. Pouquíssimos comprarão o casaco de R$ 15 mil, mas milhares comprarão um lencinho (com monograma) para se sentirem, assim, membros do clube.
A Apple mantém sua presença no mercado pela ideia de sua superioridade tecnológica - e pelo design elegante, claro.
Seriamente, alguém que usa processador de texto não deveria escolher um computador em que não dá para apagar letras da esquerda para a direita. Mas é como os carros ingleses dos anos 1950: havia a glória de viver perigosamente e dirigir sem suspensões posteriores independentes (sem capotar a cada curva).
Pouco importam as críticas. A Apple conseguiu convencer seus usuários de que eles mesmos, por serem usuários, fazem parte de uma arrojada elite tecnológica. Numa loja da Apple, todos, os usuários e os "gênios" vestem (real ou metaforicamente) a camiseta da marca.
Quer saber o que aconteceu com meu iPhone? Está ótimo. Fui ao Device Shop, em Times Square, no mesmo prédio do Hard Rock Cafe: atendimento imediato, troca de bateria em dez minutos, conversa agradável. Não havia gênios, só pessoas competentes. E custou menos de dois terços do que pagaria na Apple.
Disponível em: https://www1.folha.uol.com.br/colunas/contardocalligaris/2018/01/1949427-ha-
marcas-que-vivem-da-inclusao-e-outras-que-vivem-da-exclusao.shtml Acesso em 20 mar. 2018
O propósito do texto é
Provas
Questão presente nas seguintes provas
INSTRUÇÃO: O texto abaixo faz referência à questão.
Centrais hidrelétricas podem ser classificadas segundo diversos parâmetros: tipo de operação, altura da queda, arranjo da obra, intervalo de regularização do volume etc. Segundo a capacidade de regularização do reservatório, as centrais hidrelétricas se organizam em dois tipos principais, como ilustrado na imagem reproduzida abaixo: CHs de acumulação, que contam com volumes regularizados por reservatório em períodos diversos, e a fio d'água, que dependem do caudal do rio submetido a barramento. No primeiro caso, o armazenamento de água é interessante porque leva à oferta regular de energia; em hidrelétricas a fio d'água, as turbinas são acionadas diretamente pela passagem da água do rio, o que leva a alguma flutuação da capacidade de produção de energia em virtude da mudança do volume do rio entre estações secas e chuvosas.
Fonte - Geraldo Magela Pereira - Projeto de usinas hidrelétricas: passo a passo. SP: Oficina de Textos, 2015 (adaptado).

http://fwee.org/wp-content/uploads/srprojects.gif
Sobre o tema, fazem-se as seguintes afirmações:
I. Em projetos executados na modalidade a fio d'água, é fundamental que os estudos hidrológicos indiquem que a vazão mínima do rio no qual o barramento é construído deve corresponder ao volume mínimo necessário para gerar a potência projetada para a CH.
II. A variação no caudal de um rio que recebe um barramento a fio d'água depende unicamente da variação do volume de chuvas registrado em séries históricas de precipitação e captado em superfície na bacia hidrográfica desse mesmo rio.
III. Séries históricas de observação de cheias e vazantes são ferramentas imprescindíveis ao planejamento de CHs a fio d'água devido à sensibilidade desse modelo em termos de vazão a montante do barramento.
Está CORRETO apenas o que se afirma em:
Provas
Questão presente nas seguintes provas
Princípio do COBIT 5, versão português, que apresenta o mecanismo da cascata de objetivos:
Provas
Questão presente nas seguintes provas
Um sistema elétrico de potência de dois barramentos tem um gerador alimentando uma carga por meio de uma linha de transmissão cuja reatância série é 0,1 pu, sendo a resistência e a reatância paralela desprezíveis. A tensão no barramento do gerador é controlada igual a 1 pu. A carga consome 100 MVA com fator de potência igual a !$ \sqrt{3}/2 !$. A potência aproximada de um banco de capacitor (MVAR) a ser conectado ao barramento da carga tal que a tensão nesse mesmo barramento seja nominal. (Sbase = 100 MVA) é:
Provas
Questão presente nas seguintes provas
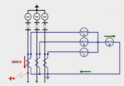
A figura abaixo apresenta o diagrama trifilar de um terminal de uma linha de transmissão submetida a um curto-circuito fase-terra de 3 600 A.

Desconsiderando o tempo de atuação dos relés e sabendo que os TCs estão conectados na relação 600-5 A e que os relés de fase e de neutro estão ajustados com uma corrente mínima de operação de 5 A e 1,5 A, respectivamente, avalie as afirmativas, é CORRETO afirmar que, para a falta em questão
Provas
Questão presente nas seguintes provas
Calcule o módulo de resiliência para os seguintes materiais:
| !$ \sigma !$!$ e !$!$ s !$!$ c !$(!$ M !$!$ P !$!$ a !$) | E(MPa) | |
| Aço de baixo carbono | 220 | 210000 |
| Duralumínio | 150 | 75300 |
Provas
Questão presente nas seguintes provas
A norma NBR 5410 determina que a periodicidade da manutenção deve ser
Provas
Questão presente nas seguintes provas
Cadernos
Caderno Container