Foram encontradas 940 questões.
No circuito abaixo, o sinal C é a entrada de relógio (clock) e o conjunto Q0 e Q1 é a saída, sendo Q0 o seu bit menos significativo. Considerar que as entradas J e K dos flip-flops estão permanentemente ligadas ao nível lógico alto.
Podemos afirmar que o circuito funciona como um contador assíncrono:

Provas
Questão presente nas seguintes provas
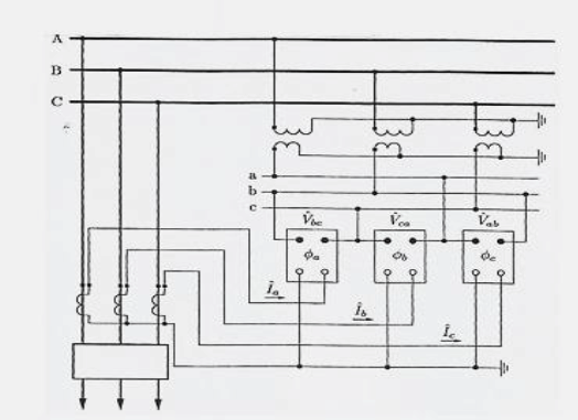
A figura abaixo apresenta um diagrama trifilar das conexões de uma proteção de sobrecorrente direcional (ANSI 67), de tecnologia eletromecânica, aplicada a uma linha de transmissão.

Observando a figura podemos afirmar, EXCETO:
Provas
Questão presente nas seguintes provas
São considerados métodos químicos utilizados para restauração de lagos no controle do crescimento de algas, EXCETO:
Provas
Questão presente nas seguintes provas
NÃO é correto afirmar:
Provas
Questão presente nas seguintes provas
São objetivos da Norma Regulamentadora 10 (NR-10), EXCETO:
Provas
Questão presente nas seguintes provas
Sobre transformadores sem controle de tap, está INCORRETO afirmar:
Provas
Questão presente nas seguintes provas
Um circuito conectado em estrela tem impedâncias Z1, Z2 e Z3 iguais a 5 ohms cada. O valor de cada uma das impedâncias ZA, ZB e ZC do circuito equivalente conectado em delta será:
Provas
Questão presente nas seguintes provas
Um transformador abaixador de 1 000 kVA, 60 Hz, 2 300/230 V tem os seguintes parâmetros:
r1= 0,1 Ω, XL1 = 0,3 Ω, r2 = 0,001 Ω e XL2 = 0,003 Ω.
Se o transformador é usado como abaixador e está com carga nominal, a impedância de carga ZL e a impedância primária de entrada ZP serão, respectivamente:
Provas
Questão presente nas seguintes provas
Um meio de transmissão possui uma atenuação de 3dB/km à passagem de um determinado sinal. Um transmissor envia um sinal por 3 km desse meio até a entrada do receptor. A potência medida na entrada do receptor é igual a 11 dBm. A potência na entrada do meio de transmissão em W será igual a:
Provas
Questão presente nas seguintes provas
Calcule a queda de tensão no indutor do circuito RLC série apresentado na figura abaixo:

A resposta CORRETA é:
Provas
Questão presente nas seguintes provas
Cadernos
Caderno Container