Foram encontradas 426 questões.
- Circuitos ElétricosCircuitos CACircuitos Trifásicos
- Transformadores e Máquinas ElétricasMáquinas Síncronas
Analise o diagrama fasorial seguinte, que representa o comportamento de um circuito composto de um gerador V operando na frequência ω e dois dispositivos passivos:

Os dois dispositivos passivos estão em
Provas
Sobre as características de lâmpadas elétricas, considere:
I. baixo IRC (Índice de Reprodução de Cor).
II. muito utilizada em grandes áreas sujeitas a nevoeiro.
III. tipo de lâmpada incandescente.
IV. baixa eficiência luminosa (lm/W).
V. elevada vida útil.
Caracterizam a lâmpada a vapor de sódio de alta pressão, o que consta APENAS em
Provas
Considere, abaixo, o programa em LADDER.

A expressão lógica simplificada equivalente é:
Provas
Um multímetro digital é utilizado para testar um transistor. Considere, abaixo, o modelo do conector de teste de transistor, as duas posições do seletor do multímetro, três possíveis resultados mostrados por seu display e a representação do transistor.

Foram realizados os testes seguintes:
Teste | Posição do transistor no conector | Display com seletor na posição − hFE (PNP) | Display com seletor na posição − hFE (NPN) |
1º | (1 − E1) ; (2 − B) ; (3 − C) | b | a |
2º | (1 − B) ; (2 − C) ; (3 − E2) | a | b |
3º | (3 − E1) ; (2 − B) ; (1 − C) | a | b |
4º | (3 − B) ; (2 − C) ; (1 − E2) | c | a |
Após esses testes, trata-se de um transistor
Provas
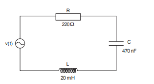
Atenção: Para responder às questões de números 51 e 52, considere o circuito abaixo.

Aplicando a lei de Kirchhoff, a expressão literal no domínio s é dada por:
Provas
Atenção: Para responder às questões de números 51 e 52, considere o circuito abaixo.

Se o gerador de tensão estiver operando na frequência de 1 kHz, o circuito terá
Provas
Sobre dispositivos de proteção elétrica, considere:
“Os sistemas de sopro unidirecional (mono blast) e bidirecional (dual blast) fazem parte ...I... e têm a função de ...II... .”
Preenche, correta e respectivamente, as lacunas I e II:
Provas
- Circuitos ElétricosCircuitos CACircuitos Trifásicos
- Instalações Elétricas
- Sistemas Elétricos de PotênciaDistribuição de Energia Elétrica
Uma subestação elevadora recebe a energia de um gerador hidrelétrico de 18 kV e capacidade de potência de 250 MW e entrega à linha de transmissão a tensão de 138 kV. Se o gerador estiver operando com a metade de sua capacidade, a corrente na linha de transmissão de alta tensão, em kA, valerá
Provas
Analise a estrutura semicondutora e o seu modelo equivalente abaixo.

Trata-se de um
Provas
Um contator possui quatro contatos auxiliares cujos terminais são codificados pelos números 21, 41, 22, 42, 13, 33, 14 e 34. Identifica corretamente esses contatos:
Provas
Caderno Container