Foram encontradas 2.095 questões.
A transmissão é um exemplo de refração múltipla. Assinale a opção que completa a afirmativa anterior
Provas
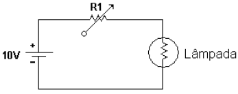
Sabendo-se que as especificações da lâmpada incandescente do circuito a seguir são: tensão 12V e potência 60W, qual o valor que deve ser ajustada a resistência R1 para que a lâmpada tenha sua potência limitada em 9,6W?

Provas
O concreto é um material composto por uma mistura de cimento portland, água, agregados graúdo e miúdo e, eventualmente, aditivos. Informe se é verdadeiro (V) ou falso (F) o que se afirma a respeito do concreto e assinale a alternativa que apresenta a sequência correta.
( ) A mistura do aglomerante mais água é denominada pasta.
( ) O concreto é empregado devido a sua boa resistência à compressão.
( ) O concreto é um meio predominantemente alcalino.
( ) A massa específica do concreto é da ordem de 1.200 kg/m3, o que facilita seu transporte e moldagem.
( ) A relação água/cimento (a/c) é a grande responsável pela resistência e pela durabilidade do concreto.
Provas
Topografia, segundo Domingues, “é a descrição exata e minuciosa de um lugar.” Ela é base de qualquer projeto e de qualquer obra realizada por engenheiros ou arquitetos.
Uma linha AB foi medida com uma trena de comprimento nominal igual a 20 m, obtendo-se, após vários lances, o valor de 92,12m. Qual o comprimento real da linha, ao constatar-se que a trena se encontrava dilatada de 6 cm?
Provas
- Fundamentos de Sistemas OperacionaisDiferenças entre Windows e Linux
- Sistemas de ArquivosTipos de Sistemas de ArquivosEXT2
- Sistemas de ArquivosTipos de Sistemas de ArquivosEXT3
As diversas versões do Linux suportam, de forma nativa (como parte do projeto do SO), os seguintes sistemas de arquivos
Provas
Quanto a inspeção de obras de artes a NBR 9452 define 3 tipos de inspeções. Associe as duas colunas relacionando o tipo de vistoria com sua definição e assinale a opção que apresenta a sequência correta.
( ) Vistoria especial.
( ) Vistoria cadastral.
( ) Vistoria rotineira.
1 – Vistoria de referência na qual são adotados os principais elementos para a segurança e durabilidade da obra; é complementada com o levantamento dos principais documentos e informes construtivos.
2 – Vistoria destinada a manter o cadastro da obra atualizado, devendo ser realizada a intervalos regulares de tempo, não superiores há um ano; também pode ser motivada por situações excepcionais.
3 – Vistoria pormenorizada da obra, visual e/ou instrumental, realizada por engenheiro especialista com finalidade de interpretar e avaliar ocorrências danosas detectadas por outro tipo de vistoria.
Provas
Preciso cadastrar um usuário que tenha um skel personalizado no /etc/skel_2. Como poderia fazer isso?
I. Por meio do arquivo / etc / useradd / default
II. Pelo parâmetro -k / etc / skel_2
III. Pelo comando usermod
IV. Com o arquivo / etc / default / useradd
Assinale a alternativa que possui as afirmativas verdadeiras.
Provas
Sobre os transistor de junção bipolar é correto afirmar que
I. os transistores de junção bipolar são formados por três camadas de materiais semicondutores, podendo ser do tipo npn ou pnp e possui três terminais chamados de base, coletor e emissor.
II. em um transistor npn, o coletor é densamente dopado enquanto a base é levemente dopada e o emissor é intermediariamente dopado, entre o nível denso de dopagem do coletor e a dopagem leve da base.
III. para um transistor do tipo npn a corrente de emissor é soma da corrente da base com a corrente de coletor, enquanto em um transistor do tipo pnp a corrente de coletor é a soma da corrente da base com a corrente de emissor.
IV. se a base de um transistor npn estiver em um potencial mais elevado que o emissor e a corrente de base for suficientemente grande para colocar o transistor na região de saturação, o transistor permanecerá ligado, desde que a junção de coletor para emissor esteja adequadamente polarizada, mas se a tensão de excitação da base for retirada, o transistor passará para modo desligado, ou seja, na região de corte.
Provas
A NBR 6122 define que há três tipos de solos. Correlacione as duas colunas a seguir e depois marque a alternativa que apresenta a sequência correta.
(1) Colapsíveis.
(2) Expansivos.
(3) Compressíveis.
( ) Solos que apresentam deformações elevadas, quando solicitados por sobrecargas pouco significativas, ou mesmo por efeito de carregamento, devido ao seu peso próprio.
( ) Solos que, por causa de sua composição mineralógica, aumentam de volume quando há alívio de tensões confinantes e acréscimo de teor de umidade.
( ) Solos que, apresentam brusca redução de volume quando submetidos a acréscimos de umidade, sob a ação de carga externa.
Provas
Encontre a combinação e assinale a sequência correta:
( 1 ) Transformador de Potencial
( 2 ) Transformador de Corrente
( 3 ) Transformador de Potência
( 4 ) Medidor de energia elétrica
( ) Equipamento utilizado para atender cargas.
( ) Equipamento utilizado para fornecer sinal a outros equipamentos, necessariamente encontrado em instalações de baixa tensão e média tensão.
( ) Equipamento utilizado para fornecer sinal a outros equipamentos, normalmente encontrado em instalações de média tensão.
( ) Equipamento encontrado em subestações industriais.
Provas
Caderno Container