Foram encontradas 60 questões.
O Triode for Alternating Current (TRIAC) é um componente eletrônico membro da família dos tiristores. Teoricamente pode ser considerado como um componente obtido pela ligação de dois SCR em oposição, tendo em comum um eletrodo de disparo.
Em um circuito, o que deve ser corretamente feito para que um (TRIAC) deixe de conduzir?
Provas
Questão presente nas seguintes provas
É correto afirmar que a única frase em que a forma verbal não está adequadamente empregada é
Provas
Questão presente nas seguintes provas
Os amplificadores, em geral, são circuitos capazes de aumentar em amplitude uma determinada grandeza, seja ela de tensão ou de corrente. Nos amplificadores transistorizados, a fonte CC estabelece correntes e tensões quiescentes e a fonte CA produz as flutuações nessas correntes e tensões.
A esse respeito, é correto afirmar que as linhas de carga que um amplificador possui correspondem a
Provas
Questão presente nas seguintes provas
Alfabeto de emojis
Antônio Prata*
1. “Paradoxalmente” – escreverá um historiador em 2218 – “foi a disseminação da escrita como principal forma de comunicação o que criou as condições para a sua própria morte”. O alfabeto latino, este fantástico conjunto de 26 letras que, combinadas infinitamente, podem nomear realidades tão distintas quanto “sol”, “schadenfreud” e “Argamassa Cimentcola Quartzolite”, começou sua lenta caminhada em direção ao brejo em setembro de 1982.
2. Foi ali, não muito depois da derrota do Brasil para a Itália de Paolo Rossi, que o cientista da computação Scott Fahlman sugeriu a colegas de Carnegie Mellon University, com os quais se comunicava online, usarem :) para distinguirem as piadas dos assuntos sérios. Mal sabia o tal Scott, criando essa possibilidade, que aquela inocente boca de parêntese era o protótipo da goela que viria a engolir quase 3.000 anos de alfabeto como se fosse uma sopa de letrinhas.
3. Os emoticons se espalharam pelo mundo de tal maneira que inundaram o ICQ, os chats e, principalmente, os celulares, mas nem todos os seres humanos aderiram imediatamente à moda. Alguns se recusaram por conservadorismo, alguns por uma burrice gráfica atávica que os impedia de compreender as imagens. [...]
4. Emoticons foram o início do fim, mas só o início. O coaxar dos sapos no brejo começou a incomodar mesmo com a chegada dos emojis. Confesso que, de novo, demorei pra entrar na onda. Desta vez não por desconhecimento, nem por burrice, mas por senso do ridículo. Quando que um adulto como eu iria mandar pra outro adulto um “smile” bicudo soltando um coração pelo canto da boca, como se fosse uma bola de chiclete? Nunca! “Nunca”, no caso, revelou-se estar a apenas uns cinco anos de distância da minha indignação.
5. Hoje eu mando coração pulsante pra contadora que me lembrou dos documentos do IR, mando John Travolta de roxo pro amigo que me pergunta se está confirmado o jantar na quinta e, se eu pagasse imposto sobre cada joia que envio daquele mãozão amarelo, não ia ter coração pulsante capaz de fazer minha contadora resolver a situação.
6. “Em meados do século 21” – escreverá o historiador de 2218 – “a humanidade abandonou o alfabeto e passou a se comunicar só por emojis”. A frase, claro, será toda escrita com emojis. Haverá tantos, iguaizinhos e tão variados, que será possível citar Shakespeare usando apenas desenhinhos. (Shakespeare, aliás, dá pra escrever. Imagem de milk-shake + duas chaves (keys) + pera (pear). Shake + keys + pear).
7. Teremos voltado ao tempo dos hieróglifos e não me assombra se as condições de vida regredirem às do antigo Egito, mas ninguém se importará, cada um de nós, hipnotizado pela tela que tantos apregoaram ser uma nova pedra de Roseta capaz de traduzir o mundo em nossas mãos, mas que no fim se revelou só um infernal e escravizante pergaminho. :-(
* Escritor e roteirista.
(Disponível em: <https://www1.folha.uol.com.br/colunas/antonioprata/2018/04/alfabeto-de-emojis.shtml>. Acesso em: 01 fev. 2019.
Adaptado.)
Na estrutura frasal “Desta vez não por desconhecimento, nem por burrice, mas por senso do ridículo.” (§ 4), a relação sintático-semântica do elemento articulador “NEM” estabelecida é a de
Provas
Questão presente nas seguintes provas
Dentre todas as especificações de operação AC de um amplificador operacional, qual limita corretamente o valor da tensão de saída em altas frequências?
Provas
Questão presente nas seguintes provas
Leia o enunciado que visa sensibilizar a comunidade internauta para assumir uma atitude preventiva diante de situações de risco ao utilizar ferramentas informáticas.

(Disponível em: <https://clds3gpenela.wordpress.com/nao-perca-tempo-vigie-se/>. Acesso em: 04 fev. 2019.)
É correto afirmar que o modo verbal predominante no texto indica a presença da função da linguagem denominada
Provas
Questão presente nas seguintes provas
Em que difere o funcionamento de um Retificador Controlado de Silício (SCR) de um Triode for Alternating Current (TRIAC)?
Provas
Questão presente nas seguintes provas
Alfabeto de emojis
Antônio Prata*
1. “Paradoxalmente” – escreverá um historiador em 2218 – “foi a disseminação da escrita como principal forma de comunicação o que criou as condições para a sua própria morte”. O alfabeto latino, este fantástico conjunto de 26 letras que, combinadas infinitamente, podem nomear realidades tão distintas quanto “sol”, “schadenfreud” e “Argamassa Cimentcola Quartzolite”, começou sua lenta caminhada em direção ao brejo em setembro de 1982.
2. Foi ali, não muito depois da derrota do Brasil para a Itália de Paolo Rossi, que o cientista da computação Scott Fahlman sugeriu a colegas de Carnegie Mellon University, com os quais se comunicava online, usarem :) para distinguirem as piadas dos assuntos sérios. Mal sabia o tal Scott, criando essa possibilidade, que aquela inocente boca de parêntese era o protótipo da goela que viria a engolir quase 3.000 anos de alfabeto como se fosse uma sopa de letrinhas.
3. Os emoticons se espalharam pelo mundo de tal maneira que inundaram o ICQ, os chats e, principalmente, os celulares, mas nem todos os seres humanos aderiram imediatamente à moda. Alguns se recusaram por conservadorismo, alguns por uma burrice gráfica atávica que os impedia de compreender as imagens. [...]
4. Emoticons foram o início do fim, mas só o início. O coaxar dos sapos no brejo começou a incomodar mesmo com a chegada dos emojis. Confesso que, de novo, demorei pra entrar na onda. Desta vez não por desconhecimento, nem por burrice, mas por senso do ridículo. Quando que um adulto como eu iria mandar pra outro adulto um “smile” bicudo soltando um coração pelo canto da boca, como se fosse uma bola de chiclete? Nunca! “Nunca”, no caso, revelou-se estar a apenas uns cinco anos de distância da minha indignação.
5. Hoje eu mando coração pulsante pra contadora que me lembrou dos documentos do IR, mando John Travolta de roxo pro amigo que me pergunta se está confirmado o jantar na quinta e, se eu pagasse imposto sobre cada joia que envio daquele mãozão amarelo, não ia ter coração pulsante capaz de fazer minha contadora resolver a situação.
6. “Em meados do século 21” – escreverá o historiador de 2218 – “a humanidade abandonou o alfabeto e passou a se comunicar só por emojis”. A frase, claro, será toda escrita com emojis. Haverá tantos, iguaizinhos e tão variados, que será possível citar Shakespeare usando apenas desenhinhos. (Shakespeare, aliás, dá pra escrever. Imagem de milk-shake + duas chaves (keys) + pera (pear). Shake + keys + pear).
7. Teremos voltado ao tempo dos hieróglifos e não me assombra se as condições de vida regredirem às do antigo Egito, mas ninguém se importará, cada um de nós, hipnotizado pela tela que tantos apregoaram ser uma nova pedra de Roseta capaz de traduzir o mundo em nossas mãos, mas que no fim se revelou só um infernal e escravizante pergaminho. :-(
* Escritor e roteirista.
(Disponível em: <https://www1.folha.uol.com.br/colunas/antonioprata/2018/04/alfabeto-de-emojis.shtml>. Acesso em: 01 fev. 2019.
Adaptado.)
Considere o período composto por subordinação, avalie as asserções a seguir e a relação proposta entre elas.
I . A construção consecutiva expressa por um período composto é constituída pelo conjunto de uma oração nuclear, ou principal, e uma consecutiva. Identifica-se essa situação no período “Os emoticons se espalharam pelo mundo de tal maneira que inundaram o ICQ, os chats e, principalmente, os celulares...” (§ 3),
PORQUE
II . ele apresenta construção consecutiva constituída de uma primeira oração que contém o estado de coisas (“Os emoticons se espalharam pelo mundo), a intensificação (“de tal maneira”) e uma condição do elemento intensificado na primeira oração (“que inundaram o ICQ, os chats e, principalmente, os celulares...”)
Sobre essas asserções, é correto afirmar que
Provas
Questão presente nas seguintes provas
Alfabeto de emojis
Antônio Prata*
1. “Paradoxalmente” – escreverá um historiador em 2218 – “foi a disseminação da escrita como principal forma de comunicação o que criou as condições para a sua própria morte”. O alfabeto latino, este fantástico conjunto de 26 letras que, combinadas infinitamente, podem nomear realidades tão distintas quanto “sol”, “schadenfreud” e “Argamassa Cimentcola Quartzolite”, começou sua lenta caminhada em direção ao brejo em setembro de 1982.
2. Foi ali, não muito depois da derrota do Brasil para a Itália de Paolo Rossi, que o cientista da computação Scott Fahlman sugeriu a colegas de Carnegie Mellon University, com os quais se comunicava online, usarem :) para distinguirem as piadas dos assuntos sérios. Mal sabia o tal Scott, criando essa possibilidade, que aquela inocente boca de parêntese era o protótipo da goela que viria a engolir quase 3.000 anos de alfabeto como se fosse uma sopa de letrinhas.
3. Os emoticons se espalharam pelo mundo de tal maneira que inundaram o ICQ, os chats e, principalmente, os celulares, mas nem todos os seres humanos aderiram imediatamente à moda. Alguns se recusaram por conservadorismo, alguns por uma burrice gráfica atávica que os impedia de compreender as imagens. [...]
4. Emoticons foram o início do fim, mas só o início. O coaxar dos sapos no brejo começou a incomodar mesmo com a chegada dos emojis. Confesso que, de novo, demorei pra entrar na onda. Desta vez não por desconhecimento, nem por burrice, mas por senso do ridículo. Quando que um adulto como eu iria mandar pra outro adulto um “smile” bicudo soltando um coração pelo canto da boca, como se fosse uma bola de chiclete? Nunca! “Nunca”, no caso, revelou-se estar a apenas uns cinco anos de distância da minha indignação.
5. Hoje eu mando coração pulsante pra contadora que me lembrou dos documentos do IR, mando John Travolta de roxo pro amigo que me pergunta se está confirmado o jantar na quinta e, se eu pagasse imposto sobre cada joia que envio daquele mãozão amarelo, não ia ter coração pulsante capaz de fazer minha contadora resolver a situação.
6. “Em meados do século 21” – escreverá o historiador de 2218 – “a humanidade abandonou o alfabeto e passou a se comunicar só por emojis”. A frase, claro, será toda escrita com emojis. Haverá tantos, iguaizinhos e tão variados, que será possível citar Shakespeare usando apenas desenhinhos. (Shakespeare, aliás, dá pra escrever. Imagem de milk-shake + duas chaves (keys) + pera (pear). Shake + keys + pear).
7. Teremos voltado ao tempo dos hieróglifos e não me assombra se as condições de vida regredirem às do antigo Egito, mas ninguém se importará, cada um de nós, hipnotizado pela tela que tantos apregoaram ser uma nova pedra de Roseta capaz de traduzir o mundo em nossas mãos, mas que no fim se revelou só um infernal e escravizante pergaminho. :-(
* Escritor e roteirista.
(Disponível em: <https://www1.folha.uol.com.br/colunas/antonioprata/2018/04/alfabeto-de-emojis.shtml>. Acesso em: 01 fev. 2019.
Adaptado.)
Informe se é verdadeiro (V) ou falso (F) o que se afirma sobre as concepções e as percepções do autor acerca dos emojis e dos emoticons.
( ) Constituem modismos próprios da contemporaneidade, mas sem uso prático no dia a dia das pessoas.
( ) Possuem, reconhecidamente, caráter global de aplicabilidade, criando novas demandas sociais de leitura e de escrita.
( ) Acrescentam elementos inovadores na comunicação não verbal, indicando que a escrita informal está cada vez mais multimodal.
( ) Remetem à visão da escrita como uma tecnologia autossuficiente, neutra, independente e que se recusa a aceitar novas configurações que transcendem as palavras.
( ) Adquirem o status de palavras e, por analogia, remetem à ideia de que, se egípcios antigos tinham os hieróglifos, o homem moderno criou alternativas de expressão.
De acordo com as afirmações, a sequência correta é
Provas
Questão presente nas seguintes provas
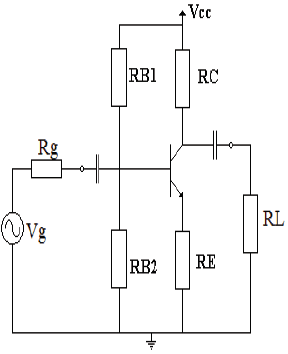
Observe a polarização universal apresentada a seguir.

Fonte: Arquivo da Banca Elaboradora.
Qual o valor correto da impedância de entrada do circuito amplificador, na polarização universal, considerando RB1 = 90KΩ, RB2 = 45KΩ, RC = 10KΩ e RE = 2kΩ?
Provas
Questão presente nas seguintes provas
Cadernos
Caderno Container