Foram encontradas 60 questões.
Alfabeto de emojis
Antônio Prata*
1. “Paradoxalmente” – escreverá um historiador em 2218 – “foi a disseminação da escrita como principal forma de comunicação o que criou as condições para a sua própria morte”. O alfabeto latino, este fantástico conjunto de 26 letras que, combinadas infinitamente, podem nomear realidades tão distintas quanto “sol”, “schadenfreud” e “Argamassa Cimentcola Quartzolite”, começou sua lenta caminhada em direção ao brejo em setembro de 1982.
2. Foi ali, não muito depois da derrota do Brasil para a Itália de Paolo Rossi, que o cientista da computação Scott Fahlman sugeriu a colegas de Carnegie Mellon University, com os quais se comunicava online, usarem :) para distinguirem as piadas dos assuntos sérios. Mal sabia o tal Scott, criando essa possibilidade, que aquela inocente boca de parêntese era o protótipo da goela que viria a engolir quase 3.000 anos de alfabeto como se fosse uma sopa de letrinhas.
3. Os emoticons se espalharam pelo mundo de tal maneira que inundaram o ICQ, os chats e, principalmente, os celulares, mas nem todos os seres humanos aderiram imediatamente à moda. Alguns se recusaram por conservadorismo, alguns por uma burrice gráfica atávica que os impedia de compreender as imagens. [...]
4. Emoticons foram o início do fim, mas só o início. O coaxar dos sapos no brejo começou a incomodar mesmo com a chegada dos emojis. Confesso que, de novo, demorei pra entrar na onda. Desta vez não por desconhecimento, nem por burrice, mas por senso do ridículo. Quando que um adulto como eu iria mandar pra outro adulto um “smile” bicudo soltando um coração pelo canto da boca, como se fosse uma bola de chiclete? Nunca! “Nunca”, no caso, revelou-se estar a apenas uns cinco anos de distância da minha indignação.
5. Hoje eu mando coração pulsante pra contadora que me lembrou dos documentos do IR, mando John Travolta de roxo pro amigo que me pergunta se está confirmado o jantar na quinta e, se eu pagasse imposto sobre cada joia que envio daquele mãozão amarelo, não ia ter coração pulsante capaz de fazer minha contadora resolver a situação.
6. “Em meados do século 21” – escreverá o historiador de 2218 – “a humanidade abandonou o alfabeto e passou a se comunicar só por emojis”. A frase, claro, será toda escrita com emojis. Haverá tantos, iguaizinhos e tão variados, que será possível citar Shakespeare usando apenas desenhinhos. (Shakespeare, aliás, dá pra escrever. Imagem de milk-shake + duas chaves (keys) + pera (pear). Shake + keys + pear).
7. Teremos voltado ao tempo dos hieróglifos e não me assombra se as condições de vida regredirem às do antigo Egito, mas ninguém se importará, cada um de nós, hipnotizado pela tela que tantos apregoaram ser uma nova pedra de Roseta capaz de traduzir o mundo em nossas mãos, mas que no fim se revelou só um infernal e escravizante pergaminho. :-(
* Escritor e roteirista.
(Disponível em: <https://www1.folha.uol.com.br/colunas/antonioprata/2018/04/alfabeto-de-emojis.shtml>. Acesso em: 01 fev. 2019.
Adaptado.)
Sobre a frase “‘Em meados do século 21’ – escreverá o historiador de 2218 – a humanidade abandonou o alfabeto e passou a se comunicar só por emojis” (§ 6), no contexto em que foi usada, é correto afirmar que ela expõe uma circunstância temporal, em que o cronista, no diálogo com um historiador hipotético,
Provas
Questão presente nas seguintes provas
Analise o circuito a seguir.

Fonte: Arquivo da Banca Elaboradora.
Considerando VCC = 12v, VBB = 4, Ic = 15mA, βcc = 150, VBE = 0,7v e VCE = 3v, os valores corretos de RC e RB, são, respectivamente,
Provas
Questão presente nas seguintes provas
Leia, o texto a seguir.
A concordância consiste em se adaptar a palavra determinante ao gênero, número e pessoa da palavra determinada. A concordância nominal se verifica em gênero e número entre o adjetivo e o pronome, o artigo, o numeral ou o particípio e o substantivo ou pronome a que se referem.
(BECHARA, Evanildo. Moderna Gramática Portuguesa. 37 ed. Rio de Janeiro: Nova Fronteira, 2009, p. 543. Adaptado.)
Considere esse princípio e a tirinha abaixo.

(Disponível em: <http://megatura.blogspot.com/2017/04/conotacao-e-denotacao-no-dia-dia.html>. Acesso em: 11 fev. 2019.)
A esse respeito, analise as asserções a seguir e a relação proposta entre elas.
I. Na frase do balão, a palavra “meio”, empregada no sentido de “um pouco”, é invariável,
PORQUE
II. como adjetivo, não concorda em gênero e número com o termo determinado “perdida”.
Sobre essas asserções, é correto afirmar que
Provas
Questão presente nas seguintes provas
Para o bom funcionamento de um retificador controlado de silício (SCR) é correto afirmar que se torna necessário aplicar um
Provas
Questão presente nas seguintes provas
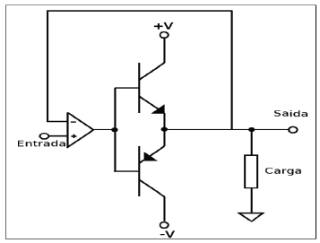
Observe a figura a seguir.
Fonte: Arquivo da Banca Elaboradora.
O nome dado à confi guração utilizada em amplifi cadores de áudio representada pela fi gura é corretamente chamado de
Provas
Questão presente nas seguintes provas
Alfabeto de emojis
Antônio Prata*
1. “Paradoxalmente” – escreverá um historiador em 2218 – “foi a disseminação da escrita como principal forma de comunicação o que criou as condições para a sua própria morte”. O alfabeto latino, este fantástico conjunto de 26 letras que, combinadas infinitamente, podem nomear realidades tão distintas quanto “sol”, “schadenfreud” e “Argamassa Cimentcola Quartzolite”, começou sua lenta caminhada em direção ao brejo em setembro de 1982.
2. Foi ali, não muito depois da derrota do Brasil para a Itália de Paolo Rossi, que o cientista da computação Scott Fahlman sugeriu a colegas de Carnegie Mellon University, com os quais se comunicava online, usarem :) para distinguirem as piadas dos assuntos sérios. Mal sabia o tal Scott, criando essa possibilidade, que aquela inocente boca de parêntese era o protótipo da goela que viria a engolir quase 3.000 anos de alfabeto como se fosse uma sopa de letrinhas.
3. Os emoticons se espalharam pelo mundo de tal maneira que inundaram o ICQ, os chats e, principalmente, os celulares, mas nem todos os seres humanos aderiram imediatamente à moda. Alguns se recusaram por conservadorismo, alguns por uma burrice gráfica atávica que os impedia de compreender as imagens. [...]
4. Emoticons foram o início do fim, mas só o início. O coaxar dos sapos no brejo começou a incomodar mesmo com a chegada dos emojis. Confesso que, de novo, demorei pra entrar na onda. Desta vez não por desconhecimento, nem por burrice, mas por senso do ridículo. Quando que um adulto como eu iria mandar pra outro adulto um “smile” bicudo soltando um coração pelo canto da boca, como se fosse uma bola de chiclete? Nunca! “Nunca”, no caso, revelou-se estar a apenas uns cinco anos de distância da minha indignação.
5. Hoje eu mando coração pulsante pra contadora que me lembrou dos documentos do IR, mando John Travolta de roxo pro amigo que me pergunta se está confirmado o jantar na quinta e, se eu pagasse imposto sobre cada joia que envio daquele mãozão amarelo, não ia ter coração pulsante capaz de fazer minha contadora resolver a situação.
6. “Em meados do século 21” – escreverá o historiador de 2218 – “a humanidade abandonou o alfabeto e passou a se comunicar só por emojis”. A frase, claro, será toda escrita com emojis. Haverá tantos, iguaizinhos e tão variados, que será possível citar Shakespeare usando apenas desenhinhos. (Shakespeare, aliás, dá pra escrever. Imagem de milk-shake + duas chaves (keys) + pera (pear). Shake + keys + pear).
7. Teremos voltado ao tempo dos hieróglifos e não me assombra se as condições de vida regredirem às do antigo Egito, mas ninguém se importará, cada um de nós, hipnotizado pela tela que tantos apregoaram ser uma nova pedra de Roseta capaz de traduzir o mundo em nossas mãos, mas que no fim se revelou só um infernal e escravizante pergaminho. :-(
* Escritor e roteirista.
(Disponível em: <https://www1.folha.uol.com.br/colunas/antonioprata/2018/04/alfabeto-de-emojis.shtml>. Acesso em: 01 fev. 2019.
Adaptado.)
Leia o último parágrafo transcrito do texto.
“Teremos voltado ao tempo dos hieróglifos e não me assombra se as condições de vida regredirem às do antigo Egito, mas ninguém se importará, cada um de nós, hipnotizado pela tela que tantos apregoaram ser uma nova pedra de Roseta capaz de traduzir o mundo em nossas mãos, mas que no fim se revelou só um infernal e escravizante pergaminho. :-( “
Nesse trecho, o autor usa a expressão destacada com a intenção de, predominantemente,
Provas
Questão presente nas seguintes provas
É correto afirmar que o valor do Vond (Tensão de ondulação) de um retificador de onda completa, de maneira que, para uma tensão eficaz no secundário do transformador de 12v, obtenhamos na carga uma tensão média de 16v, é
Provas
Questão presente nas seguintes provas
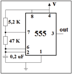
Analise o circuito a seguir.

Fonte: Arquivo da Banca Elaboradora.
Qual a frequência correta do sinal produzido pelo circuito?
Provas
Questão presente nas seguintes provas
Leia, a tirinha a seguir.

(Disponível em: <https://www.institutonetclaroembratel.org.br/educacao/para-ensinar/planos-de-aula/vozes-verbais/> Acesso em 11 fev.
2019.)
Considerando a relação que o sujeito mantém com o verbo, está correto afirmar que, no primeiro quadrinho, a voz verbal é
Provas
Questão presente nas seguintes provas
Leia, o continho a seguir.
Rubro-negras
“Devem fazer alguns meses que elas adeusaram. Vidas inteiras pela frente. Juntas, jogaram bastante vezes. Cúmplices por tudo. Aquelas camisas rubro-negras agora assistem um jogo no camarote da arena celestial.”
(Fonte: Autoria própria.)
Há, no miniconto, inadequações em relação à
Provas
Questão presente nas seguintes provas
Cadernos
Caderno Container