Foram encontradas 60 questões.
Leia, o texto a seguir.
Em um período composto por subordinação, a oração principal não exerce nenhuma função sintática em outra oração do período; a oração subordinada desempenha sempre uma função sintática em outra oração, pois dela é um termo ou parte de um termo.
(CUNHA, Celso; CINTRA, Lindley. Nova Gramática do Português Contemporâneo. 6. ed. Rio de Janeiro. Lexikon Editora Digital,
2013, p. 610.)
A esse respeito, leia o texto.
Licença para telefonar
“O telefone chama uma, duas, três vezes, e nada. Ele é solenemente ignorado. O toque soa invasivo e obsoleto (ainda que a era dos smartphones tenha substituído o velho trimtrim por uma miríade de sons com estilo e graça). O fato é que o mundo girou, e o ato de conversar ao telefone foi se tornando um daqueles hábitos em desuso diante da praticidade das mensagens de texto.”
(VEJA. São Paulo: Abril, edição 2611, ano 51. n. 49, 5 dez. 2018, p.88. Adaptado.)
Considerando o que diz respeito ao período composto por subordinação, é correto afirmar que a oração destacada no texto se classifica como
Provas
Questão presente nas seguintes provas
Avalie atentamente o esquema elétrico a seguir.

Fonte: Arquivo da Banca Elaboradora.
Os valores corretos de RE e de RB necessários para que o relé seja acionado são, respectivamente,
Provas
Questão presente nas seguintes provas
Leia o texto a seguir.
“Dois anos de férias, um clássico da literatura infantojuvenil, é um livro cultuado por mais de um século pelos fãs de Júlio Verne e um ícone da impressionante literatura de aventura do século XIX.”

(Disponível em: <https://www.edipro.com.br/produto/doisanos-
de-ferias/>. Acesso em: 03 fev. 2019. Adaptado.)
No título do livro, observa-se a unidade lexical “férias” que, na Língua Portuguesa, não possui marca de número, ou seja, trata-se de uma palavra que só se emprega no plural.
A esse respeito, é correto afirmar que o único substantivo citado a seguir que não se enquadra nessa regra é
Provas
Questão presente nas seguintes provas
Leia o texto a seguir.
Ao estudar a forma e a função das palavras, não se pode desvincular o estudo de uma do estudo da outra, pois forma e função coexistem e seus papéis só se definem solidariamente. De acordo com a forma que apresentam, as palavras classificam-se em substantivos, adjetivos, numerais, artigos, pronomes, verbos, advérbios, preposições, conjunções e interjeições.
(CEREJA, William Roberto, MAGALHÃES, Thereza Cochar. Gramática Reflexiva: Texto, semântica e interação. São Paulo: Saraiva,
2009, p. 114.)
A esse respeito, leia o texto a seguir.
Economia de água
“Os dados estatísticos nos ajudam a compreender melhor o quanto a sociedade está ciente de seu consumo de água, do meio em que vive e das necessidades do mundo contemporâneo com relação aos recursos naturais. Em novembro de 2011, o Ibope conduziu 2002 entrevistas pessoais em todo o território nacional, investigando a consciência dos brasileiros ao lidar com os recursos hídricos.”
(Disponível em: <http://www.alago.org.br/imagens/image/dicasuteis/economiadeagua.pdf> Acesso em: 11 fev. 2019. Adaptado.)
A propósito dos termos destacados no texto, avalie as seguintes afirmações.
I. Melhor é advérbio.
II. 2011 é um numeral ordinal.
III. Sociedade é substantivo coletivo.
IV. Lidar é um verbo regular e transitivo.
Está correto apenas o que se afirma em
Provas
Questão presente nas seguintes provas
Considerando que a crase ocorre apenas antes de palavra feminina e é a fusão escrita e oral de duas vogais idênticas, preencha as lacunas do texto de Mário Quintana.
Perna de Pau
“Uma perna de pau está muito mais próxima da natureza do que uma perna mecânica. E é mais romântica, afinal. Que querem? Pertenço ainda _____ Idade da Madeira. E escrevo isto com a minha caneta de plástico, _____ esta minha mesa de metal inoxidável e ante _____ página aberta destas ‘Histórias Ilustradas’, de onde me espiam coloridamente, no tombadilho de uma fragata, a princesa prisioneira, o pirata da perna de pau e do olho tapado e o belo espécime de um licorne branco, mas que parece alheio _____ tudo quanto se passa dentro do livro e no lado de fora do livro.”
(QUINTANA, Mário. Caderno H. São Paulo: Globo, 2003, p.130.)
A sequência que preenche corretamente as lacunas do texto é
Provas
Questão presente nas seguintes provas
Circuitos de disparo são responsáveis pela aplicação do pulso de gatilho em tiristores. Esse mesmo circuito, por meio desse disparo, desempenha outra função muito importante dos circuitos tiristorizados.
Portanto, é correto afirmar que a outra função é
Provas
Questão presente nas seguintes provas
Alfabeto de emojis
Antônio Prata*
1. “Paradoxalmente” – escreverá um historiador em 2218 – “foi a disseminação da escrita como principal forma de comunicação o que criou as condições para a sua própria morte”. O alfabeto latino, este fantástico conjunto de 26 letras que, combinadas infinitamente, podem nomear realidades tão distintas quanto “sol”, “schadenfreud” e “Argamassa Cimentcola Quartzolite”, começou sua lenta caminhada em direção ao brejo em setembro de 1982.
2. Foi ali, não muito depois da derrota do Brasil para a Itália de Paolo Rossi, que o cientista da computação Scott Fahlman sugeriu a colegas de Carnegie Mellon University, com os quais se comunicava online, usarem :) para distinguirem as piadas dos assuntos sérios. Mal sabia o tal Scott, criando essa possibilidade, que aquela inocente boca de parêntese era o protótipo da goela que viria a engolir quase 3.000 anos de alfabeto como se fosse uma sopa de letrinhas.
3. Os emoticons se espalharam pelo mundo de tal maneira que inundaram o ICQ, os chats e, principalmente, os celulares, mas nem todos os seres humanos aderiram imediatamente à moda. Alguns se recusaram por conservadorismo, alguns por uma burrice gráfica atávica que os impedia de compreender as imagens. [...]
4. Emoticons foram o início do fim, mas só o início. O coaxar dos sapos no brejo começou a incomodar mesmo com a chegada dos emojis. Confesso que, de novo, demorei pra entrar na onda. Desta vez não por desconhecimento, nem por burrice, mas por senso do ridículo. Quando que um adulto como eu iria mandar pra outro adulto um “smile” bicudo soltando um coração pelo canto da boca, como se fosse uma bola de chiclete? Nunca! “Nunca”, no caso, revelou-se estar a apenas uns cinco anos de distância da minha indignação.
5. Hoje eu mando coração pulsante pra contadora que me lembrou dos documentos do IR, mando John Travolta de roxo pro amigo que me pergunta se está confirmado o jantar na quinta e, se eu pagasse imposto sobre cada joia que envio daquele mãozão amarelo, não ia ter coração pulsante capaz de fazer minha contadora resolver a situação.
6. “Em meados do século 21” – escreverá o historiador de 2218 – “a humanidade abandonou o alfabeto e passou a se comunicar só por emojis”. A frase, claro, será toda escrita com emojis. Haverá tantos, iguaizinhos e tão variados, que será possível citar Shakespeare usando apenas desenhinhos. (Shakespeare, aliás, dá pra escrever. Imagem de milk-shake + duas chaves (keys) + pera (pear). Shake + keys + pear).
7. Teremos voltado ao tempo dos hieróglifos e não me assombra se as condições de vida regredirem às do antigo Egito, mas ninguém se importará, cada um de nós, hipnotizado pela tela que tantos apregoaram ser uma nova pedra de Roseta capaz de traduzir o mundo em nossas mãos, mas que no fim se revelou só um infernal e escravizante pergaminho. :-(
* Escritor e roteirista.
(Disponível em: <https://www1.folha.uol.com.br/colunas/antonioprata/2018/04/alfabeto-de-emojis.shtml>. Acesso em: 01 fev. 2019.
Adaptado.)
“Alfabeto de emojis” é uma crônica jornalística, gênero textual caracterizado pela leveza da narrativa e que geralmente extrai do cotidiano a sua inspiração.
A esse respeito, avalie algumas características que podem ser identificadas especificamente nesse texto.
I. O engajamento público.
II. O onírico como tema central.
III. A presença de discurso crítico.
IV. A comunicação em transformação.
V. A fundamentação apenas em fatos fictícios.
Está correto apenas o que se afirma em
Provas
Questão presente nas seguintes provas
Alfabeto de emojis
Antônio Prata*
1. “Paradoxalmente” – escreverá um historiador em 2218 – “foi a disseminação da escrita como principal forma de comunicação o que criou as condições para a sua própria morte”. O alfabeto latino, este fantástico conjunto de 26 letras que, combinadas infinitamente, podem nomear realidades tão distintas quanto “sol”, “schadenfreud” e “Argamassa Cimentcola Quartzolite”, começou sua lenta caminhada em direção ao brejo em setembro de 1982.
2. Foi ali, não muito depois da derrota do Brasil para a Itália de Paolo Rossi, que o cientista da computação Scott Fahlman sugeriu a colegas de Carnegie Mellon University, com os quais se comunicava online, usarem :) para distinguirem as piadas dos assuntos sérios. Mal sabia o tal Scott, criando essa possibilidade, que aquela inocente boca de parêntese era o protótipo da goela que viria a engolir quase 3.000 anos de alfabeto como se fosse uma sopa de letrinhas.
3. Os emoticons se espalharam pelo mundo de tal maneira que inundaram o ICQ, os chats e, principalmente, os celulares, mas nem todos os seres humanos aderiram imediatamente à moda. Alguns se recusaram por conservadorismo, alguns por uma burrice gráfica atávica que os impedia de compreender as imagens. [...]
4. Emoticons foram o início do fim, mas só o início. O coaxar dos sapos no brejo começou a incomodar mesmo com a chegada dos emojis. Confesso que, de novo, demorei pra entrar na onda. Desta vez não por desconhecimento, nem por burrice, mas por senso do ridículo. Quando que um adulto como eu iria mandar pra outro adulto um “smile” bicudo soltando um coração pelo canto da boca, como se fosse uma bola de chiclete? Nunca! “Nunca”, no caso, revelou-se estar a apenas uns cinco anos de distância da minha indignação.
5. Hoje eu mando coração pulsante pra contadora que me lembrou dos documentos do IR, mando John Travolta de roxo pro amigo que me pergunta se está confirmado o jantar na quinta e, se eu pagasse imposto sobre cada joia que envio daquele mãozão amarelo, não ia ter coração pulsante capaz de fazer minha contadora resolver a situação.
6. “Em meados do século 21” – escreverá o historiador de 2218 – “a humanidade abandonou o alfabeto e passou a se comunicar só por emojis”. A frase, claro, será toda escrita com emojis. Haverá tantos, iguaizinhos e tão variados, que será possível citar Shakespeare usando apenas desenhinhos. (Shakespeare, aliás, dá pra escrever. Imagem de milk-shake + duas chaves (keys) + pera (pear). Shake + keys + pear).
7. Teremos voltado ao tempo dos hieróglifos e não me assombra se as condições de vida regredirem às do antigo Egito, mas ninguém se importará, cada um de nós, hipnotizado pela tela que tantos apregoaram ser uma nova pedra de Roseta capaz de traduzir o mundo em nossas mãos, mas que no fim se revelou só um infernal e escravizante pergaminho. :-(
* Escritor e roteirista.
(Disponível em: <https://www1.folha.uol.com.br/colunas/antonioprata/2018/04/alfabeto-de-emojis.shtml>. Acesso em: 01 fev. 2019.
Adaptado.)
Observe a passagem transcrita do quarto parágrafo da crônica.
“Quando que um adulto como eu iria mandar pra outro adulto um “smile” bicudo soltando um coração pelo canto da boca, como se fosse uma bola de chiclete? Nunca! “Nunca”, no caso, revelou-se estar a apenas uns cinco anos de distância da minha indignação.”
Considere as unidades lexicais destacadas e preencha corretamente as lacunas do texto.
Na primeira ocorrência, o termo “nunca” exerce a função sintática de _______________. Já na segunda, deve ser analisado como _______________ da última oração. No primeiro emprego, no que se refere à sua organização morfológica, trata-se de uma classe gramatical invariável denominada _______________.
A sequência que preenche corretamente as lacunas do texto é
Provas
Questão presente nas seguintes provas
Avalie o esquema a seguir.

Fonte: Arquivo da Banca Elaboradora.
O esquema elétrico representa corretamente qual tipo de circuito?
Provas
Questão presente nas seguintes provas
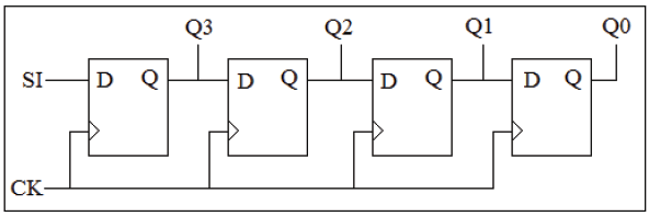
Apresenta-se, a seguir, o circuito de um contador.

Fonte: Arquivo da Banca Elaboradora.
Considerando que a contagem desse contador se inicie no zero, qual será o último número de sua sequência?
Provas
Questão presente nas seguintes provas
Cadernos
Caderno Container