Foram encontradas 60 questões.
Em relação ao verbo, o pronome átono pode estar antes dele (proclítico), depois dele (enclítico) e no meio dele (mesoclítico).
Associe as colunas, relacionando corretamente a posição do pronome átono à sua norma geral de colocação.
POSIÇÕES
(1) Proclítica
(2) Enclítica
(3) Mesoclítica
NORMAS DE COLOCAÇÃO
(...) Orações em que o verbo está no futuro do indicativo.
(...) Locuções verbais em que o verbo principal está no infinitivo.
(...) Orações iniciadas com pronomes e advérbios interrogativos.
(...) Orações que possuem o gerúndio regido da preposição “em”.
A sequência correta dessa associação é
Provas
Questão presente nas seguintes provas
Alfabeto de emojis
Antônio Prata*
1. “Paradoxalmente” – escreverá um historiador em 2218 – “foi a disseminação da escrita como principal forma de comunicação o que criou as condições para a sua própria morte”. O alfabeto latino, este fantástico conjunto de 26 letras que, combinadas infinitamente, podem nomear realidades tão distintas quanto “sol”, “schadenfreud” e “Argamassa Cimentcola Quartzolite”, começou sua lenta caminhada em direção ao brejo em setembro de 1982.
2. Foi ali, não muito depois da derrota do Brasil para a Itália de Paolo Rossi, que o cientista da computação Scott Fahlman sugeriu a colegas de Carnegie Mellon University, com os quais se comunicava online, usarem :) para distinguirem as piadas dos assuntos sérios. Mal sabia o tal Scott, criando essa possibilidade, que aquela inocente boca de parêntese era o protótipo da goela que viria a engolir quase 3.000 anos de alfabeto como se fosse uma sopa de letrinhas.
3. Os emoticons se espalharam pelo mundo de tal maneira que inundaram o ICQ, os chats e, principalmente, os celulares, mas nem todos os seres humanos aderiram imediatamente à moda. Alguns se recusaram por conservadorismo, alguns por uma burrice gráfica atávica que os impedia de compreender as imagens. [...]
4. Emoticons foram o início do fim, mas só o início. O coaxar dos sapos no brejo começou a incomodar mesmo com a chegada dos emojis. Confesso que, de novo, demorei pra entrar na onda. Desta vez não por desconhecimento, nem por burrice, mas por senso do ridículo. Quando que um adulto como eu iria mandar pra outro adulto um “smile” bicudo soltando um coração pelo canto da boca, como se fosse uma bola de chiclete? Nunca! “Nunca”, no caso, revelou-se estar a apenas uns cinco anos de distância da minha indignação.
5. Hoje eu mando coração pulsante pra contadora que me lembrou dos documentos do IR, mando John Travolta de roxo pro amigo que me pergunta se está confirmado o jantar na quinta e, se eu pagasse imposto sobre cada joia que envio daquele mãozão amarelo, não ia ter coração pulsante capaz de fazer minha contadora resolver a situação.
6. “Em meados do século 21” – escreverá o historiador de 2218 – “a humanidade abandonou o alfabeto e passou a se comunicar só por emojis”. A frase, claro, será toda escrita com emojis. Haverá tantos, iguaizinhos e tão variados, que será possível citar Shakespeare usando apenas desenhinhos. (Shakespeare, aliás, dá pra escrever. Imagem de milk-shake + duas chaves (keys) + pera (pear). Shake + keys + pear).
7. Teremos voltado ao tempo dos hieróglifos e não me assombra se as condições de vida regredirem às do antigo Egito, mas ninguém se importará, cada um de nós, hipnotizado pela tela que tantos apregoaram ser uma nova pedra de Roseta capaz de traduzir o mundo em nossas mãos, mas que no fim se revelou só um infernal e escravizante pergaminho. :-(
* Escritor e roteirista.
(Disponível em: <https://www1.folha.uol.com.br/colunas/antonioprata/2018/04/alfabeto-de-emojis.shtml>. Acesso em: 01 fev. 2019.
Adaptado.)
Nem sempre, num dado texto, as palavras apresentam um único sentido, aquele encontrado no dicionário. Empregadas em determinados contextos, elas ganham novos sentidos, figurados, carregados de valores afetivos ou sociais. A comunicação é feita através das várias significações dos signos linguísticos. Quando transmitimos ou recebemos uma mensagem, seja por linguagem oral, escrita ou não verbal, estabelecemos comunicação. Sintonizados com esses conceitos, concluímos que, em uma língua, a conotação e a denotação são as variações de significados que ocorrem no signo linguístico.
A esse respeito, releia os dois primeiros parágrafos do texto. Sobre eles, é correto afirmar que as palavras ou expressões estão empregadas denotativamente em
Provas
Questão presente nas seguintes provas
Considere um retifi cador de onda completa com Center Tape, sem fi ltro a capacitor e tensão efi caz no secundário de seu transformador de 15v.
Qual será o valor correto da tensão média entregue à carga, caso um de seus diodos estiver ligado de forma invertida?
Provas
Questão presente nas seguintes provas
Alfabeto de emojis
Antônio Prata*
1. “Paradoxalmente” – escreverá um historiador em 2218 – “foi a disseminação da escrita como principal forma de comunicação o que criou as condições para a sua própria morte”. O alfabeto latino, este fantástico conjunto de 26 letras que, combinadas infinitamente, podem nomear realidades tão distintas quanto “sol”, “schadenfreud” e “Argamassa Cimentcola Quartzolite”, começou sua lenta caminhada em direção ao brejo em setembro de 1982.
2. Foi ali, não muito depois da derrota do Brasil para a Itália de Paolo Rossi, que o cientista da computação Scott Fahlman sugeriu a colegas de Carnegie Mellon University, com os quais se comunicava online, usarem :) para distinguirem as piadas dos assuntos sérios. Mal sabia o tal Scott, criando essa possibilidade, que aquela inocente boca de parêntese era o protótipo da goela que viria a engolir quase 3.000 anos de alfabeto como se fosse uma sopa de letrinhas.
3. Os emoticons se espalharam pelo mundo de tal maneira que inundaram o ICQ, os chats e, principalmente, os celulares, mas nem todos os seres humanos aderiram imediatamente à moda. Alguns se recusaram por conservadorismo, alguns por uma burrice gráfica atávica que os impedia de compreender as imagens. [...]
4. Emoticons foram o início do fim, mas só o início. O coaxar dos sapos no brejo começou a incomodar mesmo com a chegada dos emojis. Confesso que, de novo, demorei pra entrar na onda. Desta vez não por desconhecimento, nem por burrice, mas por senso do ridículo. Quando que um adulto como eu iria mandar pra outro adulto um “smile” bicudo soltando um coração pelo canto da boca, como se fosse uma bola de chiclete? Nunca! “Nunca”, no caso, revelou-se estar a apenas uns cinco anos de distância da minha indignação.
5. Hoje eu mando coração pulsante pra contadora que me lembrou dos documentos do IR, mando John Travolta de roxo pro amigo que me pergunta se está confirmado o jantar na quinta e, se eu pagasse imposto sobre cada joia que envio daquele mãozão amarelo, não ia ter coração pulsante capaz de fazer minha contadora resolver a situação.
6. “Em meados do século 21” – escreverá o historiador de 2218 – “a humanidade abandonou o alfabeto e passou a se comunicar só por emojis”. A frase, claro, será toda escrita com emojis. Haverá tantos, iguaizinhos e tão variados, que será possível citar Shakespeare usando apenas desenhinhos. (Shakespeare, aliás, dá pra escrever. Imagem de milk-shake + duas chaves (keys) + pera (pear). Shake + keys + pear).
7. Teremos voltado ao tempo dos hieróglifos e não me assombra se as condições de vida regredirem às do antigo Egito, mas ninguém se importará, cada um de nós, hipnotizado pela tela que tantos apregoaram ser uma nova pedra de Roseta capaz de traduzir o mundo em nossas mãos, mas que no fim se revelou só um infernal e escravizante pergaminho. :-(
* Escritor e roteirista.
(Disponível em: <https://www1.folha.uol.com.br/colunas/antonioprata/2018/04/alfabeto-de-emojis.shtml>. Acesso em: 01 fev. 2019.
Adaptado.)
Uma palavra possui, por definição, muitos significados os quais mudam dependendo do contexto onde ela é inserida. Por outro lado, há elementos que dão todo o sentido para um texto. Assim, estuda-se como as palavras devem ser articuladas para dar sentido ao texto (coesão), da mesma forma que se trabalha para que o texto tenha sentido (coerência).
A esse respeito, avalie as informações propostas sobre a crônica lida.
I. Na expressão "mãozão amarelo" (§ 5), embora pareça soar estranho, o termo em destaque é o aumentativo de "mão".
II. Em "... não me assombra se as condições de vida regredirem às do antigo Egito..." (§ 7), o vocábulo "às" remete a um elemento que não foi explicitado no texto.
III. Na frase "Paradoxalmente – escreverá um historiador de 2218" (§ 1), a palavra sublinhada pode ser substituída por "congruentemente", sem que se altere o sentido original do trecho.
IV. Em "Haverá tantos, iguaizinhos ou tão variados, que será impossível citar Shakespeare usando apenas desenhinhos." (§ 6), o vocábulo "iguaizinhos" é elemento que tem a função coesiva de retomar um termo mencionado anteriormente.
Está correto apenas o que se afirma em
Provas
Questão presente nas seguintes provas
Leia a tirinha de Caco Galhardo e observe a grafia da palavra “por que”.
Estado de Minas, Ilustrada, 08 fev. 2019, p. 6.
No segundo quadrinho, é correto afirmar que há um erro na grafia do termo “por que”?
Provas
Questão presente nas seguintes provas
Um retificador controlado de onda completa com Center Tape (CT) alimenta uma carga puramente resistiva com um certo valor de tensão Vo(avg) para um determinado ângulo α.
É correto afirmar que, se na saída desse retificador o ângulo α aumentar, o retificador fornecerá à carga uma tensão Vo(avg)
Provas
Questão presente nas seguintes provas
Alfabeto de emojis
Antônio Prata*
1. “Paradoxalmente” – escreverá um historiador em 2218 – “foi a disseminação da escrita como principal forma de comunicação o que criou as condições para a sua própria morte”. O alfabeto latino, este fantástico conjunto de 26 letras que, combinadas infinitamente, podem nomear realidades tão distintas quanto “sol”, “schadenfreud” e “Argamassa Cimentcola Quartzolite”, começou sua lenta caminhada em direção ao brejo em setembro de 1982.
2. Foi ali, não muito depois da derrota do Brasil para a Itália de Paolo Rossi, que o cientista da computação Scott Fahlman sugeriu a colegas de Carnegie Mellon University, com os quais se comunicava online, usarem :) para distinguirem as piadas dos assuntos sérios. Mal sabia o tal Scott, criando essa possibilidade, que aquela inocente boca de parêntese era o protótipo da goela que viria a engolir quase 3.000 anos de alfabeto como se fosse uma sopa de letrinhas.
3. Os emoticons se espalharam pelo mundo de tal maneira que inundaram o ICQ, os chats e, principalmente, os celulares, mas nem todos os seres humanos aderiram imediatamente à moda. Alguns se recusaram por conservadorismo, alguns por uma burrice gráfica atávica que os impedia de compreender as imagens. [...]
4. Emoticons foram o início do fim, mas só o início. O coaxar dos sapos no brejo começou a incomodar mesmo com a chegada dos emojis. Confesso que, de novo, demorei pra entrar na onda. Desta vez não por desconhecimento, nem por burrice, mas por senso do ridículo. Quando que um adulto como eu iria mandar pra outro adulto um “smile” bicudo soltando um coração pelo canto da boca, como se fosse uma bola de chiclete? Nunca! “Nunca”, no caso, revelou-se estar a apenas uns cinco anos de distância da minha indignação.
5. Hoje eu mando coração pulsante pra contadora que me lembrou dos documentos do IR, mando John Travolta de roxo pro amigo que me pergunta se está confirmado o jantar na quinta e, se eu pagasse imposto sobre cada joia que envio daquele mãozão amarelo, não ia ter coração pulsante capaz de fazer minha contadora resolver a situação.
6. “Em meados do século 21” – escreverá o historiador de 2218 – “a humanidade abandonou o alfabeto e passou a se comunicar só por emojis”. A frase, claro, será toda escrita com emojis. Haverá tantos, iguaizinhos e tão variados, que será possível citar Shakespeare usando apenas desenhinhos. (Shakespeare, aliás, dá pra escrever. Imagem de milk-shake + duas chaves (keys) + pera (pear). Shake + keys + pear).
7. Teremos voltado ao tempo dos hieróglifos e não me assombra se as condições de vida regredirem às do antigo Egito, mas ninguém se importará, cada um de nós, hipnotizado pela tela que tantos apregoaram ser uma nova pedra de Roseta capaz de traduzir o mundo em nossas mãos, mas que no fim se revelou só um infernal e escravizante pergaminho. :-(
* Escritor e roteirista.
(Disponível em: <https://www1.folha.uol.com.br/colunas/antonioprata/2018/04/alfabeto-de-emojis.shtml>. Acesso em: 01 fev. 2019.
Adaptado.)
O texto a seguir foi transcrito de um aplicativo de mensagens WhatsApp e apresenta um diálogo entre dois usuários.

(Disponível em: <http://www.filologia.org.br/rph/ANO22/66supl/0083.pdf>. Acesso em 03 fev. 2019.)
Considerando o seu contexto de uso, é correto afirmar que a principal relação entre o ícone [ :/ ], citado no texto, e o [ :-( ], presente na última frase da crônica de Antônio Prata, diz respeito ao emprego desses emoticons para
Provas
Questão presente nas seguintes provas
Fontes de alimentação tipicamente possuem valor de tensão constante, sejam elas CA ou CC. Caso seja preciso variar ou controlar a potência aplicada a uma carga, é necessário o emprego de algum tipo de dispositivo capaz de controlar a quantidade de energia a ser transferida para a carga. Choppers são circuitos que podem desempenhar essa função.
Quais são as técnicas de chaveamento mais utilizadas em circuitos Choppers?
Provas
Questão presente nas seguintes provas
Tempos de sofrência
Minerar, sindemia, flopar, kit-net, meia culpa – conhece?
Ruy Castro*
1. Há tempos venho me sentindo como Rip van Winkle, um personagem de ficção que, um dia, resolveu dar um passeio fora de sua aldeia.
2. Caminhou horas, subiu uma montanha e recostou-se sob uma árvore para dar um cochilo. Fechou os olhos e dormiu por 20 anos. Acordou sem saber de nada, voltou para sua terra e, lá, estranhou não reconhecer seus conterrâneos nem entender certas coisas. Ao dar um viva ao rei inglês, fizeram-lhe cara feia – ele deveria ter vivado o presidente americano, George Washington. Rip não sabia que, enquanto dormia, seu país ficara independente.
3. O autor dessa história, lançada em 1819, é Washington Irving, escritor americano, autor da obra homônima. Assim como Rip van Winkle, abri o jornal outro dia e li: “Ataque derruba defesa de PCs para minerar moeda virtual”. Boiei. Sei muito bem que minerar significa escavar, extrair – extrair de uma mina, por exemplo –, mas a frase continuou um mistério. Em outro jornal, deparei com o título: “Sindemia é maior ameaça à saúde humana e do planeta”. Alarmado, corri ao dicionário – o que seria uma “sindemia”? Mas o Houaiss e o Aurélio também devem ter dormido por 20 anos, porque não a registram. Reli o artigo e continuei sem entender. Parece ter a ver com a desnutrição ou com a obesidade ou talvez com as duas.
4. Tenho tentado me atualizar com certas expressões ultimamente comuns no noticiário. Duas pessoas “dão um match”, ou seja, combinam. Fulana “é o crush” – a paquera – do Beltrano. Há semanas, li que alguém “flopou” – fracassou. Só falta alguém escrever que Sicrano “baixou um app para levar seu pet na bike”. E aprendi no Online uma nova e deliciosa maneira de grafar kitchenette: kit-net.
5. Na TV, um locutor disse que não sei quem iria fazer “meia culpa” – o latim mea-culpa, imagino. Outra pronunciou o francês “Belle Époque” como “béli-époki”.
6. Tempos de “sofrência” para quem lê ou ouve.
* Jornalista e escritor, autor das biografias de Carmen Miranda, Garrincha e Nelson Rodrigues.
(Folha de São Paulo, Caderno Opinião, 11 fev. 2019, p. A2. Adaptado.)
É correto afirmar que uma das estratégias utilizadas pelo autor para construir o seu texto está focada, fundamentalmente, no uso da/de
Provas
Questão presente nas seguintes provas
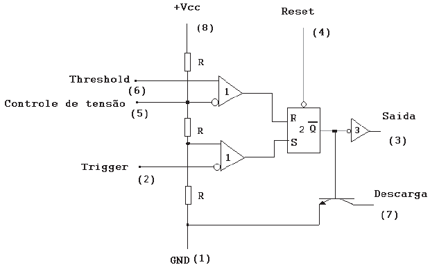
O esquema elétrico a seguir representa um circuito integrado muito versátil, de fácil utilização e, por isso, ainda hoje é utilizado em diversas aplicações na área da eletrônica.

Fonte: Arquivo da Banca Elaboradora.
É correto afirmar que o esquema demonstrado representa o circuito integrado
Provas
Questão presente nas seguintes provas
Cadernos
Caderno Container