Foram encontradas 60 questões.
Um diodo ideal está ligado diretamente em uma rede de alimentação CA industrial para constituir um retificador de CC de meia onda, conforme mostrado na figura.

A tensão Vcc desenvolvida na carga é
Provas
Os tiristores, tais como o SCR e o TRIAC são dispositivos semicondutores amplamente usados no controle industrial e nas fontes de alimentação de potência. Sobre o assunto, analise as afirmativas a seguir.
I. O SCR é um dispositivo cujo estado é controlado pela magnitude da corrente injetada na sua porta.
II. Além do disparo através da porta, o SCR pode ser ligado com uma corrente de porta igual a zero.
III. Um TRIAC pode ser disparado em qualquer sentido, mas não permite o controle do ângulo de condução nas aplicações de corrente alternada.
IV. Um SCR do tipo GTO possui a vantagem de poder ser ligado e desligado através da porta, mas exige maior corrente de porta para seu acionamento.
Estão corretas apenas as afirmativas:
Provas
Disciplina: Engenharia de Telecomunicações
Banca: DIRENS Aeronáutica
Orgão: CIAAR
A figura abaixo mostra parte de um sistema ideal de micro-ondas operando na faixa de SHF.

Supondo que o sinal recebido do terminal remoto seja vrf = 5\( \mu \)V e que o atenuador intermediário esteja ajustado para 10 dB, o sinal de saída do sistema será de
Provas
Considere o circuito digital mostrado abaixo.

A expressão booleana que relaciona a saída X com as condições lógicas das entradas A, B e C é
Provas
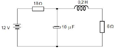
Considere o esquema elétrico mostrado abaixo.

Assumindo componentes ideais, a potência fornecida ao resistor de 6\( \Omega \) em estado estável é
Provas
O esquema elétrico abaixo mostra um retificador de CC isolado com transformador, usando componentes ideais.

A saída de Vcc da fonte é
Provas
Disciplina: Engenharia de Telecomunicações
Banca: DIRENS Aeronáutica
Orgão: CIAAR
Uma fonte de sinal de micro-ondas produz uma saída eficaz de 1 \( \mu \)V, sendo sua resistência interna de 1 k\( \Omega \) . A fonte é usada em um sistema com largura de faixa de 1 kHz e trabalha na temperatura de 290 K.
Sendo a constante de Boltzmann kB = 1,38 x 10-23 J/K, a razão sinal/ruído da fonte é
Provas
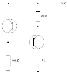
O circuito mostrado abaixo usa transistores de silício onde VBE = 0,7 V e o ganho de corrente é 100.

A corrente fornecida à carga RL é
Provas
Uma carga trifásica ligada em estrela usa impedâncias de fase iguais de 6 + j8 ohms, sendo alimentada por um sistema de 220 V / 60 Hz. A potência ativa consumida pela carga é
Provas
Um transformador ideal com relação de transformação de 25 está sendo usado para casar a impedância de uma carga de 4\( \Omega \) com a saída de um amplificador. A impedância do amplificador é
Provas
Caderno Container