Foram encontradas 60 questões.
O esquema abaixo mostra a arquitetura de um contador de 4 bits.

Fonte: Banca Examinadora, 2026. Após o décimo primeiro pulso de clock, o código digital presente nas saídas Q0 até Q4 será
Provas
Uma antena monopolo instalada no teto de uma viatura está ligada em um transceptor para comunicações móveis, operando na faixa de 150 MHz.
Assumindo condições ideais, o comprimento da antena deve ser de:
Provas
No circuito abaixo, o sinal aplicado é vi(t) = 100 cos1000t

O sinal de saída é
Provas
O diagrama de blocos mostra um sistema de controle típico realimentado.

O valor de K para que o sistema tenha raízes reais e iguais no plano s é
Provas
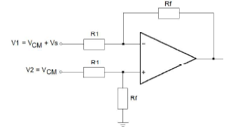
Amplificadores operacionais podem ser usados para rejeitar com sucesso interferências de modo comum VCM presentes na saída de sensores. Uma configuração típica para tal aplicação está mostrada no esquema abaixo, assim como os parâmetros aplicáveis.
R1 = 1 k\( \Omega \)
Rf = 1 M\( \Omega \)
VCM = 1 V
Vs = 1 mV
CMRR = 100 dB

O sinal de saída Vo é
Provas
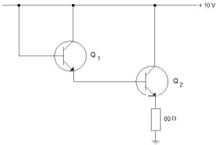
O circuito abaixo usa transistores de silício ideais, sendo \( \beta \)Q1 = 50, \( \beta \)Q2 = 10 e VBE = 0,7 V.

A corrente na base de Q1 é
Provas
No circuito com diodo mostrado abaixo os componentes são ideais e o gráfico que representa a forma de onda do sinal de excitação vi está mostrado ao lado do esquema. Estão também mostradas quatro opções de gráficos para representar a saída vo.

O gráfico que representa a saída vo é
Provas
O sistema abaixo usa componentes ideais para processar o sinal de entrada Ve.

Para Ve = 1 V e Vsp = 2 V, os valores de R2 e R3 que podem ser usados para se obter uma saída Vo = 1 V são:
Provas
Um transdutor de temperatura trabalha na faixa de 0°C até 100°C fornecendo uma saída de 0 - 5 V. A saída do transdutor é aplicada na entrada de um conversor analógico-digital de 8 bits. Quando a temperatura medida pelo transdutor for de 24°C, o código digital correspondente disponibilizado na saída do conversor será
Provas
Analise os períodos compostos abaixo.
É dúvida que ele não compareceu à reunião.
A dúvida é que ele não compareceu à reunião.
As orações subordinadas destacadas nos períodos acima exercem funções sintáticas diferentes. Marque a opção correta que apresenta, respectivamente, essas funções:
Provas
Caderno Container