Foram encontradas 60 questões.
A questão abaixo referem-se ao Texto.
Algumas dicas ajudam a melhorar a produção de hortas caseiras
Em uma empresa de Sorocaba (SP), vendas de mudas para hortas caseiras saltou de 5% para 20% em um período de quatro anos.
As hortas caseiras têm se tornado opção cada vez mais presente na mesa das pessoas. Os itens, cultivados com muito carinho e colhidos na hora, podem fazer toda a diferença na hora do consumo.
O mercado já percebeu essa mudança no estilo de vida da população. Em uma empresa, situada em Sorocaba (SP), as vendas de mudas de hortas caseiras saltaram de 5% para 20% em um período de quatro anos, com cerca de 180 mil unidades por semana.
Dentro de casa, é possível cultivar uma série de vegetais distintos. Entre eles, alface, rúcula, brócolis, couve-flor e pepino, garantindo uma alimentação mais saudável, sem agrotóxicos e com um maior valor nutricional.
"Tenho vários clientes que atendo em busca de uma vida mais saudável. É uma distração, uma terapia, uma ocupação. As pessoas relatam que esperam o final de semana para dar uma desestressada, fazendo o próprio manejo da horta ou plantando outras mudas", comenta Marcelo Higashi, dono do espaço.
Analise as assertivas abaixo, considerando a classificação e o papel das orações coordenadas na construção da argumentação e progressão textual.
I. No trecho "O mercado já percebeu essa mudança no estilo de vida da população, e as vendas de mudas de hortas caseiras saltaram de 5% para 20%", há uma oração coordenada sindética aditiva, cuja função é enfatizar a relação de consequência entre a percepção da mudança pelo mercado e o crescimento das vendas.
II. No trecho "É uma distração, uma terapia, uma ocupação. As pessoas relatam que esperam o final de semana para dar uma desestressada", observa-se a ausência de conectivo explícito entre as orações, caracterizando um caso de coordenação assindética, que contribui para o efeito de enumeração e reforço das diferentes razões que motivam os clientes a manterem hortas caseiras.
III. No trecho "Os itens, cultivados com muito carinho e colhidos na hora, podem fazer toda a diferença na hora do consumo, mas exigem cuidados específicos", há uma oração coordenada sindética adversativa, cuja presença do conectivo adversativo indica uma oposição absoluta entre os enunciados, anulando a relação positiva da primeira oração.
IV. No trecho "Dentro de casa, é possível cultivar uma série de vegetais distintos, por isso muitas pessoas adotam essa prática", a oração introduzida pela locução "por isso" pode ser classificada como coordenada sindética conclusiva, pois estabelece uma relação lógica de consequência entre a possibilidade de cultivo e a adesão das pessoas a essa prática.
Estão corretas apenas as assertivas
Provas
A questão abaixo referem-se ao Texto.
Algumas dicas ajudam a melhorar a produção de hortas caseiras
Em uma empresa de Sorocaba (SP), vendas de mudas para hortas caseiras saltou de 5% para 20% em um período de quatro anos.
As hortas caseiras têm se tornado opção cada vez mais presente na mesa das pessoas. Os itens, cultivados com muito carinho e colhidos na hora, podem fazer toda a diferença na hora do consumo.
O mercado já percebeu essa mudança no estilo de vida da população. Em uma empresa, situada em Sorocaba (SP), as vendas de mudas de hortas caseiras saltaram de 5% para 20% em um período de quatro anos, com cerca de 180 mil unidades por semana.
Dentro de casa, é possível cultivar uma série de vegetais distintos. Entre eles, alface, rúcula, brócolis, couve-flor e pepino, garantindo uma alimentação mais saudável, sem agrotóxicos e com um maior valor nutricional.
"Tenho vários clientes que atendo em busca de uma vida mais saudável. É uma distração, uma terapia, uma ocupação. As pessoas relatam que esperam o final de semana para dar uma desestressada, fazendo o próprio manejo da horta ou plantando outras mudas", comenta Marcelo Higashi, dono do espaço.
Analise as afirmativas a seguir e informe verdadeiro (V) ou falso (F), considerando as regras de concordância nominal da Língua Portuguesa, e em seguida, marque a opção que apresenta a sequência correta.
( ) No trecho "Os itens, cultivados com muito carinho e colhidos na hora, podem fazer toda a diferença na hora do consumo.", a expressão "toda a diferença" está corretamente flexionada, pois o adjetivo "toda" concorda com "diferença", que está no singular e é feminino.
( ) No trecho "Dentro de casa, é possível cultivar uma série de vegetais distintos.", a concordância nominal está correta, pois o adjetivo "distintos" concorda com "vegetais", que é o núcleo do sujeito e está no plural.
( ) No trecho "Uma alimentação mais saudável, sem agrotóxicos e com um maior valor nutricional.", o adjetivo "maior" está corretamente flexionado no singular, pois concorda com "valor", que também está no singular.
( ) No trecho "É uma distração, uma terapia, uma ocupação agradável e necessárias para quem busca qualidade de vida.", a concordância nominal está correta, pois o adjetivo "necessárias" concorda com todos os substantivos enumerados anteriormente.
( ) No trecho "As hortas caseiras têm se tornado opção cada vez mais presente na mesa das pessoas.", a palavra "presente" deveria estar no plural ("presentes") para concordar com "hortas caseiras".
Provas
A questão abaixo referem-se ao Texto.
Algumas dicas ajudam a melhorar a produção de hortas caseiras
Em uma empresa de Sorocaba (SP), vendas de mudas para hortas caseiras saltou de 5% para 20% em um período de quatro anos.
As hortas caseiras têm se tornado opção cada vez mais presente na mesa das pessoas. Os itens, cultivados com muito carinho e colhidos na hora, podem fazer toda a diferença na hora do consumo.
O mercado já percebeu essa mudança no estilo de vida da população. Em uma empresa, situada em Sorocaba (SP), as vendas de mudas de hortas caseiras saltaram de 5% para 20% em um período de quatro anos, com cerca de 180 mil unidades por semana.
Dentro de casa, é possível cultivar uma série de vegetais distintos. Entre eles, alface, rúcula, brócolis, couve-flor e pepino, garantindo uma alimentação mais saudável, sem agrotóxicos e com um maior valor nutricional.
"Tenho vários clientes que atendo em busca de uma vida mais saudável. É uma distração, uma terapia, uma ocupação. As pessoas relatam que esperam o final de semana para dar uma desestressada, fazendo o próprio manejo da horta ou plantando outras mudas", comenta Marcelo Higashi, dono do espaço.
Marque a opção em que a reescrita de trechos do Texto I apresenta inadequações, de acordo com as normas gramaticais, quanto ao uso da concordância verbal.
Provas
A questão abaixo referem-se ao Texto.
Algumas dicas ajudam a melhorar a produção de hortas caseiras
Em uma empresa de Sorocaba (SP), vendas de mudas para hortas caseiras saltou de 5% para 20% em um período de quatro anos.
As hortas caseiras têm se tornado opção cada vez mais presente na mesa das pessoas. Os itens, cultivados com muito carinho e colhidos na hora, podem fazer toda a diferença na hora do consumo.
O mercado já percebeu essa mudança no estilo de vida da população. Em uma empresa, situada em Sorocaba (SP), as vendas de mudas de hortas caseiras saltaram de 5% para 20% em um período de quatro anos, com cerca de 180 mil unidades por semana.
Dentro de casa, é possível cultivar uma série de vegetais distintos. Entre eles, alface, rúcula, brócolis, couve-flor e pepino, garantindo uma alimentação mais saudável, sem agrotóxicos e com um maior valor nutricional.
"Tenho vários clientes que atendo em busca de uma vida mais saudável. É uma distração, uma terapia, uma ocupação. As pessoas relatam que esperam o final de semana para dar uma desestressada, fazendo o próprio manejo da horta ou plantando outras mudas", comenta Marcelo Higashi, dono do espaço.
No trecho "Os itens, cultivados com muito carinho e colhidos na hora, fazem toda a diferença na hora do consumo.", caso houvesse a inclusão da palavra "bem" antes de cultivados, haveria necessidade de uso do hífen entre "bem" e "cultivados"? Marque a opção que apresenta a resposta correta para esse questionamento com base nas regras do Acordo Ortográfico da Língua Portuguesa.
Provas
A questão abaixo referem-se ao Texto.
Algumas dicas ajudam a melhorar a produção de hortas caseiras
Em uma empresa de Sorocaba (SP), vendas de mudas para hortas caseiras saltou de 5% para 20% em um período de quatro anos.
As hortas caseiras têm se tornado opção cada vez mais presente na mesa das pessoas. Os itens, cultivados com muito carinho e colhidos na hora, podem fazer toda a diferença na hora do consumo.
O mercado já percebeu essa mudança no estilo de vida da população. Em uma empresa, situada em Sorocaba (SP), as vendas de mudas de hortas caseiras saltaram de 5% para 20% em um período de quatro anos, com cerca de 180 mil unidades por semana.
Dentro de casa, é possível cultivar uma série de vegetais distintos. Entre eles, alface, rúcula, brócolis, couve-flor e pepino, garantindo uma alimentação mais saudável, sem agrotóxicos e com um maior valor nutricional.
"Tenho vários clientes que atendo em busca de uma vida mais saudável. É uma distração, uma terapia, uma ocupação. As pessoas relatam que esperam o final de semana para dar uma desestressada, fazendo o próprio manejo da horta ou plantando outras mudas", comenta Marcelo Higashi, dono do espaço.
O Texto I discute o crescente interesse pelas hortas caseiras, destacando aspectos relacionados ao estilo de vida das pessoas e à evolução do mercado. Com base nessa análise, assinale a opção correta.
Provas
A questão abaixo referem-se ao Texto.
Algumas dicas ajudam a melhorar a produção de hortas caseiras
Em uma empresa de Sorocaba (SP), vendas de mudas para hortas caseiras saltou de 5% para 20% em um período de quatro anos.
As hortas caseiras têm se tornado opção cada vez mais presente na mesa das pessoas. Os itens, cultivados com muito carinho e colhidos na hora, podem fazer toda a diferença na hora do consumo.
O mercado já percebeu essa mudança no estilo de vida da população. Em uma empresa, situada em Sorocaba (SP), as vendas de mudas de hortas caseiras saltaram de 5% para 20% em um período de quatro anos, com cerca de 180 mil unidades por semana.
Dentro de casa, é possível cultivar uma série de vegetais distintos. Entre eles, alface, rúcula, brócolis, couve-flor e pepino, garantindo uma alimentação mais saudável, sem agrotóxicos e com um maior valor nutricional.
"Tenho vários clientes que atendo em busca de uma vida mais saudável. É uma distração, uma terapia, uma ocupação. As pessoas relatam que esperam o final de semana para dar uma desestressada, fazendo o próprio manejo da horta ou plantando outras mudas", comenta Marcelo Higashi, dono do espaço.
Leia o trecho retirado do Texto I.
"Os itens, cultivados com muitos e colhidos na hora, podem fazer toda a diferença na hora do consumo. "
Sobre o uso da vírgula no trecho acima, marque a opção que segue a mesma regra.
Provas
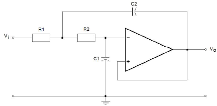
O circuito mostrado abaixo usa componentes ideais para constituir um filtro ativo com topologia Sallen-Key.

Sendo R1 = R2 = 1 k\( \Omega \) os valores de C1 e C2 para se obter uma resposta Butterworth com frequência de corte de 1000 rad/s são:
Provas
Sobre o uso dos pronomes relativos, marque a opção incorreta.
Provas
A questão abaixo referem-se ao Texto II.
Cuidadores tendem a subestimar a capacidade das pessoas com Alzheimer
Coordenadora do Laboratório de Estudos sobre a Consciência em Transtornos Neurodegenerativos da UFRJ lembra que, sem estímulos, a condição dos pacientes se deteriora mais rapidamente.
O Laboratório de Estudos sobre a Consciência em Transtomos Neurodegenerativos (LabCONS) da Universidade Federal do Rio de Janeiro tem a coordenação da psicóloga clínica Marcia Cristina Nascimento Dourado, professora adjunta do Instituto de Psiquiatria da UFRJ e especializada nos cuidados a idosos. Ali são realizadas inúmeras pesquisas com pessoas com a Doença de Alzheimer - entre elas, medir a percepção dos indivíduos sobre sua enfermidade.
"Há 25 anos, atendia pessoas com Alzheimer em psicoterapia e comecei a me perguntar se conseguiam perceber o que estava acontecendo com elas em decorrência da doença. Meu trabalho nasceu desses questionamentos e as pesquisas mostram que há aspectos da cognição que ficam mais preservados. A pessoa pode ter problemas de memória, mas identifica se os outros a estão desqualificando. Em muitos casos, será capaz de dizer que se sente um inútil porque não o deixam fazer nada. As limitações vão aumentando gradativamente, mas o cuidador tende a subestimar a capacidade de um portador de Alzheimer", afirma a professora.
Dourado faz uma ressalva importante: o cuidador normalmente está sobrecarregado, o que faz com que procure resolver tudo de uma forma rápida e prática. Entretanto, sem estímulos, a condição se deteriora mais rapidamente, por isso essa não é a alternativa ideal na fase inicial da enfermidade: "Sabemos que acaba sendo trabalhoso. Se a pessoa for lavar um prato, talvez não fique limpo, mas, para o portador de demência, lavar aquele prato é relevante, porque dá uma sensação de autonomia, melhora a autoestima. Da mesma forma, na hora de sair, seria bem mais estimulante apresentar pelo menos duas opções de roupas para que a escolha seja dele", ensina.
A psicóloga lembra que os cuidadores, na maioria composta por esposas e filhas, podem participar de sessões de psicoeducação, para entender não apenas o que é a doença, mas também para aprender a lidar com seus próprios sentimentos: "Há uma tendência de culpabilizar o cuidador, como se ele nunca fizesse o bastante. Se a filha teve uma mãe agressiva ou negligente, haverá uma mescla de ressentimento, obrigação, raiva. É preciso considerar o contexto da relação.
A professora Dourado enfatiza que, no Alzheimer, os domínios que têm um componente emocional ou afetivo se deterioram num ritmo menos acelerado. Portanto, embora seja comum que o paciente não reconheça que enfrenta problemas de memória, distingue alterações nas relações sociais e na forma como é tratado - inclusive no estágio moderado da doença: "O fato de estar esquecido não impede que o portador de Alzheimer perceba uma expressão de irritação - ele não virou uma planta, mas os outros inclusive se referem à pessoa como se não estivesse no local. O diagnóstico acaba virando sinônimo de desqualificação".
Num dos últimos estudos feitos pelos pesquisadores, que contou com a participação de colegas da Universidade Federal de Santa Catarina, foi identificada uma diferença significativa entre as perspectivas dos pacientes e cuidadores sobre o funcionamento socioemocional de pessoas com Alzheimer leve e moderado. O projeto envolveu uma avaliação transversal de 102 com sintomas leves e 59 casos considerados moderados e seus principais cuidadores.
De maneira geral, portadores de Alzheimer moderado são mais dependentes nas atividades diárias, o que faz com que os cuidadores avaliem seu desempenho de forma mais negativa em relação a outras habilidades. O estudo recebeu investimentos da Fundação Carlos Chagas Filho de Amparo à Pesquisa do Estado do Rio de Janeiro (Faperi) e do Conselho Nacional de Desenvolvimento Científico e Tecnológico (CNPq) e os resultados foram publicados na revista científica Journal of Alzheimer Disease and Associatied Disorders.
Considerando os conectivos destacados, associe as colunas relacionando as orações com suas respectivas classificações.
| Orações | Classificações |
|---|---|
| (1)"Se a pessoa for levar um prato, talvez não fique limpo,mas para o portador de demência, lavar aquele prato é relevante, porque dá uma sensação de autonomia, melhora a autoestima." | ( ) Oração Subordinada Substantiva Adverbial Condicional. |
| (2)"A psicóloga lembra que os cuidadores, na maioria composta por esposas e filhas, podem participar de sessões de psicoeducação, para entender não apenas o que é a doença,mas também para aprender a lidar com seus próprios sentimentos." | ( ) Oração Subordinada Substantiva Adverbial Causal. |
| (3)"O fato de estar esquecido não impede que o portador de Alzheimer perceba uma expressão de irritação - ele não virou uma planta, mas os outros inclusive se referem à pessoa como se não estivesse no local." | ( ) Oração Subordinada Substantiva Adverbial Concessiva. |
| (4) "Se a filha teve uma mãe agressiva ou negligente haverá uma mescla de ressentimento, obrigação, raiva." | ( ) Oração Subordinada Substantiva Adverbial Aditiva. |
| (5)"Embora seja comum que o paciente não reconheça que enfrenta problemas de memória, distingue alterações na relações sociais e na forma como é tratado - inclusive no estágio moderado da doença. " | ( ) Oração Subordinada Substantiva Adverbial Adversativa. |
A sequência correta dessa associação é:
Provas
A questão abaixo referem-se ao Texto.
Algumas dicas ajudam a melhorar a produção de hortas caseiras
Em uma empresa de Sorocaba (SP), vendas de mudas para hortas caseiras saltou de 5% para 20% em um período de quatro anos.
As hortas caseiras têm se tornado opção cada vez mais presente na mesa das pessoas. Os itens, cultivados com muito carinho e colhidos na hora, podem fazer toda a diferença na hora do consumo.
O mercado já percebeu essa mudança no estilo de vida da população. Em uma empresa, situada em Sorocaba (SP), as vendas de mudas de hortas caseiras saltaram de 5% para 20% em um período de quatro anos, com cerca de 180 mil unidades por semana.
Dentro de casa, é possível cultivar uma série de vegetais distintos. Entre eles, alface, rúcula, brócolis, couve-flor e pepino, garantindo uma alimentação mais saudável, sem agrotóxicos e com um maior valor nutricional.
"Tenho vários clientes que atendo em busca de uma vida mais saudável. É uma distração, uma terapia, uma ocupação. As pessoas relatam que esperam o final de semana para dar uma desestressada, fazendo o próprio manejo da horta ou plantando outras mudas", comenta Marcelo Higashi, dono do espaço.
O Texto I apresenta informações sobre o crescimento das hortas caseiras e suas vantagens. Com base no Texto I, analise as afirmativas a seguir.
I. O texto menciona duas vezes a mesma informação sobre o crescimento das vendas de mudas para hortas caseiras em uma empresa de Sorocaba, o que pode indicar um problema de redundância textual.
II. A fala de Marcelo Higashi reforça a ideia de que a prática da horticultura caseira vai além da alimentação, funcionando também como uma atividade terapêutica e de lazer.
III. O texto sugere que o cultivo de hortas caseiras tem impulsionado a economia local, mas não apresenta dados concretos sobre o impacto financeiro para a empresa mencionada.
IV. Apesar de destacar os benefícios das hortas caseiras, o texto não menciona desafios ou dificuldades que podem estar envolvidas no cultivo dessas hortas.
Estão corretas apenas as afirmativas
Provas
Caderno Container