Foram encontradas 899 questões.

O circuito ilustrado na figura acima representa um filtro passa-banda de segunda ordem. Considerando os amplificadores operacionais ideais, a função de transferência \( \dfrac{V_o(s)}{v_1(s)} \) do circuito é:
Provas
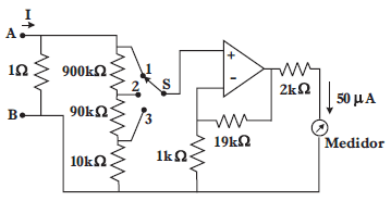
A figura abaixo ilustra um amperímetro eletrônico, onde a chave S seleciona a faixa de operação e o medidor é a parte do instrumento responsável pela leitura da corrente que passa efetivamente pelos terminais A e B.

Considerando-se que o amplificador operacional seja ideal, que a chave S esteja ligada na posição 1 e que a corrente que passa pelo medidor seja de 50 A, o valor aproximado da corrente I que está sendo medida é:
Provas
A Cia. São Paulo apresentou um lucro líquido de R$ 250,00 em 2004. Estão incluídos neste resultado os seguintes valores, em reais:
- Depreciação 30,00
- Variação Monetária Ativa de Longo Prazo 10,00
- Resultado Positivo de Participação em Controladas 15,00
O Lucro Líquido Ajustado apresentado na Demonstração de Origens e Aplicações de Recursos, em reais, será de:
Provas
A palavra que FOGE à regra de acentuação que as demais seguem é:
Provas
Quanto ao FGTS, pode-se afirmar que os empregadores são obrigados a depositar, em conta bancária vinculada, a importância correspondente a 8% da remuneração paga ou devida, no mês anterior, a cada trabalhador, até o dia:
Provas
A Cia. Boas Novas obteve, em 2004, um lucro líquido de R$ 1.200,00, apresentado na Demonstração do Resultado, onde estão incluídos os seguintes valores, em reais:
|
Despesa de Depreciação |
60,00 |
|
Resultado Positivo de Equivalência Patrimonial |
40,00 |
|
Receitas de Aplicações Financeiras |
20,00 |
A empresa recebeu aluguel antecipado (do ano seguinte, 2005) no valor de R$ 30,00, classificado no grupo de Resultado de Exercícios Futuros, terminando o ano de 2004 com este saldo.
O lucro líquido ajustado a ser apresentado na Demonstração de Origens e Aplicações de Recursos da Cia. Boas Novas será, em reais, de:
Provas
No Processo Civil, da decisão do relator que nega seguimento a recurso de apelação por considerá-lo contrário à jurisprudência dominante do Supremo Tribunal Federal:
Provas
Um velho conhecido das estradas
O pau-de-arara ainda não saiu de cena. Substituído pelos ônibus como meio de transporte de retirantes do Nordeste para o Sudeste, ele ainda circula por estradas empoeiradas do sertão.
Os desconfortáveis caminhões foram usados por muitos nordestinos que deixaram a terra natal, principalmente nas décadas de 40 e 50, para tentar a sorte em cidades como Rio, São Paulo e Belo Horizonte. A imagem dos veículos ficou tão associada aos retirantes que inspirou canções como “O último pau-de-arara” (Venâncio, Corumbá e José Guimarães): “Só deixo o meu Cariri/No último pau-de-arara”.
A partir dos anos 50, os paus-de-arara foram sumindo das rodovias no eixo Nordeste-Sudeste, sendo substituídos por Kombis, principalmente na década de 60, e, mais recentemente, por ônibus. Proibidos de transportar passageiros nas rodovias federais porque, entre outras razões, não oferecem segurança aos passageiros, os caminhões ficaram restritos às rotas do sertão e do agreste. Mas muitos continuaram trazendo, clandestinamente, migrantes para o Sudeste.
Em 26 de janeiro de 1990, a curiosidade de retirantes diante das belezas da Baía de Guanabara levou à apreensão de um pau-de-arara na Ponte Rio-Niterói. E mostrou que o meio de transporte, que se imaginava banido das rodovias federais, ainda era usado. Ansiosos para observar a vista da ponte, alguns dos 22 migrantes que viajavam espremidos no caminhão F-4000, da Bahia para São Paulo, retiraram a lona que cobria a carroceria, despertando a atenção da polícia.
Segundo o IBGE, o Rio é o quarto estado que mais atrai migrantes (de todas as regiões). O primeiro é São Paulo; o segundo é Minas; Goiás aparece em terceiro; o Rio surge em quarto lugar, seguido do Paraná.
MARQUEIRO, Paulo e SCHMIDT, Selma. O Globo. 17 maio 2005 (com adaptações).
Considere as frases: Os retirantes ____________ ter uma vida melhor. Alguns ____________ amigos que já tinham partido antes.
As formas verbais que completam corretamente as frases são, respectivamente:
Provas
A casa, a rua e o trabalho
Observe-se uma cidade brasileira. Nela, há um nítido movimento rotineiro.Do trabalho para casa, de casa para o trabalho. A casa e a rua interagem e se complementam num ciclo que é cumprido diariamente por homens e mulheres, velhos e crianças. (...) Há uma divisão clara entre dois espaços sociais fundamentais que dividem a vida social brasileira: o mundo da casa e o mundo da rua — onde estão, teoricamente, o trabalho, o movimento, a surpresa e a tentação.
É claro que a rua serve também como o espaço típico do lazer. Mas ela, como um conceito inclusivo e básico da vida social — como “rua” — é o lugar do movimento, em contraste com a calma e a tranqüilidade da casa, o lar e a morada.
De fato, na casa ou em casa, somos membros de uma família e de um grupo fechado com fronteiras e limites bem definidos. Seu núcleo é constituído de pessoas que possuem a mesma substância — a mesma carne, o mesmo sangue e, conseqüentemente, as mesmas tendências. Tal substância física se projeta em propriedades e muitas outras coisas comuns. A idéia de um destino em conjunto e de objetos, relações, valores (as chamadas “tradições de família”) que todos do grupo sabem que importa resguardar e preservar. Disse que isso se chamava “tradição”, e é assim que normalmente falamos desses símbolos coletivos que distinguem uma residência, dando- lhe certo estilo e certa maneira de ser e estar. Mas tais valores podem também ser chamados de “honra” e “vergonha”, pois as famílias bem-definidas e com alto sentido de casa e grupo são coletividades que atuam com uma personalidade coletiva bem-definida. De tal ordem que elas são uma “pessoa moral”, algo que age unitária e corporativamente, como um indivíduo entre outros.
DaMatta, Roberto. O que faz o brasil, Brasil. Rio de Janeiro: Ed. Rocco,1991
Em “ conseqüentemente” o emprego do trema justifica-se:
Provas
Caderno Container