Foram encontradas 485 questões.
Considerando o circuito a seguir:

Qual é a corrente que passa pelo resistor de 8 Ω?
Provas
Um engenheiro precisa dimensionar os condutores de alimentação de um motor de indução trifásico e, para isso, precisa calcular a corrente nominal do motor. Estão disponíveis as seguintes informações:
- motor de indução trifásico de 30 CV;
- tensão de linha da rede 380 V;
- fechamento do motor em Y;
- fator de potência 0,92 (atrasado).
Com base nas informações apresentadas, qual será a corrente nominal aproximada que o engenheiro deverá utilizar para o dimensionamento dos condutores?
(Considere 1 CV = 735 W).
Provas
Há uma diferença entre a tensão gerada internamente que é produzida em uma fase de um gerador síncrono e a tensão de saída quando não há corrente de armadura na máquina. São fatores responsáveis por essa diferença:
I. reação de armadura;
II. formato dos polos do rotor;
III. frequência de operação do gerador;
IV. fator de potência da carga.
Estão corretas:
Provas
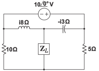
Qual é a tensão de Thévenin e a sua impedância nos terminais de ZL no circuito a seguir?
Provas
Com relação às propriedades magnéticas dos materiais, é correto afirmar que
Provas
Sobre forças e conjugados em sistemas de campo elétrico e magnético que atuam sobre cargas, assinale a alternativa correta.
Provas
A NR-12 estabelece uma série de medidas mínimas e máximas para o dimensionamento de escadas fixas do tipo marinheiro. Assinale a alternativa que apresenta a altura máxima permitida de uma escada fixa do tipo marinheiro assumindo que ela esteja entre duas plataformas de descanso de múltiplos lances e consecutivos.
Provas
Em relação ao tipo de manutenção denominado Total Productive Maintenance (TPM), assinale a alternativa correta.
Provas
De acordo com o regulamento de exploração dos Portos, o comandante da embarcação, durante a permanência na área do Porto Organizado, também, é responsável
I. pela própria segurança e pela segurança da embarcação;
II. pela manutenção a bordo de pessoas qualificadas e em número suficiente para executar qualquer manobra de emergência;
III. pelas medidas de segurança que deve adotar em situações de carga perigosa.
Está(ão) correto(s):
Provas
Preencha a lacuna e assinale a alternativa correta.
De acordo com o regulamento de Licitações e Contratos da CODEBA, em seções de licitação, caberá ao ______________ as seguintes atividades:
• disposição final ambientalmente adequada dos resíduos sólidos gerados;
• mitigação dos danos ambientais por meio de medidas condicionantes e de compensação ambiental, que serão definidas no procedimento de licenciamento ambiental;
• utilização de produtos, equipamentos e serviços que reduzam o consumo de energia e de recursos naturais;
• avaliação de impactos de vizinhança, na forma da legislação urbanística.
Provas
Caderno Container