Foram encontradas 786 questões.
Acerca do funcionamento dos sistemas de termoacumulação em instalações de climatização, julgue o próximo item.
Nos sistemas de termoacumulação com tanques de água gelada, os chillers são ligados em períodos de menor tarifa de energia, ao invés de produzir frio no horário de serviço; o frio produzido é armazenado em reservatórios isolados termicamente e utilizado para a climatização dos ambientes no horário de serviço.
Provas
Acerca do funcionamento dos sistemas de termoacumulação em instalações de climatização, julgue o próximo item.
Nos sistemas de termoacumulação com ice-balls, o gelo é formado em recipientes de plástico na forma de esferas, as quais contêm água deionizada misturada a um agente para facilitar o congelamento; as ice-balls só podem ser armazenadas em reservatórios de formato cilíndrico de grande dimensão, que requerem espaços nem sempre disponíveis na instalação.
Provas
Julgue o item a seguir, a respeito dos métodos de alimentação dos evaporadores utilizados em sistemas de refrigeração.
Os evaporadores inundados apresentam menor coeficiente de transmissão de calor, mas um melhor comportamento em relação à variação na carga térmica ao fornecer ao compressor vapor superaquecido, e não vapor saturado seco.
Provas
Julgue o item a seguir, a respeito dos métodos de alimentação dos evaporadores utilizados em sistemas de refrigeração.
Nos evaporadores de expansão seca, o sistema admite apenas a quantidade de fluido refrigerante suficiente para que esteja totalmente evaporado sob a forma de vapor seco superaquecido na saída da serpentina.
Provas
Julgue o seguinte item, referente a compressores.
Em compressores alternativos de dois estágios, o gás é comprimido adiabaticamente no cilindro de baixa pressão no primeiro estágio; passa por um resfriador intermediário (intercooler) para retornar à temperatura original; e é novamente comprimido adiabaticamente no cilindro de alta pressão no segundo estágio.
Provas
Julgue o seguinte item, referente a compressores.
Nos compressores parafuso, a razão de redução de volumes do compressor é dada por Vi = Vs/Vd, em que Vs é o volume na sucção e Vd é o volume na descarga; a pressão, no compressor, é obtida por Pi = Vi ∙ Cp, em que cp é o calor específico do gás.
Provas

Provas

Provas
No que diz respeito a sistemas fluidomecânicos e turbinas a vapor, julgue o item a seguir.
Considere uma bomba centrífuga que, acionada por um motor diesel a 2.000 rpm, recalca uma vazão de 20 m3/h a uma altura manométrica total de 60 mca. Nessas condições, se a rotação do motor for reduzida para 1.000 rpm, a altura manométrica se reduzirá para 30 mca.
Provas
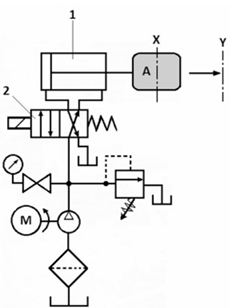
No que diz respeito a sistemas fluidomecânicos e turbinas a vapor, julgue o item a seguir.
Considere a figura a seguir, que mostra o esquema de um circuito hidráulico cuja função é mover o objeto A da posição X para a posição Y. Nesse sistema, um atuador de dupla ação (1) é acionado por uma válvula direcional de quatro vias e duas posições (2), operada por solenoide e com retorno por mola; o fluxo da bomba é dirigido para uma das passagens do atuador quando ele está em uma posição extrema, simultaneamente ao descarregamento para o tanque pela outra passagem.

Provas
Caderno Container