Foram encontradas 550 questões.
O eletromagnetismo é uma interação que ocorre entre partículas com carga elétrica por meio de campos eletromagnéticos. Considerando a temática, relacione os números com as alternativas abaixo:
I. Ocorre devido à presença de uma carga elétrica e precisa de um módulo, uma direção e um sentido para ser definido.
II. Baseado nos princípios de cargas elétricas e variação de fluxo magnético.
III. Começam em cargas positivas e terminam em cargas negativas.
IV. Em geral, inclusivamente para campos não uniformes, nas superfícies onde passem o mesmo número de linhas de campo, ele será o mesmo.
( ) Fluxo elétrico
( ) Eletromagnetismo
( ) Linhas de campo elétrico
( ) Campo elétrico
A ordem correta de preenchimento dos parênteses, de cima para baixo, é:
Provas
No tocante às Leis de Newton, analise as assertivas abaixo e assinale V, se verdadeiras, ou F, se falsas.
( ) As Leis de Newton apresentam limites, onde deixam de ser válidas: para corpos muito pequenos (física quântica) ou corpos com velocidades muito grandes (relatividade).
( ) O fato de o corpo estar em outro estado não depende do referencial (sistema de coordenadas) em que o corpo é observado.
( ) A aceleração obtida por um corpo é diretamente proporcional à força resultante aplicada sobre ele e também inversamente proporcional à massa (inércia) do mesmo.
A ordem correta de preenchimento dos parênteses, de cima para baixo é:
Provas
O magnetismo é uma propriedade dos átomos que tem origem em sua estrutura atômica, logo, os materiais podem ser classificados, de acordo com as suas propriedades magnéticas. Deste modo, quando colocados na presença de um campo magnético externo, estabelecem em seus átomos um campo magnético em sentido contrário ao que foi submetido, mas que desaparece assim que o campo externo é removido sendo, especificados como
Provas
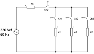
Em uma instalação elétrica, cada aparelho conectado à rede elétrica drena corrente e por isso é considerado uma carga. Essas cargas podem ter características resistivas, indutivas e capacitivas. Considere o circuito abaixo. Cada impedância em paralelo (Z1,Z2 e Z3 ) representa uma carga conectada à rede elétrica e a impedância em série (Z0) representa o efeito de carga da fiação elétrica. As chaves Ch1, Ch2 e Ch3 são usadas para ligar ou desligar a carga do ramo em que está localizada. A chave Ch0 é a chave geral do circuito, que liga ou desliga todas as cargas de uma vez.

Figura: Circuito elétrico.
Supondo:
\( Z_0 = 10 + j2\,\,\,Z_2 = 80 + j80\\Z_1 = 80 + j80\,\,\,Z_3 = -j200 \)
A indutância (em mH) da carga Z1 e a capacitância (em \( \mu\,F \)) da carga Z3 são,
Provas
Transdutores são dispositivos essenciais para a medição e controle de diversas grandezas físicas. Eles convertem sinais de uma forma de energia em outra, permitindo que os dados sejam coletados e processados para controle e monitoramento de sistemas. Considere as seguintes afirmações sobre transdutores elétricos e suas aplicações:
I. Um transdutor ativo do tipo piezolétrico é capaz de gerar uma fem entre dois eletrodos de forma a produzir faíscas em um acendedor de isqueiro a partir de um impacto causado a ele.
II. Um transdutor ativo LDR (Light Dependent Resistor) pode ser utilizado em circuitos de iluminação para detectar a quantidade de luz presente no ambiente.
III. Um LED (light emissor diode) é um transdutor ativo, visto que pode converter luz em energia elétrica.
Marque o item que justifica as afirmações de forma correta:
Provas
Em sistemas de supervisão e controle, como por exemplo, um sistema SCADA, que é ideal para situações que exigem monitoramento e controle de processos industriais ou infraestrutura crítica, a escolha da topologia que interliga os nós da rede é importante para aproveitar suas vantagens.
A topologia adequada pode melhorar a confiabilidade e a segurança da rede, simplificar sua instalação e manutenção, e aumentar a escalabilidade e a eficiência do sistema. Por isso, é importante avaliar cuidadosamente as necessidades do sistema e escolher a topologia que melhor se adapta a essas necessidades.
Considerando esse contexto, avalie as seguintes asserções e a relação proposta entre elas.
I. A topologia em estrela é mais adequada que a topologia em barramento em situações em que o sistema SCADA tem muitos dispositivos distribuídos em uma área geográfica ampla.
PORQUE
II. A topologia em estrela é uma das topologias mais simples e fáceis de instalar e manter.
Provas
O circuito apresentado na Figura, tem a função de inverter o sentido de rotação do Motor de Corrente Contínua (MCC), utilizando uma ponte H com transistores que funcionam como chave (Corte e Saturação). A inversão do sentido do motor é realizada pela chave S. Considerando a Figura, com a chave S ligada ao Ground, quais transistores estarão em saturação?

Figura: Circuito de inversão de rotação para motor cc.
Provas
Uma célula é a unidade fundamental de geração de energia elétrica. Uma bateria é um conjunto de duas ou mais células. São chamadas de primárias, aquelas que não podem ser recarregadas e de secundárias as passíveis de recarga. Considere uma célula do tipo AA, com especificação de 1,5 V e 2.850 mAh. Desprezando a resistência interna dessa célula, considerando que a corrente é constante na carga enquanto a quantidade de energia armazenada na célula for maior que 0 e que a célula é capaz de fornecer uma corrente alta sem se danificar, analise os itens.
I. Essa célula poderia alimentar uma carga R de 100 ohms de forma ininterrupta por 7 dias e se descarregaria antes do oitavo dia.
II. Essa célula poderia alimentar uma carga R de 0,1 ohms por menos de 1 minuto antes de descarregar.
III. Se essa célula alimentar 3 cargas em paralelo, uma de 1 ohm, uma de 100 ohms e uma de 300 ohms a principal responsável pela descarrega da célula será a de 300 ohms, já que é a maior.
IV. Se as cargas mencionadas no item III estiverem em série, a potência total dissipada pelas cargas será menor do que na associação em paralelo.
É correto o que se afirma
Provas
Para determinar a temperatura medida por um transdutor de temperatura, é necessário usar a escala de conversão fornecida pelo fabricante do equipamento. Para um transdutor em particular, sabe-se que sua saída elétrica varia de 4 a 20 mA e que o alcance de medição é de 0 a 200 °C. Se leitura do transdutor é de 15 mA, a temperatura medida está,
Provas
O CLP ou controlador lógico programável é um tipo especial de computador muito utilizado na indústria e em controles de máquinas e processos em diferentes aplicações. Em relação ao ciclo de varredura do CLP, é correto afirmar que:
Provas
Caderno Container