Foram encontradas 40 questões.
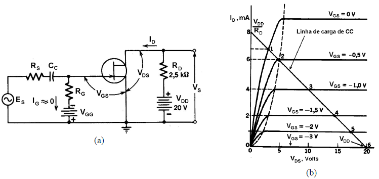
A figura abaixo mostra em (a), um circuito básico de um amplificador contendo um FET (Field Effect Transistor) do tipo de junção (JFET, canal N) e, em (b), sua correspondente linha de carga CC.

Em relação à resposta linear do amplificador e à tensão de saída Vs, para pequenos sinais de entrada, assinale a afirmativa correta.
Provas
Em relação ao circuito de corrente alternada abaixo, sua tensão e correntes expressas no diagrama fasorial, analise as afirmativas.

I - A impedância equivalente !$ \dot Z_1 !$ é caracterizada por uma resistência (R1) e uma reatância capacitiva (Xc1).
II - A impedância equivalente !$ \dot Z_2 !$ é caracterizada por uma resistência (R2) e uma reatância indutiva (XL2).
III - A impedância equivalente !$ \dot Z_2 !$ é caracterizada por uma resistência (R2) e uma reatância capacitiva (Xc2).
IV - A impedância equivalente vista pela fonte é representada por uma resistência (Req) e uma reatância capacitiva (XCeq).
V - O fator de potência visto pela fonte é indutivo.
É correto o que se afirma em:
Provas
O cobre e o alumínio são os materiais condutores mais utilizados na fabricação dos condutores elétricos. A tabela abaixo apresenta duas de suas propriedades.
Propriedades do cobre e do alumínio
| Material | Densidade [g/cm3] | Resistividade a 20 ºC [!$ \Omega !$.mm2/m] |
| Cobre | 8,89 | 0,017421 |
| Alumínio | 2,70 | 0,028264 |
Em relação a alguns aspectos comparativos, é INCORRETO afirmar:
Provas
Ao executar um projeto envolvendo sistemas elétricos em acionamentos de cargas motrizes, tem-se a necessidade de conhecer as informações contidas na placa de identificação do motor elétrico. Sobre essas informações, assinale a afirmativa INCORRETA.
Provas
Os usuários da energia elétrica, quer sejam residenciais, comerciais ou industriais, devem ser atendidos com energia elétrica de qualidade. Em muitas situações, a qualidade da energia elétrica piora com utilização de equipamentos compostos por componentes não lineares, a exemplo da figura a seguir.

Considere:
- ch1 interruptor paralelo;
- inicialmente a chave ch1 na posição 2, com uma corrente elétrica !$ i = 10 . sen (\alpha) !$.
Conforme o circuito apresentado, o valor da componente contínua Ao da série de Fourier para a chave na posição 1 é aproximadamente:
Provas
João vai sair de férias e resolve levar dois livros de Análise de Circuitos Elétricos para leitura. A probabilidade de ele gostar do primeiro livro é 0,5 (50%), de gostar do segundo livro é 0,4 (40%) e de gostar de ambos os livros é 0,3 (30%). A probabilidade de que ele não goste de qualquer dos livros é:
Provas
Em um quadro terminal de baixa tensão, existe um disjuntor geral com corrente nominal de 50 A e disjuntores em circuitos terminais, sendo que um deles possui corrente nominal de 10 A; ambos possuem a curva de disparo tipo C. Com base nessas informações e considerando uma sobrecorrente a jusante do disjuntor de 10 A, assinale a afirmativa correta.
Provas
A instalação de um conversor de frequência em um sistema elétrico, sem a inserção da reatância de rede e da reatância de carga, pode interferir no seu funcionamento ou em equipamentos ligados ao sistema elétrico. De acordo com o texto, assinale a afirmativa INCORRETA.
Provas
Num sistema elétrico industrial, ao acionar o último motor, a potência aparente total solicitada do sistema de suprimento foi 3000 kVA.
Considere:
- a fonte da alta tensão ideal;
- impedância percentual do trafo Z = 5,0%;
- trafo trifásico de 1000 kVA, tensões na baixa tensão = 250/440V.
A partir dessas informações, qual a queda de tensão aproximada entre fases no secundário do transformador, ao acionar o último motor?
Provas
Em épocas passadas, o abastecimento de água nas cidades era realizado por meio de fontes existentes nas encostas e transportada pela ação da gravidade. Atualmente utiliza-se o sistema de bombeamento (bomba e motor elétrico).
Um sistema de bombeamento trabalha sob as condições:
- vazão = 36 m3/h;
- perda de carga total do sistema = 10 m;
- aceleração da gravidade g = 9,8 m/s2;
- peso específico da água = 1000 kgf /m3.
A partir dessas informações, qual a potência mecânica aproximada solicitada por uma bomba, com rendimento de 50%, para elevar água a uma altura geométrica (estática) de 20 m?
Provas
Caderno Container