Foram encontradas 40 questões.
Analise o algoritmo abaixo escrito em Português Estruturado (Portugol).

Esse algoritmo é executado três vezes com os valores de entrada abaixo.
Execução 1 (n1=4, n2=3 e n3=3)
Execução 2 (n1=6, n2=6 e n3=8)
Execução 3 (n1=3, n2=3, n3=8 e pf=6)
Assinale a alternativa que apresenta a sequência correta dos resultados emitidos pelo algoritmo para as três execuções respectivamente.
Provas
O controlador programável, denominado CLP, é um equipamento microprocessado, com capacidade de memória específica e linguagem própria para programação. Analise a programação em linguagem ladder apresentada abaixo.

Sobre a lógica de funcionamento da programação, assinale a afirmativa correta.
Provas
Analise o circuito da figura abaixo.

A partir das informações do circuito, assinale a afirmativa correta.
Provas
As características dos distúrbios que interferem na qualidade da energia elétrica são padronizadas em função da amplitude da tensão e da duração da variação. Em relação aos distúrbios, assinale a afirmativa correta.
Provas
Nas instalações alimentadas em média tensão (MT), as muflas são utilizadas com a finalidade de realizar a
Provas
Nos projetos de sistemas elétricos, para que todas as etapas possam ser executadas, supervisionadas e alteradas corretamente, torna-se necessária a elaboração de alguns diagramas, dentre eles, o diagrama unifilar, de força e de comando. Na figura a seguir, encontra-se o desenho de um diagrama de comando, com uma lógica específica de funcionamento.

Considere:
- Desprezar o tempo de comutações dos contatos no instante da abertura ou fechamento;
- E1 – chave liga e desliga (liga contato fechado e desliga contato aberto);
- RT1 e RT2 – relés de tempo com retardo na energização, ajustados para 5s;
- ca1 – contator auxiliar;
- C1 – contator de força.
A partir da lógica de funcionamento do circuito, assinale a afirmativa correta.
Provas
A 1ª coluna apresenta nomes de fenômenos físicos relativos à propagação da luz e a 2ª coluna, sua descrição. Numere a coluna de cima para baixo.
1 – Interferência
2 – Difração
3 – Refração
( ) Mudança na direção de propagação ao atravessar uma superfície que separa dois meios transparentes.
( ) Propriedade da luz de contornar obstáculos de dimensões da ordem de grandeza de seu comprimento de onda.
( ) Superposição de duas ou mais ondas.
Assinale a sequência correta.
Provas
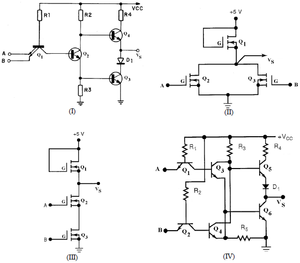
Os circuitos abaixo mostram portas lógicas básicas usando transistores bipolares e transistores de efeito de campo (MOSFET, canal N). A e B são os terminais de entrada e Vs o de saída.

Assinale a função lógica realizada pelos circuitos, na sequência I, II, III e IV.
Provas
Na figura a seguir, encontra-se representada uma configuração típica de um circuito elétrico resistivo com 5 resistências e uma fonte Vcc.

De acordo com o circuito, o módulo da resistência equivalente é igual a:
Provas
Um circuito trifásico possui inicialmente uma carga trifásica C1 de 4000 W e 3000 VAr (ind). Posteriormente foram conectadas as seguintes cargas trifásicas: C2 = 400 W e 300 VAr (ind) e C3 = 600 W e 800 VAr (ind). Em relação ao circuito, após a conexão das cargas trifásicas C2 e C3, assinale a afirmativa correta.
Provas
Caderno Container