Foram encontradas 244 questões.
Num sistema elétrico industrial, ao acionar o último motor, a potência aparente total solicitada do sistema de suprimento foi 3000 kVA.
Considere:
- a fonte da alta tensão ideal;
- impedância percentual do trafo Z = 5,0%;
- trafo trifásico de 1000 kVA, tensões na baixa tensão = 250/440V.
A partir dessas informações, qual a queda de tensão aproximada entre fases no secundário do transformador, ao acionar o último motor?
Provas
O pronome mim é oblíquo, ou seja, não executa ações. Assinale o exemplo de uso correto desse pronome.
Provas
Uma das formas de implantação de povoamentos florestais é a condução da brotação, bastante utilizada no Brasil, com plantios de eucalipto para a produção de lenha ou carvão. Sobre o tema, considere:
I - Aumento do número de plantas por hectare, através do plantio de novas mudas da mesma espécie nas entrelinhas das cepas, após o corte raso.
II - Plantio de mudas da mesma espécie ao lado das falhas de brotação, visando à recuperação de sua população, após o corte raso.
III - Redução do número de brotos por cepa para dois ou três brotos mais vigorosos que serão conduzidos para a formação do novo povoamento.
Assinale a denominação correta de cada operação.
Provas
No circuito de comando abaixo, observa-se elementos de proteção para os componentes elétricos e um específico para o motor elétrico a ser acionado.

A partir da análise do circuito, assinale a afirmativa correta.
Provas
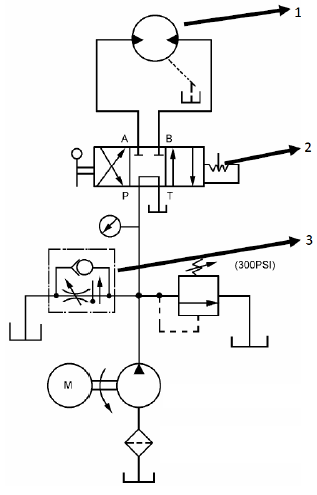
Observe o circuito hidráulico abaixo.

De acordo com as normas vigentes no Brasil, qual o nome dos elementos indicados pelas setas de número 1, 2 e 3, respectivamente?
Provas
Sobre a operação de desbaste nos povoamentos florestais, assinale a afirmativa correta.
Provas
Analise a figura ao lado.
Um dos fatores mais importantes a serem observados tanto na instalação quanto na manutenção de sistemas de bombeamento é o alinhamento dos eixos e acoplamentos. Que tipo de alinhamento é ilustrado na figura?

Provas
Qual o deslocamento ocorrido de uma barra de alumínio de 200 mm de comprimento e 10 mm de diâmetro, quando submetida a uma carga de compressão de 100 kN?
| Dado: 2) Considere !$ σ = E ⋅ ε !$ |
Provas
A figura a seguir mostra um elemento que faz parte de uma rede de ar comprimido em sistemas pneumáticos. A questão deve ser respondida com base nessa figura.

Qual o nome do elemento mostrado na figura?
Provas
Assinale a alternativa que apresenta apenas os processos para a formação de florestas através da regeneração natural.
Provas
Caderno Container