Foram encontradas 550 questões.

Considerando a árvore binária apresentada na figura acima, o percurso em pós-ordem é
Provas
- Fundamentos de ProgramaçãoAlgoritmosAlgoritmos de OrdenaçãoMerge Sort
- Fundamentos de ProgramaçãoAlgoritmosAlgoritmos de OrdenaçãoQuick Sort
- Fundamentos de ProgramaçãoComplexidade
Com relação aos algoritmos quicksort e mergsort, o tempo de execução para o
Provas
Um filtro RC, passa-baixas, tem a sua resposta em frequência dada pela seguinte função:
\( H(ω)=\dfrac{V_o(ω)}{V_i(ω)}=\dfrac{100}{Jω+100} \)
onde os espectros de entrada e de saída são, respectivamente, \( V_i(ω) \) e \( V_o(ω) \).
Ao se aplicar, na entrada deste filtro, um sinal senoidal do tipo: vi (t) = 10sen100t , a saída em regime permanente terá a expressão:
Provas

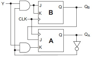
Na figura acima, com o circuito no estado QBQA = 11 e com Y = 1, os flip-flops B e A executarão, respectivamente, as operações de
Provas

A figura acima apresenta um circuito digital, onde X e Y são sinais binários de entrada e F o sinal de saída do circuito. A expressão booleana correspondente ao sinal F é
Provas

A figura acima apresenta um circuito utilizando amplificador operacional considerado ideal. Para que o sinal de saída VS seja amplificado três vezes em relação ao sinal de entrada VE, a resistência R em k\( Ω \) deverá ser, aproximadamente,
Provas
Um painel elétrico apresenta os terminais dos sinais digitais X, Y, Z e W. Um técnico necessita implementar neste painel o sinal \( F=XY\bar ZW+X\bar Y\bar Z\bar W \) e dispõe apenas das seguintes portas lógicas com duas entradas: OR, NOR, AND, NAND, XOR e XNOR. O número mínimo de portas para implementar o sinal F é
Provas

Três cargas resistivas encontram-se conectadas em série e ligadas a uma fonte C.C. de +12V, conforme ilustra a figura. Um técnico dispõe apenas de um amperímetro e obtém algumas medidas ao conectar suas ponteiras nos pontos do circuito, indicados na tabela a seguir.
| Pontos | corrente (mA) |
|---|---|
| 1-2 | 1-5 |
| 1-3 | 6,0 |
| 2-3 | 2,4 |
Pelas medidas obtidas, a resistência R2 em k é, aproximadamente,
Provas

O gráfico acima mostra a reta de carga de uma bateria de 12V. Ao ligar esta bateria a um equipamento que consome uma corrente de 1,2A, qual será a potência, em W, fornecida pela bateria ao equipamento?
Provas
Em estruturas de concreto armado, admite-se para o módulo de elasticidade das barras de aço um valor, em GPa, igual a
Provas
Caderno Container