Foram encontradas 680 questões.
A figura abaixo apresenta um transformador trifásico na configuração estrela-delta:

A defasagem das tensões de linha do secundário em relação ao primário é:
Provas
Questão presente nas seguintes provas
A respeito de um sistema trifásico assinale a alternativa correta:
Provas
Questão presente nas seguintes provas
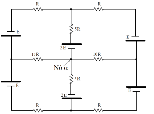
Considere o circuito da figura abaixo:

O somatório das correntes no ponto correspondente ao Nó α é igual a
Provas
Questão presente nas seguintes provas
Um resistor de 10 Ω é alimentado por uma fonte senoidal monofásica com valor médio de tensão igual a 50 V. O valor da corrente eficaz que fluí pelo resistor é:
Provas
Questão presente nas seguintes provas
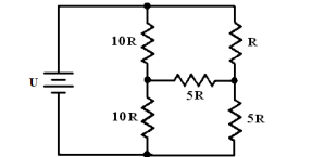
Considere o circuito da figura abaixo:

A tensão de Thévenin do equivalente de Thévenin que alimentará o resistor R é
Provas
Questão presente nas seguintes provas
Por meio da análise vertical do balanço patrimonial, uma
sociedade empresária do setor varejista percebeu que, em
31/12/2023, o seu ativo circulante representava 40% de seu ativo
total. Em 31/12/2024, representava 30%.
Assinale a opção que indica um fato que pode ter acontecido em 2024.
Assinale a opção que indica um fato que pode ter acontecido em 2024.
Provas
Questão presente nas seguintes provas
Um analista calculou o endividamento geral de uma entidade.
Assinale a opção que indica uma possível conclusão que pode ser
percebida a partir do cálculo desse indicador.
Provas
Questão presente nas seguintes provas
Em 31/12/2024, uma sociedade empresária apresentava os
seguintes saldos em seu Balanço Patrimonial: Contas a pagar (30
dias): R$ 40.000; Disponibilidades: R$ 50.000; Contas a receber
(420 dias): R$ 70.000; Fornecedores (90 dias): R$ 80.000; Clientes
(180 dias): R$ 90.000; Patrimônio Líquido: R$ 110.000;
Empréstimos (720 dias): R$130.000; Móveis e utensílios: R$
150.000.
Assinale a opção que indica a liquidez corrente da sociedade empresária em 31/12/2024.
Assinale a opção que indica a liquidez corrente da sociedade empresária em 31/12/2024.
Provas
Questão presente nas seguintes provas
De acordo com o Pronunciamento Técnico CPC 07 (R1)- Subvenção
e Assistência Governamentais, até que os requisitos para
reconhecimento de uma subvenção governamental como receita
na demonstração do resultado sejam atendidos, a contrapartida
da subvenção governamental registrada no ativo deve ser feita em
conta específica
Provas
Questão presente nas seguintes provas
A Cia ABC, que atua como arrendadora de equipamentos pesados
para construção de estradas, realizou o arrendamento de um
equipamento, cuja vida econômica era estimada em 25 anos, por
R$400.000. O prazo do arrendamento é de 23 anos.
De acordo com o Pronunciamento Técnico CPC 06 (R2)– Arrendamentos, a situação normalmente levaria o arredamento a ser classificado como
De acordo com o Pronunciamento Técnico CPC 06 (R2)– Arrendamentos, a situação normalmente levaria o arredamento a ser classificado como
Provas
Questão presente nas seguintes provas
Cadernos
Caderno Container