Foram encontradas 787 questões.
Analise o esquema unifilar abaixo.

Para completar os circuitos da instalação elétrica, o eletroduto X deve ter uma quantidade de condutores necessária e suficiente igual a
Provas
Provas
Considere o circuito elétrico abaixo, constituído de quatro capacitores.

Provas
Considere a descrição da Lei Circuital de Ampère:
“A integral de linha do vetor campo magnético em torno de uma trajetória fechada é diretamente proporcional à quantidade de corrente total enlaçada pela trajetória.”
Matematicamente, essa lei pode ser descrita como
Provas
- Instalações ElétricasEquipamentos em Média Tensão
- Instalações ElétricasSubestações
- Proteção de Sistemas ElétricosProteção em Média Tensão
- Sistemas Elétricos de PotênciaDistribuição de Energia Elétrica
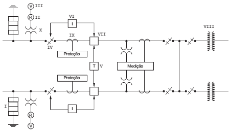
Atenção: Para responder à questão, considere as informações abaixo.
O esquema refere-se a uma subestação primária de consumidor com entrada igual ou superior a 69 kV.
Legenda:
I. Para-raios do tipo válvula.
II. Relé de infratensão para transferência automática e/ou transferência com paralelismo momentâneo.
III. Voltímetro.
IV. Seccionador.
V. Transferência automática e/ou transferência com paralelismo momentâneo.
VI. Intertravamento elétrico e/ou mecânico.
VII. Disjuntor.
VIII. Transformador de potência.
IX. ?
X. ?

Considere a descrição:
Dispositivo cujo polo superior é conectado à fase da instalação e polo inferior é conectado ao aterramento. Internamente ele é composto de elementos de proteção à base de óxido de zinco, mantendo a isolação entre os polos, superior e inferior, desde que ele seja submetido a uma tensão inferior a sua tensão nominal, caso contrário, ele abre um caminho de baixa impedância entre os polos.
Trata-se do dispositivo identificado na legenda pelo número
Provas
Atenção: Para responder à questão, considere o circuito elétrico abaixo.

Provas
Provas
Provas
Considere:

Conforme a NBR 5410, a seção mínima do condutor de proteção (PE) em função da seção do condutor fase previamente dimensionado está, corretamente, relacionada em
Provas
- Instalações ElétricasAterramentos
- Normas TécnicasNBRsNBR 5410: Instalações Elétricas de Baixa Tensão
Uma edificação é destinada à utilização de equipamentos cuja operação não pode ser interrompida, como os hospitais, por exemplo. Para tanto, ela possui um sistema de aterramento em que não há nenhum ponto de alimentação diretamente aterrado, ou seja, a alimentação deve ser completamente isolada da terra ou ser aterrada por uma alta impedância.
Tal sistema baseia-se no esquema de aterramento
Provas
Caderno Container