Foram encontradas 787 questões.
Provas
Provas
Sobre projeto e sistemas de iluminação, considere:
I. Para a previsão de carga de pontos de luz em projeto de instalação elétrica residencial, a NBR 5410 propõe para um cômodo, como a sala ou o quarto, com área superior a 6 m2, uma carga mínima de 100 VA para os primeiros 6 m2, acrescentando 60 VA para cada 4 m2 inteiros.
II. Temperatura da cor é um parâmetro luminotécnico que relaciona a cor da luz com a temperatura do bulbo da lâmpada que a produz.
III. O ciclo halógeno permite que a lâmpada halógena dicroica tenha maior tempo de vida e maior eficiência luminosa, embora ela opere com corrente elétrica bem superior à incandescente comum de mesma potência.
Está correto o que consta APENAS em
Provas
Considere o circuito elétrico abaixo, constituído de cinco resistores.

O valor da resistência equivalente da associação de resistores entre os terminais A e B é, em Ω, igual a
Provas
Um motor de indução trifásico com quatro polos, 60 Hz, opera segundo as curvas de conjugado apresentadas abaixo.

O motor opera, em rpm, com rotação igual a
Provas
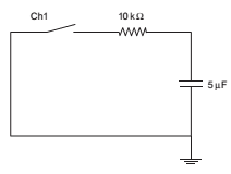
Considere o circuito elétrico abaixo, constituído de uma chave (Ch1), um resistor e um capacitor.

No instante inicial, ou seja, antes do fechamento da chave Ch1, o capacitor possui uma carga armazenada de valor Q. Ao fechar a chave Ch1, a constante de tempo de descarga no circuito será de
Provas
- Instalações ElétricasEquipamentos em Média Tensão
- Proteção de Sistemas ElétricosProteção em Média Tensão
- Sistemas Elétricos de PotênciaDistribuição de Energia Elétrica
Sobre seccionador, considere:
I. É um dispositivo de manobra, com abertura e fechamento automatizado do circuito elétrico com carga, quando a corrente ultrapassar a corrente nominal suportável ou em condições de ocorrência de curto-circuito.
II. Na chave seccionadora trifásica, cada fase é acionada individualmente por um comando rotativo.
III. Há chave seccionadora cujo acionamento é motorizado com comando elétrico por botoeiras.
Está correto o que consta APENAS em
Provas

II. qualquer fuga de corrente na instalação a qual pertence o quadro de distribuição provoca o seu desarme.
III. é chamado de barramento de proteção.
IV. em caso de fuga de energia é o primeiro a desarmar.
V. são 4 disjuntores de 4 circuitos terminais bifásicos.
Está correto o que consta APENAS em
Provas
I. Copperweld é um tipo de haste de aterramento.
II. O aterramento do projeto de instalação telefônica deve ser o mesmo usado no projeto de instalação elétrica para garantir a equipotencialidade.
III. Todas as caixas de distribuição, inclusive a de distribuição geral do prédio, devem estar aterradas.
Está correto o que consta APENAS em
Provas

Provas
Caderno Container