Foram encontradas 765 questões.
Considere os dois sinais A e B, abaixo.

Sobre a medida efetuada, é correto afirmar que em relação ao sinal A, o sinal B está
Provas
No circuito elétrico abaixo |Vz2| = 150 V.

O módulo da corrente elétrica, em ampère, é
Provas
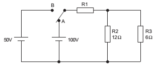
Na condição inicial, onde a chave do circuito encontra-se ligada no ponto A a potência dissipada no resistência R3 é 0,6 kW.

Ao mudar a chave para a posição B a potência, em watt, dissipada na resistência R3, passa a ser igual a
Provas
Considere o circuito elétrico abaixo.

O valor da tensão elétrica, em volts, presente no ramo AB do circuito é,
Provas
No circuito abaixo, inicialmente, com a chave no ponto A, o capacitor C encontra-se conectado na fonte de 200 V. No instante t = 0 a chave passa para a posição B e o capacitor começa a se descarregar via resistor de 10 kΩ.

Transcorridos 4,7s, a carga do capacitor em milicoulomb é, aproximadamente,
Provas
Considere as associações abaixo.

O resultado da conversão Δ → Y, em Ω, encontra-se em:
Provas
Provas
Provas
Provas
Provas
Caderno Container