Foram encontradas 765 questões.
Uma pessoa trocou 10 lâmpadas incandescentes de 60 W por lâmpadas de led de 7 W que apresentam luminosidade similar.
Considerando que
− o custo de cada lâmpada led foi de R$20,00;
− cada lâmpada fica acessa em média 5 horas por dia;
− o custo do kWh é de R$0,50.
O período aproximado requerido para amortizar o investimento feito na troca das lâmpadas é de
Provas
Provas
Provas
Provas
Provas
Provas
Considere o circuito elétrico abaixo. Foram definidos arbitrariamente os sentidos das correntes i1, i2 e i3.

Em relação aos valores de i1, i2 e i3, é correto afirmar que
Provas
Deseja-se projetar um circuito retificador e dispõe-se dos elementos apresentados na figura abaixo.

Sobre possíveis circuitos de retificação que poderiam ser construídos a partir desses elementos, tem-se Retificador
Provas
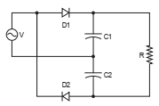
O circuito elétrico abaixo apresenta uma configuração muito conhecida de utilização de diodos.

Supondo V uma fonte de tensão alternada, C1 e C2 de mesmo valor e D1 e D2 diodos semicondutores similares, tem-se que o circuito é um
Provas
No circuito abaixo, supondo-se o capacitor descarregado, deseja-se que após o fechamento da chave CH ele carregue totalmente em aproximadamente 1 minuto.

Considerando-se que após 5 constantes de tempo do circuito o capacitor estará completamente carregado, o valor de R que atende ao desejado é, em Ω,
Provas
Caderno Container