Foram encontradas 765 questões.
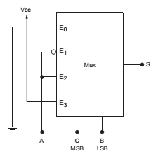
Considere o esquema representado abaixo de um multiplexador que é usado para implementar uma expressão lógica booleana.

A expressão lógica correspondente é
Provas
Questão presente nas seguintes provas
O resultado da simplificação da expressão lógica
encontra-se em:
Provas
Questão presente nas seguintes provas
Considere o dispositivo de alarme representado abaixo e o seu circuito equivalente com apenas portas NAND.

O circuito equivalente é o que consta em:
Provas
Questão presente nas seguintes provas
A denominação do circuito integrado 74LS373, de acordo com os fabricantes, é 3-STATE Octal D-Type Transparent Latches and Edge-Triggered Flip-Flops.
Portanto, trata-se de um
Provas
Questão presente nas seguintes provas
Os transistores bipolares podem ser utilizados em diversas configurações. A configuração que possibilita ganho em tensão, sem
ganho em corrente é denominada
Provas
Questão presente nas seguintes provas
Um bipolo ativo possui as seguintes características: tensão = 24 VDC e resistência interna de 0,02 Ω. Uma carga resistiva de
0,16 Ω foi colocada em paralelo com esse bipolo. Sobre esse arranjo tem-se que a
Provas
Questão presente nas seguintes provas
O sistema de iluminação de um ambiente de 40 m2
consome 120 W e proporciona uma iluminância homogênea de 800 lux.
Nesse caso, a sua eficiência, em lúmens/watts, é de, aproximadamente,
Provas
Questão presente nas seguintes provas
Um wattímetro, devidamente calibrado, foi instalado para monitorar a potência entregue a um motor trifásico industrial operando
a plena carga. A potência medida foi de 1,1 kW. Sendo a potência nominal 1 cv, as perdas totais, em watt, registradas para o
motor em análise valem, aproximadamente,
Provas
Questão presente nas seguintes provas
Em instalações elétricas prediais, a relação entre a demanda máxima e a potência instalada que é usada para o dimensionamento
do ramal de entrada é denominada
Provas
Questão presente nas seguintes provas
Quando o motor síncrono encontra-se sobreexcitado
Provas
Questão presente nas seguintes provas
Cadernos
Caderno Container