Magna Concursos

Foram encontradas 1.493 questões.

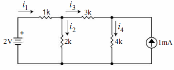
429159 Ano: 2011
Disciplina: Engenharia Eletrônica
Banca: CESPE / CEBRASPE
Orgão: EBC

Enunciado 429161-1

Considerando que os elementos do circuito elétrico acima são ideais e que as resistências são dadas em Enunciado 429161-2, julgue os itens subsecutivos, a respeito das correntes elétricas.

2.000 i2 = 3.000 i3 + 4.000 i4.

 

Provas

Questão presente nas seguintes provas
429158 Ano: 2011
Disciplina: Engenharia Eletrônica
Banca: CESPE / CEBRASPE
Orgão: EBC

Enunciado 429158-1

Considerando que os elementos do circuito elétrico acima são ideais e que as resistências são dadas em Enunciado 429158-2, julgue os itens subsecutivos, a respeito das correntes elétricas.

i4 = Enunciado 429158-3 mA.

 

Provas

Questão presente nas seguintes provas
429157 Ano: 2011
Disciplina: Eletroeletrônica
Banca: CESPE / CEBRASPE
Orgão: EBC
A respeito de equipamentos usados em medidas elétricas, julgue os itens seguintes.
Um amperímetro deve apresentar, quando em uso, uma pequena diferença de tensão elétrica entre seus terminais.
 

Provas

Questão presente nas seguintes provas
429156 Ano: 2011
Disciplina: Eletroeletrônica
Banca: CESPE / CEBRASPE
Orgão: EBC
A respeito de equipamentos usados em medidas elétricas, julgue os itens seguintes.
Um voltímetro deve apresentar uma alta impedância de entrada para que, ao ser usado em uma medição, a corrente elétrica desviada através dele seja a menor possível.
 

Provas

Questão presente nas seguintes provas
429155 Ano: 2011
Disciplina: Eletroeletrônica
Banca: CESPE / CEBRASPE
Orgão: EBC
A respeito de equipamentos usados em medidas elétricas, julgue os itens seguintes.
Para medir a tensão elétrica em um resistor, pode-se usar um voltímetro, o qual deve ser conectado em série com o resistor.
 

Provas

Questão presente nas seguintes provas
429154 Ano: 2011
Disciplina: Eletroeletrônica
Banca: CESPE / CEBRASPE
Orgão: EBC
A respeito de equipamentos usados em medidas elétricas, julgue os itens seguintes.
Em um galvanômetro de bobina móvel, uma bobina é montada em um eixo móvel e instalada entre os pólos de um ímã fixo. O fluxo de corrente elétrica pela bobina gera um campo magnético que faz a bobina girar, movendo um ponteiro. O movimento do ponteiro é proporcional à corrente elétrica que percorre a bobina.
 

Provas

Questão presente nas seguintes provas
429153 Ano: 2011
Disciplina: Eletroeletrônica
Banca: CESPE / CEBRASPE
Orgão: EBC
A respeito de equipamentos usados em medidas elétricas, julgue os itens seguintes.
Um ohmímetro é, geralmente, um dispositivo passivo que pode funcionar sem bateria ou outra fonte de energia.
 

Provas

Questão presente nas seguintes provas
429152 Ano: 2011
Disciplina: Engenharia Eletrônica
Banca: CESPE / CEBRASPE
Orgão: EBC

Julgue os itens que se seguem, referentes à eletrônica industrial.

O tiristor é um dispositivo constituído de três camadas semicondutoras, na sequência p-n-p ou n-p-n, projetado para ser usado em regime chaveado.

 

Provas

Questão presente nas seguintes provas
429151 Ano: 2011
Disciplina: Engenharia Eletrônica
Banca: CESPE / CEBRASPE
Orgão: EBC

Julgue os itens que se seguem, referentes à eletrônica industrial.

Fator de potência é a relação entre a potência ativa e a potência aparente consumidas por um dispositivo ou equipamento.

 

Provas

Questão presente nas seguintes provas
429150 Ano: 2011
Disciplina: Engenharia Elétrica
Banca: CESPE / CEBRASPE
Orgão: EBC

Julgue os itens que se seguem, referentes à eletrônica industrial.

Máquinas de corrente contínua, em comparação com máquinas de corrente alternada de mesma potência, são, geralmente, mais simples, robustas e leves.

 

Provas

Questão presente nas seguintes provas