Foram encontradas 524 questões.
Sabendo que a capacidade de carga básica Cr de um rolamento fixo de uma carreira de esferas NSK é de 31500N sob carga radial Fr = 2500 N e velocidade 800 rpm encontre o coeficiente de vida nominal (fh) do rolamento e assinale a alternativa correta. Dado coeficiente de velocidade igual a 0,347.
Provas
Questão presente nas seguintes provas
As máquinas hidráulicas são instrumentos capazes de multiplicar forças que estão presentes em nosso cotidiano. Apesar das diferentes aplicações, todas as máquinas hidráulicas têm em comum a possibilidade de serem explicadas a partir do princípio de Pascal. Na Figura 1, os diâmetros dos tubos 1 e 2 são 6 e 30 cm respectivamente e o peso do automóvel é 20kN. Assinale a alternativa correta indicando a força que deve ser aplicada no tubo 1 para equilibrar o carro e o deslocamento do nível de óleo no tubo 1, respectivamente, quando o carro subir 20 cm.

Figura 1: Esquema de um elevador hidráulico
Provas
Questão presente nas seguintes provas
Em processo de calibração de um equipamento médico- hospitalar, o engenheiro clínico atribui a confiabilidade do instrumento medidor associado aos padrões nacionais pela
Provas
Questão presente nas seguintes provas
Em um ambiente de diálise renal é fundamental que a alimentação de água seja feita por sistema de osmose reversa. Qual a função deste sistema?
Provas
Questão presente nas seguintes provas
Qual é a denominação do trabalho destinado a avaliar as condições de temperatura dentro de uma autoclave e comparar com resultados obtidos pela indicação em display do equipamento?
Provas
Questão presente nas seguintes provas
A respeito do questionamento a seguir, analise as assertivas e assinale a alternativa que aponta a(s) correta(s). Como o efeito em “Modo Doppler” realizado em aparelhos de ultrassom podem ser definidos, conforme Chistrian Doppler (1803- 1853)?
I. Como um desvio de frequência que ocorre com um sinal sonoro ou eletromagnético quando há movimento relativo entre a fonte emissora e receptor.
II. Como a transformação de corrente elétrica de baixa frequência em alta frequência, de modo a não obter os efeitos indesejáveis ao paciente, como farádico e térmico.
III. As imagens são obtidas pela interação da radiação com os tecidos que resulta da projeção plana do perfil espacial da absorção destes.
IV. Como ondas mecânicas longitudinais com variadas pressões emitidas com frequências abaixo da auditiva humana.
Provas
Questão presente nas seguintes provas
O bom desenvolvimento de cada uma das atividades (execução propriamente dita, desde a elaboração de estudos e projetos até a supervisão e o gerenciamento dos trabalhos) em uma obra é fundamental para garantir o atendimento aos seus futuros usuários da maneira desejada, dentro de padrões de qualidade e segurança adequados, com custos e impactos ambientais aceitáveis. Além disso, na grande maioria dos casos, as atividades de supervisão são necessárias para garantir que as obras mecanizadas sejam executadas de acordo com o projeto, dentro dos padrões de qualidade preconizados, minimizando impactos ambientais negativos e em condições de segurança. Desta forma, assinale a alternativa correta.
Provas
Questão presente nas seguintes provas
No que tange às equações de Maxwell, a equação a seguir se refere à forma integral da
!$ \oint\,J,dS = { \Large { \partial q \over \partial t}} !$
Provas
Questão presente nas seguintes provas
Uma epidemia silenciosa
No Brasil, estima-se que 25 pessoas cometam suicídio por
dia e a tendência é de crescimento entre jovens
No Brasil, estima-se que 25 pessoas cometam suicídio por
dia e a tendência é de crescimento entre jovens
Mônica Tarantino
A morte do músico Champignon (Luiz Carlos Leão Duarte Junior, 35), ex-baixista da banda Charlie Brown Jr, registrada pela polícia como suicídio, abriu espaço para o tema nas primeiras páginas dos jornais, no noticiário da tevê, nas redes sociais.
O interesse no caso de Champignon, entretanto, está muito aquém da mobilização e das providências urgentes que o tema suscita. Suicídio é um problema de saúde pública a ser encarado como tal.
No Brasil, estima-se que 25 pessoas cometam suicídio por dia. Segundo a Organização Mundial de Saúde, a tendência é de crescimento dessas mortes entre os jovens, especialmente nos países em desenvolvimento. Nos últimos vinte anos, o suicídio cresceu 30% entre os brasileiros com idades de 15 a 29 anos, tornando-se a terceira principal causa de morte de pessoas em plena vida produtiva no País (acidentes e homicídios precedem). No mundo, cerca de um milhão de pessoas morrem anualmente por essa causa. A OMS estima que haverá 1,5 milhão de vidas perdidas por suicídio em 2020, representando 2,4% de todas as mortes.
Em muitos países, programas de prevenção do suicídio passaram a fazer parte das políticas de saúde pública. Na Inglaterra, o número de mortes por suicídio está caindo em consequência de um amplo programa de tratamento de depressão. Ações semelhantes protegem vidas nos Estados Unidos. Um dos focos desses programas é diagnosticar precocemente doenças mentais. De acordo com uma recente revisão de 31 artigos científicos sobre suicídio, mais de 90% das pessoas que se mataram tinham algum transtorno mental como depressão, esquizofrenia, transtorno bipolar e dependência de álcool ou outras drogas.
No Brasil, porém, persiste a falta de políticas públicas para prevenção do suicídio, com o agravo da passagem do tempo e do aumento populacional. Em 2006, o governo formou um grupo de estudos para traçar as diretrizes de um plano nacional de prevenção do suicídio, prometido para este ano. O que temos até então é um manual destinado a profissionais da saúde. O nome do documento é Prevenção do Suicídio - Manual dirigido a profissionais das equipes de saúde mental.
Reduzir o suicídio é um desafio coletivo que precisa ser colocado em debate. “Nossa resposta não pode ser o silêncio. Nossas chances de chegar às pessoas que precisam de ajuda dependem da visibilidade”, disse-me o psiquiatra Humberto Corrêa para um artigo sobre suicídio publicado pela corajosa revista Planeta (Suicídio aumenta no Brasil, mas isso poderia ser evitado, edição 421, Outubro de 2007). “Uma das nossas tarefas é convencer donas de casa, pais, educadores, jornalistas, publicitários, líderes comunitários e formadores de opinião de que o debate sobre o suicídio não é uma questão moral ou religiosa, mas um assunto de saúde pública e que pode ser prevenido.
Aceitar essa ideia é o primeiro passo para poupar milhares de vidas”, alertava o especialista.
Penso nos casos ocorridos no meu círculo de relações e de que nunca esqueci. No primeiro ano da escola de jornalismo, um colega de sala, Zé Luiz, se matou bebendo querosene. Tinha 18 anos, era inteligente, crítico, um tanto irônico. Há alguns anos, o filho adolescente de um amigo pulou pela janela, deixando-o perplexo por nunca ter visto qualquer sinal de que isso poderia acontecer. Também se matou, aos 20 anos, a filha de uma jornalista e socióloga com quem trabalhei. A história virou filme pelas mãos de sua irmã Petra Costa. Lançado em 2012, “Elena” é um mergulho profundo nas memórias, sentimentos e questionamentos, enfim, em toda complexidade e perpetuidade do suicídio de uma pessoa amada. Mais recentemente, me admiro com a coragem de uma amiga próxima em busca do equilíbrio após o suicídio inesperado do companheiro. Sim, prevenir o suicídio é um assunto que interessa. Danem-se os tabus.
http://www.istoe.com.br/colunas-e-blogs/coluna/324253_UMA+EPIDEMIA+ SILENCIOSA. (Adaptado)
Em “O interesse no caso de Champignon, entretanto, está muito aquém da mobilização...”, a expressão destacada estabelece relação semântica de
Provas
Questão presente nas seguintes provas
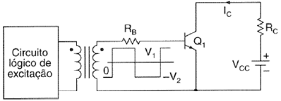
A figura a seguir ilustra um arranjo de excitação de porta isolado por transformador. Similarmente aos optoacopladores, tais transformadores atuam de modo a isolar os sinais de controle ou porta em relação ao comum (terra). Nesse contexto, é correto afirmar que o transformador mencionado trata-se do

Provas
Questão presente nas seguintes provas
Cadernos
Caderno Container