Foram encontradas 524 questões.
Conforme a figura apresentada na questão anterior, qual a corrente total das baterias ligadas em série?
Provas
Questão presente nas seguintes provas
Existe uma característica importante dos amplificadores operacionais, cuja definição diz respeito ao tempo gasto pelo sinal de saída para variar de 10 a 90% de seu valor final. É correto afirmar que tal definição refere-se a
Provas
Questão presente nas seguintes provas
Uma especificação de projeto comum para um par de sem-fins definirá a velocidade de entrada ou de saída desejada e a razão de engrenamento. Na maioria das vezes é conhecida a força ou o torque ou a potência requerida na saída. Uma abordagem, das inúmeras possíveis, é supor um número de entrada para o sem-fim e calcular os dados cinemáticos para o sem-fim e para a coroa. Então, se em um sistema de levantamento tivermos um dispositivo movido por motor elétrico conectado a um guincho com engrenamento de redução 75:1, e que precisa ser autotravante para suportar a carga, podemos dimensionar o sem-fim e encontrar a eficiência do engrenamento e o torque de saída do mesmo. Dados: a função força tempo é dinâmica no tempo, com força mínima igual a zero; o raio do tambor do guincho é 10in. A potência média de saída requerida é de 0,6 HP; a velocidade de entrada para o sem-fim é 1725 rpm e a de saída é 23 rpm. A potência perdida no engrenamento é igual a 0,89HP. A distância entre centros é de 5,0in. A velocidade tangencial é 913,9pés/min. A carga tangencial é 1180lb e a força de atrito 32lb.
Assinale a alternativa correta para a eficiência do engrenamento e a potência de saída do sistema em HP, respectivamente, utilizando arredondamento científico.
Provas
Questão presente nas seguintes provas
O valor do conjugado de partida, para um motor de indução trifásico de gaiola de 2 kW, com velocidade de 1.200 rpm e !$ { \large C_p \over C_n} = 2,0 !$ (sendo Cp o conjugado de partida e Cn o conjugado nominal), que deverá acionar uma carga de conjugado constante, será igual a
Provas
Questão presente nas seguintes provas
A corrente de fuga de um equipamento médico é considerada um padrão de avaliação em uma manutenção preventiva, principalmente em equipamentos que entram em contato direto com o paciente. A situação que mais influi na composição dessa corrente de fuga é
Provas
Questão presente nas seguintes provas
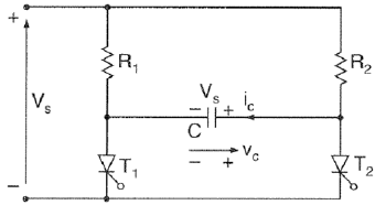
A figura a seguir ilustra um circuito de comutação o qual é utilizado no processo de transferência da corrente entre duas cargas. Nesse circuito, o disparo de um tiristor comuta o outro. É correto afirmar que tal comutação é denominada

Provas
Questão presente nas seguintes provas
- Transformadores e Máquinas ElétricasMáquinas EstáticasTransformadores Trifásicos e Autotransformadores
Em relação aos transformadores de dois enrolamentos, é correto fazer as seguintes afirmações concernentes aos autotransformadores, desde que as relações de tensões não sejam muito diferentes de 1:1, EXCETO
Provas
Questão presente nas seguintes provas
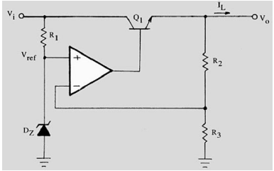
Para o circuito Regulador de Tensão da figura a seguir, é correto afirmar que

Provas
Questão presente nas seguintes provas
A mola de um sistema de came construída em Aço SAE 1066 foi fabricada utilizando-se um fio de arame com diâmetro igual a 0,192 in. Do total de espiras somente 8 são ativas com diâmetro de mola igual a 1,54in. Pressupondo uma tolerância de contato de 15% da deflexão de trabalho, o comprimento livre da mola é igual a 4,26in. A força aplicada ao sistema varia de 150lb a 100lb com intervalo de ajuste de deflexão igual a 0,75in. A deflexão para altura fechada é calculada em 2,34in considerando a interferência de aperto. A constante de mola calculada é igual a 67,4lb/in. Assinale a alternativa correta considerando o arredondamento científico para o coeficiente de segurança e a tensão de altura fechada, respectivamente. Dado resistência ao escoamento de cisalhamento do material igual 114,31Kpsi.
Provas
Questão presente nas seguintes provas
Qual a função da capnografia ou capnograma, utilizada em pacientes submetidos à anestesia geral?
Provas
Questão presente nas seguintes provas
Cadernos
Caderno Container